Sì, ok per display e BC327.
Ciao.
Paolo.
timer per la pasta
Moderatore:
Paolino
1
voti
"Houston, Tranquillity Base here. The Eagle has landed." - Neil A.Armstrong
-------------------------------------------------------------
PIC Experience - http://www.picexperience.it
-------------------------------------------------------------
PIC Experience - http://www.picexperience.it
-

Paolino
32,6k 8 12 13 - G.Master EY

- Messaggi: 4226
- Iscritto il: 20 gen 2006, 11:42
- Località: Vigevano (PV)
0
voti
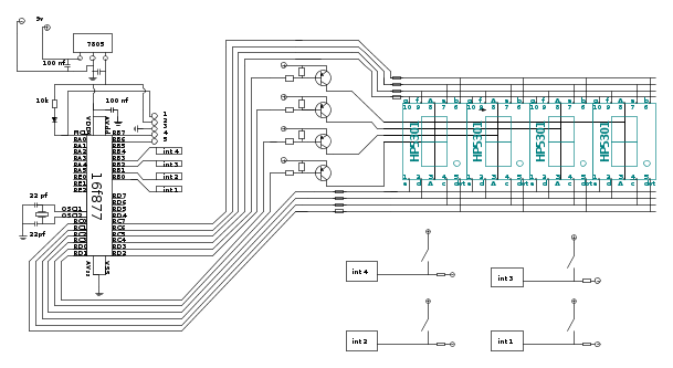
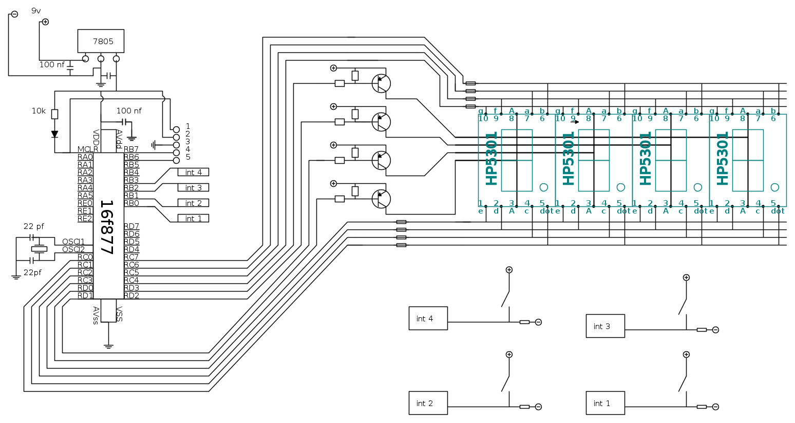
ho ritoccato lo schema spero che ora sia corretto
1
voti
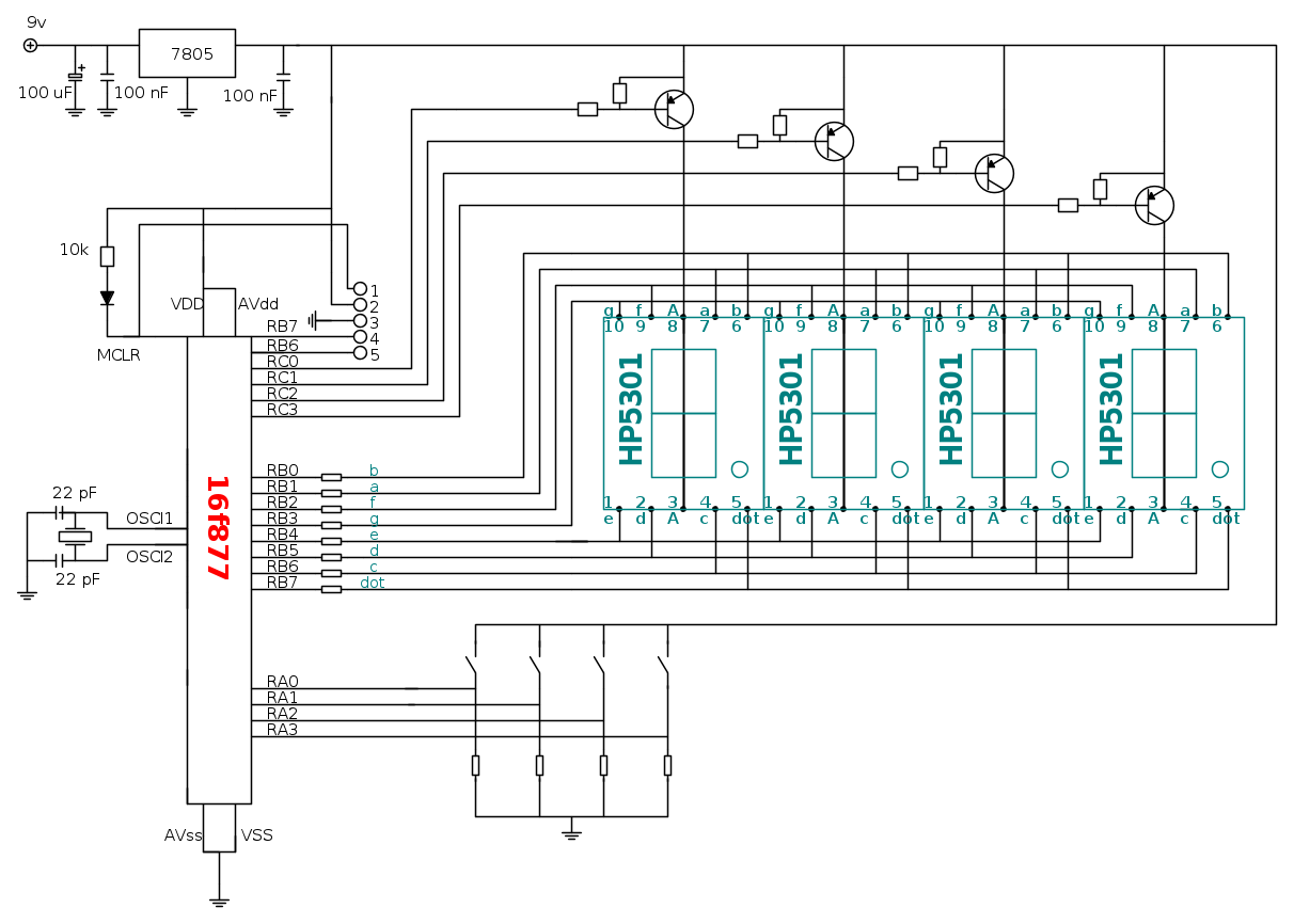
Te l'ho un po' ridisegnato. Se vuoi cambiare le porte basta che cambi le etichette di fianco all'integrato, anche non in ordine, perché lo schema elettrico (questo) e la disposizione sulla scheda sono scorrelate (insomma nello schema disegni prediligendo la comodita' e la chiarezza, sulla scheda occupando meno spazio possibile e facendo i collegamenti il piu' convenientemente possibile).
-

rusty
4.075 2 9 11 - Utente disattivato per decisione dell'amministrazione proprietaria del sito
- Messaggi: 1578
- Iscritto il: 25 gen 2009, 13:10
1
voti
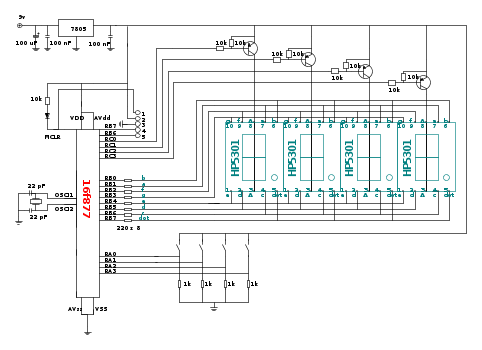
I valori delle resistenze relative ai segmenti, dato che il pilotaggio è multiplexato, devi sceglierli a seconda del valore del duty cycle.. Lo stesso dovrebbe essere per le resistenze di base per i PNP, ma quelle sui catodi meritano più attenzione.
1
voti
Per iniziare, e per avere resistori con valori piu' simili possibile (ne compri molti di un solo tipo), prova con questi valori. Non hai nessun resistore in casa? Comprati delle strisce di resistori, come ho fatto io tempo fa, io ne avevo acquistato un rotolo (circa 50 per tipo) da 100, 220, 330, 1k, 10k, ecc...
ovviamente ;)
Ah, mi procurerei anche una aletta di raffreddamento per il 7805, io non le compro le recupero ovunque, diciamo che sia almeno doppia in superficie rispetto all'integrato. L'elettrolitico da 25 V o superiore va bene.
Quarzo per le prime prove va bene diciamo da 4 MHz.
ovviamente ;)Ah, mi procurerei anche una aletta di raffreddamento per il 7805, io non le compro le recupero ovunque, diciamo che sia almeno doppia in superficie rispetto all'integrato. L'elettrolitico da 25 V o superiore va bene.
Quarzo per le prime prove va bene diciamo da 4 MHz.
-

rusty
4.075 2 9 11 - Utente disattivato per decisione dell'amministrazione proprietaria del sito
- Messaggi: 1578
- Iscritto il: 25 gen 2009, 13:10
0
voti
il problema e che io sono frettoloso
e ho gia acquistato su ebay un kit di 25 resistenze dove potevo scegliere fra 85 valori
tipo 10 da 220 ohm
10 da 330 ohm
5 da 100 ohm
il venditore ora attende che gli mando un e-mail con i valori che mi servono
facendomi due calcoli mi sevono resistenze da:
120 ohm tra il PIC e i catodi
alcune da 1 kohm e 10 kohm per interuttori ecc..
solo che non ho ben capito come calcolare i valori delle resistenze che sono intorno ai transistor
e ho gia acquistato su ebay un kit di 25 resistenze dove potevo scegliere fra 85 valori
tipo 10 da 220 ohm
10 da 330 ohm
5 da 100 ohm
il venditore ora attende che gli mando un e-mail con i valori che mi servono
facendomi due calcoli mi sevono resistenze da:
120 ohm tra il PIC e i catodi
alcune da 1 kohm e 10 kohm per interuttori ecc..
solo che non ho ben capito come calcolare i valori delle resistenze che sono intorno ai transistor
Torna a Firmware e programmazione
Chi c’è in linea
Visitano il forum: Google [Bot] e 10 ospiti

Elettrotecnica e non solo (admin)
Un gatto tra gli elettroni (IsidoroKZ)
Esperienza e simulazioni (g.schgor)
Moleskine di un idraulico (RenzoDF)
Il Blog di ElectroYou (webmaster)
Idee microcontrollate (TardoFreak)
PICcoli grandi PICMicro (Paolino)
Il blog elettrico di carloc (carloc)
DirtEYblooog (dirtydeeds)
Di tutto... un po' (jordan20)
AK47 (lillo)
Esperienze elettroniche (marco438)
Telecomunicazioni musicali (clavicordo)
Automazione ed Elettronica (gustavo)
Direttive per la sicurezza (ErnestoCappelletti)
EYnfo dall'Alaska (mir)
Apriamo il quadro! (attilio)
H7-25 (asdf)
Passione Elettrica (massimob)
Elettroni a spasso (guidob)
Bloguerra (guerra)




