Salve a tutti, per favore qualcuno mi può dire come si fa a pilotare un motorino in cc con un NE555 (in configurazione bistabile) perché ho provato ma non ho alcun risultato o meglio il circuito sta bene infatti lo utilizzato prima per pilotare un led e va bene (funziona) ma il motorino rimane fermo. Problema di corrente?
Vi ringrazio anticipatamente a presto.
Pilotaggio di un motorino
Moderatori:
carloc,
g.schgor,
BrunoValente,
IsidoroKZ
29 messaggi
• Pagina 1 di 3 • 1, 2, 3
0
voti
Chiado scusa lo schema che sto utilizzando è un multivibratore in configurazione ASTABILE e non bistabile. E' stato un errore di distrazione.
Non vi posso fornire alcun dato del motorino perché lo recuperai da una macchina telecomandata (de buttere). Vi posso dire che è uno di quelli che se gli dai qualche volt in più si bruciano.
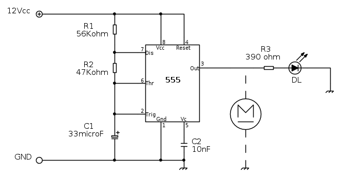
Ecco qua lo schema:
Alora, se voglio far funzionare il led, funziona perfettamente (oscilla) ma se al pin 3 collego il motorino non mi da alcun segnale.
Non vi posso fornire alcun dato del motorino perché lo recuperai da una macchina telecomandata (de buttere). Vi posso dire che è uno di quelli che se gli dai qualche volt in più si bruciano.
Ecco qua lo schema:
Alora, se voglio far funzionare il led, funziona perfettamente (oscilla) ma se al pin 3 collego il motorino non mi da alcun segnale.
-

clorofabio
10 1 7 - Frequentatore

- Messaggi: 150
- Iscritto il: 14 mag 2010, 20:16
0
voti
Per quanto possa essere piccolo il motorino sta tranquillo che può tranquillamente superare i 200mA massimi del 555...Io proverei con un transistor in uscita al 555...Opportunamente dimensionato...
Penso che con una prova del genere potresti aver mandato a miglior vita l'integrato...
Penso che con una prova del genere potresti aver mandato a miglior vita l'integrato...
0
voti
Io direi che quello schema non e' proprio adatto a pilotare un motore, sempre che si intenda regolarne la velocita'.
Meglio una configurazione in PWM ed un bit o un mosfet (da valutare a seconda delle caratteristiche del motore) a sostegno.
Meglio una configurazione in PWM ed un bit o un mosfet (da valutare a seconda delle caratteristiche del motore) a sostegno.
marco
2
voti
Con il motorino non oscilla perché è un carico eccessivo per il 555 come già giustamente detto da
VRI. Spera che sia ancora vivo.
Come invece altrettanto giustamente consigliato da
marco438, userei un controllo PWM. Qui trovi un circuito:
http://www.electroyou.it/gohan/wiki/anc ... 55_.26_PWM
Come invece altrettanto giustamente consigliato da
http://www.electroyou.it/gohan/wiki/anc ... 55_.26_PWM
0
voti
Perdonte il mio non sapere e vi chiedo gentilmente di essere pazienti con me. L’articolo davvero interessante. Grazie.
Dunque RPOT che è un trimmer di quanto deve essere?
Io del duty cycle so solo che serve per sapere la quantità di periodo in cui il segnele d’uscita è al livello alto. MA C’È UN MODO PER CALCOLARLO dato che come resistenze nel mio oscillatore ne ho utilizzata una da 56Kohm (R1) e una da 47Kohm (R2)? Inoltre so che se vogliamo che esso sia =50% va bene il secondo schema (quello con un solo diodo) presentato nell’articolo mentre se vogliamo che sia <50% va bene il primo schema (quello con i due diodi).
Prima di modificare il mio circuito ritengo opportuno che vengo a conoscenza del duty cycle e poi passare al calcolo di FPWM, VPWM, IPWM.
L’importante che poi riesco a far funzionare il motorino a impulsi.
Dunque RPOT che è un trimmer di quanto deve essere?
Io del duty cycle so solo che serve per sapere la quantità di periodo in cui il segnele d’uscita è al livello alto. MA C’È UN MODO PER CALCOLARLO dato che come resistenze nel mio oscillatore ne ho utilizzata una da 56Kohm (R1) e una da 47Kohm (R2)? Inoltre so che se vogliamo che esso sia =50% va bene il secondo schema (quello con un solo diodo) presentato nell’articolo mentre se vogliamo che sia <50% va bene il primo schema (quello con i due diodi).
Prima di modificare il mio circuito ritengo opportuno che vengo a conoscenza del duty cycle e poi passare al calcolo di FPWM, VPWM, IPWM.
L’importante che poi riesco a far funzionare il motorino a impulsi.
-

clorofabio
10 1 7 - Frequentatore

- Messaggi: 150
- Iscritto il: 14 mag 2010, 20:16
0
voti
Non capisco esattamente cosa intendi con "calcolare il duty cycle". In una modulazione PWM, questo è variabile.. Nel circuito vari il valore del duty cycle con il potenziometro (o trimmer).
Per i calcoli puoi fissare un valore per il potenziometro e per la frequenza. Per quest'ultima, se devi solo pilotarlo senza requisiti particolari, una frequenza attorno ai 300 - 500Hz direi che va bene..
Ti ricordo che, almeno noi, del motorino ne sappiamo quanto, a quanto sembra (e spero di sbagliarmi) stando a quanto scritto in precedenza, ne sai tu. Niente.
Per i calcoli puoi fissare un valore per il potenziometro e per la frequenza. Per quest'ultima, se devi solo pilotarlo senza requisiti particolari, una frequenza attorno ai 300 - 500Hz direi che va bene..
Ti ricordo che, almeno noi, del motorino ne sappiamo quanto, a quanto sembra (e spero di sbagliarmi) stando a quanto scritto in precedenza, ne sai tu. Niente.
29 messaggi
• Pagina 1 di 3 • 1, 2, 3
Chi c’è in linea
Visitano il forum: Nessuno e 57 ospiti

Elettrotecnica e non solo (admin)
Un gatto tra gli elettroni (IsidoroKZ)
Esperienza e simulazioni (g.schgor)
Moleskine di un idraulico (RenzoDF)
Il Blog di ElectroYou (webmaster)
Idee microcontrollate (TardoFreak)
PICcoli grandi PICMicro (Paolino)
Il blog elettrico di carloc (carloc)
DirtEYblooog (dirtydeeds)
Di tutto... un po' (jordan20)
AK47 (lillo)
Esperienze elettroniche (marco438)
Telecomunicazioni musicali (clavicordo)
Automazione ed Elettronica (gustavo)
Direttive per la sicurezza (ErnestoCappelletti)
EYnfo dall'Alaska (mir)
Apriamo il quadro! (attilio)
H7-25 (asdf)
Passione Elettrica (massimob)
Elettroni a spasso (guidob)
Bloguerra (guerra)




