Cos'è ElectroYou | Login Iscriviti

ElectroYou - la comunità dei professionisti del mondo elettrico

critiche finali prima di mandare a produrre..

Elettronica lineare e digitale: didattica ed applicazioni

Moderatori: Foto Utentecarloc, Foto Utenteg.schgor, Foto UtenteBrunoValente, Foto UtenteIsidoroKZ

0
voti

[1] critiche finali prima di mandare a produrre..

Messaggioda Foto Utentegiulia87 » 9 set 2012, 18:41

Ciao a tutti!

tempo fa avevo esposto vari dubbi riguardanti la progettazione di un filtro passa banda tramite cascata di passa alto e passa basso..recentemente ho ripreso in mano la questione e disegnato la scheda, che sto per mandare in produzione. Prima di farlo, vorrei postare la configurazione circuitale che ho definitio, motivando le scelte che ho fatto.. sono alle prime armi con la progettazione elettronica (ho solo seguito un paio di corsi di elettronica all'università), quindi chi avesse qualcosa da criticare è ben accetto!!! :)

Dunque, le mie specifiche principali erano:
- filtraggio passa banda 300 Hz - 5 kHz, con due poli passa alto e tre poli passa basso
- amplificazione complessiva tra 10 e 15 (i segnali in ingresso sono già pre-amplificati in una scheda messa a monte ed arrivano con un'ampiezza di circa 100 mV).
- minimizzare il numero di componenti, per questioni di area e costi
- cercare di distorcere meno possibile la morfologia del segnale, quindi filtri butterworth e con risposta di fase più lineare possibile in banda passante

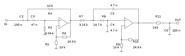
Lo schema del circuito che ho scelto è il seguente:


Esso è costituito da un filtro passa alto di tipo Sallen-key, con guadagno pari a 3.5, taglio a 300 Hz e componenti dimensionati in modo da avere una risposta Butterworth (cioè con fattore di forma Q pari a 0.707). Se vi chiedete come mai non ho scelto i componenti uguali, la ragione è che li ho dimensionati tramite un software commerciale, stabilendo frequenza di taglio, guadagno e risposta butterworth (filter pro). So che in genere i sallen-key vanno fatti a guadagno basso. So, dalla teoria, che guadagni superiori a 3 creano instabilità, ma questo solo nel caso di componenti uguali...Inoltre, il mio filtro è Butterworth, quindi Q è 0.707, ovvero non può esserci un picco nella risposta in frequenza intorno ai 300 Hz..Suppongo ovviamente di avere componenti con tolleranze basse (ho scelto 0.1 % per tutti i componenti). Sempre dalla teoria ho studiato che un guadagno diverso da 1 in filtri sallen-key (indipendentemente dal tipo di risposta, butterworth, bessel o quant'altro) è desiderabile perché minimizza la sensitivity dei vari parametri del filtro rispetto alle variazioni dei componenti. Non avendo un guadagno unitario, ho scelto componenti con tolleranza bassa (0.1 % al massimo)..

Successivamente c'è un filtro passa basso Sallen-key, con guadagno pari a 3.5, taglio a 5 kHz e risposta sempre alla Butterworth.

Infine, un filtro passivo RC, con taglio a 5 kHz, necessario per aggiungere un polo (senza dover mettere un altro opamp). Il valore della resistenza finale (143) l'ho scelto in modo che l'attenuazione del segnale in ingresso a successivo ADC (con impedenza di ingresso sui 140 kohm) sia trascurabile..

Questo è tutto..se qualcuno nota errori madornali che sicuramente comprometteranno il funzionamento del circuito lo faccia notare..non me la prendo! Ovviamente il layout è fondamentale per il funzionamento ma su questo punto ne ho già discusso ampliamente, sia qui sia altrove..ora mi interesserebbero pareri sullo schematico..

GRAZIE!

O_/


---

no suggestions? :oops:
Avatar utente
Foto Utentegiulia87
125 1 2 7
Stabilizzato
Stabilizzato
 
Messaggi: 393
Iscritto il: 14 apr 2011, 21:47

Torna a Elettronica generale

Chi c’è in linea

Visitano il forum: Nessuno e 44 ospiti