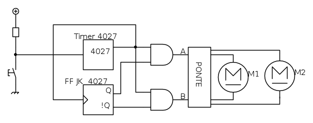
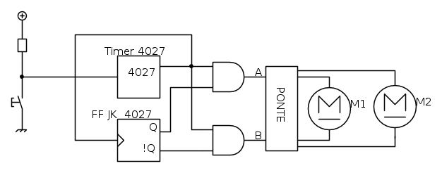
Ho realizzato il circuito stampato, ma quando lo provo , non funziona nulla se non la parte relativa all' alimentazione, puoi darmi una mano, facendomi capire dove sbaglio?
Ecco il sorgente del circuito:
- Codice: Seleziona tutto
[FIDOCAD]
FJC L 0 -16777216 1.0
FJC L 1 -16777088 1.0
FJC L 2 -65536 1.0
FJC L 3 -16744320 1.0
MC 260 505 3 0 PCB.do35
PL 339 363 339 345 5 0
PL 339 345 339 363 5 0
PL 339 363 420 363 5 0
PL 420 363 420 408 5 0
PL 420 408 420 408 5 0
PL 360 345 360 354 5 0
PL 360 354 447 354 5 0
PL 447 354 447 441 5 0
PL 447 441 462 441 5 0
PL 264 561 264 531 5 0
PL 489 525 264 525 5 0
PL 264 525 264 531 5 0
PL 363 651 363 642 5 0
PL 363 651 411 651 5 0
PL 489 537 489 531 5 0
PL 507 666 507 549 5 0
PL 183 285 309 285 10 0
PL 309 282 309 261 10 0
PL 381 328 420 327 5 0
PL 303 636 303 570 5 0
PL 264 666 264 624 5 0
PL 264 666 507 666 5 0
TY 346 585 25 10 0 0 0 * L293
TY 470 185 20 5 90 0 0 * 0,1uF
TY 385 185 20 5 90 0 0 * 0,33uF
TY 420 280 20 6 0 0 0 * +5
TY 390 72 25 5 0 0 0 * L7805
TY 438 309 20 5 0 0 0 * 1
TY 515 355 25 10 270 0 0 * 4081
RV 114 75 573 708 0
TY 117 63 4 3 0 0 0 * 1
TY 335 107 20 5 0 0 0 * GND
TY 248 130 20 5 0 0 0 * Pulsante
TY 325 230 20 6 0 0 0 * +12
TY 220 197 20 5 0 0 0 * 10K
TY 148 230 20 5 0 0 0 * - GND
TY 163 290 20 6 0 0 0 * +12
TY 273 350 25 10 0 0 0 * 4027
TY 343 350 20 5 0 0 0 * 3
TY 358 350 20 5 0 0 0 * 2
TY 410 425 20 5 0 0 0 * 3
TY 450 390 20 5 0 0 0 * A
TY 450 430 20 5 0 0 0 * 2
TY 450 410 20 5 0 0 0 * B
TY 378 350 20 5 0 0 0 * 1
TY 478 510 20 5 0 0 0 * B
TY 288 465 20 5 0 0 0 * R Variabile
TY 243 465 20 5 0 0 0 * 1N4148
TY 218 445 20 5 270 0 0 * 100uF
TY 159 584 20 5 0 0 0 * M1
TY 340 540 20 5 0 0 0 * M1
TY 280 540 20 5 0 0 0 * M1
TY 260 540 20 5 0 0 0 * B
TY 360 640 20 5 0 0 0 * B
TY 340 640 20 5 0 0 0 * M2
TY 285 640 20 5 0 0 0 * M2
TY 159 613 20 5 0 0 0 * M1
TY 156 648 20 5 0 0 0 * M2
TY 156 672 20 5 0 0 0 * M2
PA 430 100 36 36 28 0 0
PA 507 549 18 18 4 0 0
PL 489 537 411 537 5 0
PL 411 537 411 651 5 0
PA 490 525 18 18 4 0 0
PA 177 285 18 18 4 0 0
PA 310 255 18 18 4 0 0
PA 420 415 18 18 4 0 0
PA 429 327 18 18 4 0 0
RV 390 75 474 126 0
PL 390 78 474 78 5 0
PL 474 78 474 123 5 0
PL 474 123 390 123 5 0
PL 390 123 390 78 5 0
PL 393 81 468 81 5 0
PL 468 81 468 117 5 0
PL 468 117 393 117 5 0
PL 393 117 393 84 5 0
PL 393 84 420 84 5 0
PL 420 84 465 84 5 0
PL 465 84 465 114 5 0
PL 465 114 441 114 5 0
PL 417 114 396 114 5 0
PL 390 120 471 120 5 0
PL 471 120 471 81 5 0
PL 444 87 462 87 5 0
PL 462 87 462 108 5 0
PL 444 111 462 111 5 0
PL 447 90 462 90 5 0
PL 444 108 462 108 5 0
PL 447 105 459 105 5 0
PL 459 105 459 93 5 0
PL 459 93 447 93 5 0
PL 447 93 447 105 5 0
PL 453 102 450 102 5 0
PL 450 102 453 96 5 0
PL 453 96 456 96 5 0
PL 456 96 456 102 5 0
PL 456 102 450 96 5 0
PL 444 87 447 93 5 0
PL 396 87 417 87 5 0
PL 414 111 396 111 5 0
PL 396 111 396 90 5 0
PL 396 90 411 90 5 0
PL 411 90 411 96 5 0
PL 411 96 399 93 5 0
PL 399 93 399 108 5 0
PL 399 108 411 108 5 0
PL 411 108 411 99 5 0
PL 411 99 402 96 5 0
PL 402 96 402 105 5 0
PL 402 105 408 105 5 0
PL 408 105 405 99 5 0
PL 405 99 408 93 5 0
PL 408 93 414 90 5 0
PL 414 108 417 111 5 0
PA 380 335 12 20 4 1 1
PL 285 330 295 330 4 1
PL 295 330 285 335 4 1
PA 420 415 18 18 4 0 1
PL 295 335 295 340 4 1
PL 385 395 400 395 4 1
PL 415 240 390 240 4 1
PL 260 405 260 415 4 1
PA 530 440 22 14 6 2 1
PL 270 390 275 395 4 1
PL 225 395 235 395 4 1
PL 475 235 475 240 4 1
PA 530 380 20 8 4 2 1
PL 465 480 395 480 4 1
PA 530 400 20 8 4 2 1
PA 470 360 20 8 4 1 1
PL 280 390 280 380 4 1
PL 460 460 420 460 4 1
PL 430 240 430 125 4 1
PA 470 380 20 8 4 2 1
PL 465 360 440 360 4 1
PL 255 330 245 340 4 1
PA 470 480 20 8 4 2 1
PL 475 124 190 124 4 1
PL 300 312 300 325 4 1
PL 275 400 265 400 4 1
PL 475 235 475 205 4 1
PA 530 440 20 8 4 2 1
PL 275 395 265 395 4 1
PA 530 460 20 8 4 2 1
PA 300 395 12 20 4 2 1
PA 280 335 12 20 4 2 1
PL 225 500 215 500 4 1
PL 300 428 225 428 4 1
PA 249 163 18 18 4 0 1
PA 282 163 18 18 4 0 1
PL 210 410 210 186 4 1
PL 265 395 270 395 4 1
PL 270 395 270 400 4 1
PL 300 405 300 445 4 1
PA 446 250 12 20 2 2 1
PA 240 335 14 22 6 2 1
PL 245 340 255 340 4 1
PA 280 335 14 22 6 2 1
PA 300 335 14 22 6 2 1
PL 360 415 415 415 4 1
PA 360 395 12 20 4 2 1
PL 225 300 225 395 4 1
PA 300 445 18 18 4 0 1
PL 245 330 255 330 4 1
PA 360 335 12 20 4 2 1
PL 245 340 250 330 4 1
PA 475 200 14 14 4 0 1
PL 245 665 400 665 4 1
PA 340 395 12 20 4 2 1
PA 530 480 20 8 4 2 1
PA 470 400 20 8 4 2 1
PL 265 395 270 395 4 1
PL 140 250 180 250 4 1
PA 470 420 20 8 4 2 1
PA 530 360 20 8 4 2 1
PA 530 420 20 8 4 2 1
PA 210 415 18 18 4 0 1
PL 445 300 525 300 4 1
PL 440 415 425 415 4 1
PL 180 250 210 250 4 1
PL 260 345 260 385 4 1
PL 440 360 440 415 4 1
PL 400 305 400 395 4 1
PL 460 355 460 365 4 1
PA 380 395 12 20 4 2 1
PL 260 505 300 505 4 1
PA 490 525 18 18 4 0 1
PL 480 420 490 420 4 1
PL 270 395 270 390 4 1
PL 565 300 565 560 4 1
PL 490 420 490 520 4 1
PL 402 642 565 640 4 1
PL 295 335 285 340 4 1
PL 447 258 447 297 5 1
PL 135 285 170 285 10 1
PL 234 567 132 567 10 1
PL 130 565 130 500 10 1
PL 130 500 130 295 10 1
PA 130 250 18 18 4 0 1
PA 130 285 18 18 4 0 1
PL 565 640 565 560 4 1
PL 414 255 315 255 10 1
PL 480 400 510 400 5 1
PL 510 400 510 550 5 1
PL 510 549 357 549 5 1
TY 280 275 20 5 0 0 1 * P
PL 360 405 360 505 5 1
PL 360 505 305 505 5 1
PA 320 395 12 20 4 2 1
PL 210 188 225 188 5 1
PL 180 588 282 588 5 1
PL 282 588 282 579 5 1
PL 342 582 342 597 5 1
PL 195 597 195 621 5 1
PL 195 621 177 621 5 1
PL 342 624 342 606 5 1
PL 342 606 210 606 5 1
PL 210 606 210 660 5 1
PL 210 660 183 660 5 1
PL 279 615 222 615 5 1
PL 222 615 222 684 5 1
PL 222 684 180 684 5 1
PL 342 597 195 597 5 1
PA 340 335 12 20 4 2 1
PL 306 567 315 567 5 1
PL 249 300 225 300 4 1
PA 242 570 14 22 6 2 1
PA 262 570 14 22 6 2 1
PA 282 570 14 22 6 2 1
PA 302 570 14 22 6 2 1
PA 322 570 14 22 6 2 1
PA 342 570 14 22 6 2 1
PA 362 570 14 22 6 2 1
PA 242 633 14 22 6 2 1
PA 262 633 14 22 6 2 1
PA 282 633 14 22 6 2 1
PA 322 633 14 22 6 2 1
PA 302 633 14 22 6 2 1
PA 382 570 8 20 4 1 1
PL 180 415 180 520 4 1
PL 260 415 215 415 4 1
PL 395 480 395 520 4 1
PL 395 520 180 520 4 1
PL 530 300 530 360 4 1
PA 342 633 14 22 6 2 1
PA 362 633 14 22 6 2 1
PA 382 633 14 22 6 2 1
PL 420 420 420 460 4 1
PL 279 615 279 621 5 1
PL 384 567 399 567 5 1
PL 309 633 315 633 5 1
PL 282 168 282 300 5 1
PL 249 168 249 300 5 1
PA 381 570 12 20 4 1 1
PL 480 381 489 381 5 1
PL 489 381 489 327 5 1
PL 489 327 435 327 5 1
PA 429 328 18 18 4 0 1
PA 470 440 20 8 4 2 1
PL 290 340 290 335 4 1
PA 179 599 18 18 4 0 1
PA 280 395 12 20 4 2 1
PA 179 622 18 18 4 0 1
PA 240 395 12 20 4 2 1
PA 130 250 18 18 4 0 1
PA 260 335 12 20 4 2 1
PA 430 250 12 20 2 2 1
PL 445 240 450 240 4 1
PA 300 335 12 20 4 2 1
PL 275 390 260 390 4 1
PL 400 311 300 311 4 1
PL 295 340 285 340 4 1
PA 414 250 12 20 2 2 1
PA 320 335 12 20 4 2 1
PL 290 335 295 335 4 1
PL 285 340 285 330 4 1
PL 387 633 399 633 5 1
PA 530 400 22 14 6 2 1
PL 245 640 245 665 4 1
PL 225 255 225 300 4 1
PL 400 665 400 640 4 1
PL 225 255 225 230 4 1
PA 210 500 18 18 4 0 1
PA 225 225 18 18 4 0 1
PL 475 125 475 135 4 1
PA 240 335 12 20 4 2 1
RV 114 75 573 708 1
TY 117 63 4 3 0 0 1 * 1
PA 390 200 14 14 4 0 1
PA 390 140 14 14 4 0 1
PA 260 395 12 20 4 2 1
PA 225 190 18 18 4 0 1
PL 358 565 357 549 5 1
PL 180 588 180 591 5 1
PL 270 400 265 395 4 1
PA 300 505 18 18 4 0 1
PA 175 285 18 18 4 0 1
PA 260 335 14 22 6 2 1
PA 530 480 22 14 6 2 1
PA 507 549 18 18 4 0 1
PL 390 240 390 235 4 1
PA 470 460 20 8 4 2 1
PL 390 235 390 205 4 1
PA 179 682 18 18 4 0 1
PA 179 659 18 18 4 0 1
PA 320 335 14 22 6 2 1
PA 340 335 14 22 6 2 1
PL 320 380 320 385 4 1
PA 360 335 14 22 6 2 1
PL 205 415 180 415 4 1
PA 380 395 14 22 6 2 1
PL 275 395 270 400 4 1
PA 360 395 14 22 6 2 1
PL 270 400 265 390 4 1
PA 340 395 14 22 6 2 1
PL 260 445 300 445 4 1
PA 320 395 14 22 6 2 1
PA 475 140 14 14 4 0 1
PA 300 395 14 22 6 2 1
PL 245 335 245 340 4 1
PA 280 395 14 22 6 2 1
PL 400 300 400 305 4 1
PA 260 395 14 22 6 2 1
PL 250 330 245 335 4 1
PA 240 395 14 22 6 2 1
PL 399 567 400 640 4 1
PA 530 460 22 14 6 2 1
PA 310 255 18 18 4 0 1
PA 530 420 22 14 6 2 1
PL 255 340 250 335 4 1
PA 530 380 22 14 6 2 1
PL 285 340 290 340 4 1
PA 530 360 22 14 6 2 1
PL 320 345 320 380 4 1
PA 470 380 22 14 6 2 1
PL 225 430 225 500 4 1
PA 470 400 22 14 6 2 1
PL 450 240 475 240 4 1
PA 470 420 22 14 6 2 1
PL 390 125 390 135 4 1
PA 470 440 22 14 6 2 1
PL 285 335 295 335 4 1
PA 470 460 22 14 6 2 1
PL 520 300 565 300 4 1
PA 470 480 22 14 6 2 1
PL 189 124 189 249 4 1
PL 460 365 480 365 4 1
PL 280 380 320 380 4 1
PL 460 355 480 355 4 1
PL 282 300 445 300 4 1
PL 480 365 480 355 4 1
PL 310 565 310 520 4 1
RV 415 405 230 370 2
TY 270 380 10 10 0 0 2 * Monostabile
RV 499 130 451 210 3
RV 392 573 232 629 3
RV 395 338 235 394 3
LI 305 575 305 575 3
RV 389 200 471 125 3
BE 490 342 491 355 509 355 510 342 3
RV 427 250 433 200 3
BE 385 355 372 356 372 374 385 375 3
RV 443 250 449 200 3
RV 472 342 528 498 3
BE 392 590 379 591 379 609 392 610 3
RV 411 250 417 200 3
RV 414 130 366 210 3
RV 389 76 471 125 3
Grazie a chiunque voglia aiutarmi!

Elettrotecnica e non solo (admin)
Un gatto tra gli elettroni (IsidoroKZ)
Esperienza e simulazioni (g.schgor)
Moleskine di un idraulico (RenzoDF)
Il Blog di ElectroYou (webmaster)
Idee microcontrollate (TardoFreak)
PICcoli grandi PICMicro (Paolino)
Il blog elettrico di carloc (carloc)
DirtEYblooog (dirtydeeds)
Di tutto... un po' (jordan20)
AK47 (lillo)
Esperienze elettroniche (marco438)
Telecomunicazioni musicali (clavicordo)
Automazione ed Elettronica (gustavo)
Direttive per la sicurezza (ErnestoCappelletti)
EYnfo dall'Alaska (mir)
Apriamo il quadro! (attilio)
H7-25 (asdf)
Passione Elettrica (massimob)
Elettroni a spasso (guidob)
Bloguerra (guerra)





