Giovanni96 ha scritto:L'impianto è stato realizzato a maggio 2011 a 3 keuro/kwp. un altro mi aveva sparato 6keuro/kwp
Mah! Chissà perché...
Moderatori:
sebago,
MASSIMO-G,
lillo,
Mike
Giovanni96 ha scritto:L'impianto è stato realizzato a maggio 2011 a 3 keuro/kwp. un altro mi aveva sparato 6keuro/kwp


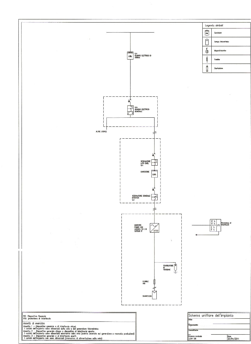
Giovanni96 ha scritto:LO schema è corretto?










CGIUSEPPE61 ha scritto:
Io opterei anche per la sostituzione del magnetotermico LATO INVERTER Q1, con un magnetotermico Idn 0,3
come già postato precedentemente.






Torna a Impianti, sicurezza e quadristica
Visitano il forum: Nessuno e 152 ospiti