Lo schema in Fidocad lo devi selezionare con Ctrl-A e copiarlo nel post tra i tag fcd.
In un oscillatore come quello la fotoresistenza non varia la tensione. Varia solo la costante di tempo come già descritto. Se vuoi lavorare in base ad una variazione di tensione il problema è completamente distinto..
Tornando al problema della frequenza, con un micro potresti prendere la frequenza dell'oscillatore in ingresso e lavorare su quella, anche se nemmeno questo è semplicissimo penso..
Invertire una funzione
Moderatori:
carloc,
g.schgor,
BrunoValente,
IsidoroKZ
1
voti
Arduino mi serve dopo per lavori più gravosi.
Nessuno ha tenuto in considerazione quello che ho proposto in ultimo?
2
voti
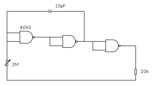
Tre NAND per un oscillatore ad onda quadrata sono troppe, una basta ed avanza, e lo schema cambia, ma ora non posso usare Fidocad.
Non mi è chiara la tua ultima proposta. Cosa devi fare esattamente, una inversione di frequenza a partire da un oscillatore che usa una fotoresistenza giusto?
Infine, a maggior luminosità minor frequenza. Dico bene?
Non mi è chiara la tua ultima proposta. Cosa devi fare esattamente, una inversione di frequenza a partire da un oscillatore che usa una fotoresistenza giusto?
Infine, a maggior luminosità minor frequenza. Dico bene?
0
voti
Non e questione di porte, con tre hai fronti di salita più ripidi. E poi ne avanza ancora una.
Gohan, esatto . più luce meno frequenza. E ora ti spiega perche.
Devo misurare la luce del cielo di notte. Il massimo valore quando è buio.
La fotoresistenza sente la luce e di conseguenza varia la frequenza nel circuito.
La lettura viene fatta con un frequenzimetro, ma per ora in modo teorico usiamo uno strumento analogico.
Quando si ha la lettura migliore? verso lo zero o verso tre quarti di scala?
Verso il tre quarti di scala, dove ho ancora campo di misura.
E misurato in digitale fai misure con tre- quattro zeri. Molto più precisa che vicino allo zero.
Ora, con il circuito attuale, la fotoresistenza con la luce si abbassa di Ohm e la frequenza si alza.
A me serve che al buio si alza di Ohm e anche la frequenza.
un Fet, al posto della resistenza può sostituirla?
In questo caso la fotoresistenza comanda la " base " del Fet.
Una resistenza variabile con tensione, come la trovo? nei condensatori sono i varicap.
Nessuno li ha usati?
Gohan, esatto . più luce meno frequenza. E ora ti spiega perche.
Devo misurare la luce del cielo di notte. Il massimo valore quando è buio.
La fotoresistenza sente la luce e di conseguenza varia la frequenza nel circuito.
La lettura viene fatta con un frequenzimetro, ma per ora in modo teorico usiamo uno strumento analogico.
Quando si ha la lettura migliore? verso lo zero o verso tre quarti di scala?
Verso il tre quarti di scala, dove ho ancora campo di misura.
E misurato in digitale fai misure con tre- quattro zeri. Molto più precisa che vicino allo zero.
Ora, con il circuito attuale, la fotoresistenza con la luce si abbassa di Ohm e la frequenza si alza.
A me serve che al buio si alza di Ohm e anche la frequenza.
un Fet, al posto della resistenza può sostituirla?
In questo caso la fotoresistenza comanda la " base " del Fet.
Una resistenza variabile con tensione, come la trovo? nei condensatori sono i varicap.
Nessuno li ha usati?
1
voti
eros ha scritto:esatto . più luce meno frequenza.
Rispondi a questa domanda.
La soluzione dell'oscillatore con LDR l'hai scelta tu. Perché?
La soluzione più semplice, frequenza inversamente proporzionale alla luminosità, richiede l'uso di un fotodiodo ed un operazionale, il tutto seguito da un IC voltage to frequency converter, senza inversione di frequenza.
1
voti
Rileggendo meglio chiedo: cosa vuol dire "la luce del cielo di notte" ?
Ti riferisci alla luce lunare? Forse sarebbe meglio orientarsi verso qualche sensore di precisione, ed eventualmente di costo elevato..
Ti riferisci alla luce lunare? Forse sarebbe meglio orientarsi verso qualche sensore di precisione, ed eventualmente di costo elevato..
0
voti
Foto diodo e operazionale + Amplificatori in cascata per segnali che variano pochissimo, comportano variazioni di zeri e stabilita termica, non chè alimentazione super filtrata. Questo solo come segnale, che poi applicato ad un circuito a lettura digitale, comporta ulteriori problemi. Troppi integrati, con le loro problematiche.
Se trovo ti allego l'immagine.
Mi sembrava più veloce, semplice e con meno componenti la seconda versione, solo che volevo girare il fondo scala. Tutto qui.
Ho usato questo tipo di oscillatore, ma posso tranquillamente sostituirlo se trovo quello adatto.
Se trovo ti allego l'immagine.
Mi sembrava più veloce, semplice e con meno componenti la seconda versione, solo che volevo girare il fondo scala. Tutto qui.
Ho usato questo tipo di oscillatore, ma posso tranquillamente sostituirlo se trovo quello adatto.
0
voti
Si proprio la luce del cielo, questa varia di poco da sereno a nuvoloso, di molto con la Luna e moltissimo con il Sole.
Nel caso del Sole , ci sarebbe una attenuazione automatica dopo L'alba, per la Luna è un altro discorso, rimane cielo limpido cielo nuvoloso.
Riguardo a sensori più complessi e costosi, lo uso già, http://www.sqm-network.com/index.php?op ... 26&lang=it
ma ho altre idee per la testa e quindi continuo per la mia strada.
Nel caso del Sole , ci sarebbe una attenuazione automatica dopo L'alba, per la Luna è un altro discorso, rimane cielo limpido cielo nuvoloso.
Riguardo a sensori più complessi e costosi, lo uso già, http://www.sqm-network.com/index.php?op ... 26&lang=it
ma ho altre idee per la testa e quindi continuo per la mia strada.
1
voti
A questo punto se la tensione di riferimento varia di poco, io userei un ADC con una risoluzione adeguata, senza oscillatore esterno, solo con sensore di luce altrettanto adeguato..
0
voti
Potrei variare il condensatore.
Un varicap. Non lo hai mai usato?
La tensione di comando la giro come voglio io.
Visto che non ho vincoli di frequenza, la cosa mi alletta.
Dove sono i varicappisti
Certo, la tua idea è fattibile, ma mi porti fuori strada. Devo rivedere tutto, preferivo risolvere l'inversione dell'oscillatore.
Ora scappo perche devo aprire il Planetario, ci sentiamo questa sera se ci sei.
Un varicap. Non lo hai mai usato?
La tensione di comando la giro come voglio io.
Visto che non ho vincoli di frequenza, la cosa mi alletta.
Dove sono i varicappisti
Certo, la tua idea è fattibile, ma mi porti fuori strada. Devo rivedere tutto, preferivo risolvere l'inversione dell'oscillatore.
Ora scappo perche devo aprire il Planetario, ci sentiamo questa sera se ci sei.

Chi c’è in linea
Visitano il forum: Nessuno e 107 ospiti

Elettrotecnica e non solo (admin)
Un gatto tra gli elettroni (IsidoroKZ)
Esperienza e simulazioni (g.schgor)
Moleskine di un idraulico (RenzoDF)
Il Blog di ElectroYou (webmaster)
Idee microcontrollate (TardoFreak)
PICcoli grandi PICMicro (Paolino)
Il blog elettrico di carloc (carloc)
DirtEYblooog (dirtydeeds)
Di tutto... un po' (jordan20)
AK47 (lillo)
Esperienze elettroniche (marco438)
Telecomunicazioni musicali (clavicordo)
Automazione ed Elettronica (gustavo)
Direttive per la sicurezza (ErnestoCappelletti)
EYnfo dall'Alaska (mir)
Apriamo il quadro! (attilio)
H7-25 (asdf)
Passione Elettrica (massimob)
Elettroni a spasso (guidob)
Bloguerra (guerra)


