Un saluto a tutti, sono appena entrato nella comunità e già vi pongo qualche domanda.
Vorrei realizzare un semplice circuito a basso consumo (con alimentazione USB) che:
- permetta di sdoppiare il segnale stereofonico proveniente dall'uscita di una scheda audio PC verso una cuffia e verso l'ingresso di un preamplificatore; potrei usare il famigerato cavo "Y" ma non voglio introdurre attenuazioni, quindi credo che un semplice buffer possa svolgere egregiamente il suo lavoro;
- permetta di selezionare attraverso un pulsante (o un deviatore) dedicato la sorgente di ingresso tra il microfono della cuffia o l'uscita del preamplificatore descritti sopra; anche in questo caso non vorrei introdurre attenuazioni im quella che costituirà la linea di ingresso della scheda audio del PC;
Tutte le linee sono ovviamente stereofoniche.
Prima di iniziare a selezionare componenti a basso rumore/basso consumo, mi chiedevo verso quali buffer/opAmp indirizzarmi. Esiste qualche componente discreto che possa svolgere questo servizio oppure conviene progettarlo da zero?
Ognl consiglio è ben accetto!
G.
semplice splitter/selettore audio alimentato USB
Moderatore:
IsidoroKZ
29 messaggi
• Pagina 1 di 3 • 1, 2, 3
0
voti
GaAsFET ha scritto:Prima di iniziare a selezionare componenti a basso rumore/basso consumo, mi chiedevo verso quali buffer/opAmp indirizzarmi. Esiste qualche componente discreto che possa svolgere questo servizio oppure conviene progettarlo da zero?
Visto che gli ingressi e le uscite che devi smistare sono piuttosto eterogenei come caratterstiche fai prima a costruirti un circuito ad hoc (che peraltro mi pare che può essere in gran parte passivo e quindi non bisognoso di alcuna alimentazione - l'unica eccezione mi pare il microfono).
In ogni caso fai un bello schemozzo in fidocad di come vuoi arrangiare ingressi e uscite che si capisce meglio... un'immagine è meglio di mille parole ma un buon disegno in fidocad è meglio di mille immagini!
Ciao
Piercarlo
0
voti
fidocad? sono proprio niubbio con windows, uso quasi esclusivamente Linux
ok farò lo schema e lo metterò prima possibile. Ma credo di dover ricorrere almeno agli OpAmp per evitare di attenuare troppo i segnali in transito. Leggevo che già il solo famigerato cavo-Y-splitter è da evitare come la peste perché mette in parallelo le varie (diverse) impedenze...
grazie intanto per la risposta!
ok farò lo schema e lo metterò prima possibile. Ma credo di dover ricorrere almeno agli OpAmp per evitare di attenuare troppo i segnali in transito. Leggevo che già il solo famigerato cavo-Y-splitter è da evitare come la peste perché mette in parallelo le varie (diverse) impedenze...
grazie intanto per la risposta!

0
voti
GaAsFET ha scritto:Leggevo che già il solo famigerato cavo-Y-splitter è da evitare come la peste perché mette in parallelo le varie (diverse) impedenze...
Beh, questo non è necessarimente sempre vero. Bisogna anche vedere i VALORI delle impedenze in gioco e, rispetto a queste, da dove partono e dove vanno a finire i segnali.
Ciao
Piercarlo
0
voti
Piercarlo ha scritto:Beh, questo non è necessarimente sempre vero.
è vero che ci sono i casi più disparati, ma nella quasi totalità dei prodotti consumer e prosumer oramai le specifiche si somigliano quasi tutte, 1 su mille ce la fa
0
voti
Purtroppo invece usando un cavo Y il segnale invece si attenua, e parecchio.
A questo punto mi metterei sotto con il buffer.
Idee su componenti low-cost low-consumption da usare?

A questo punto mi metterei sotto con il buffer.
Idee su componenti low-cost low-consumption da usare?

0
voti
io poco tempo fa ho scoperto il Max 410/412 che non è malaccio.
http://datasheets.maximintegrated.com/en/ds/MAX410-MAX414.pdf
http://datasheets.maximintegrated.com/en/ds/MAX410-MAX414.pdf
0
voti
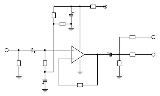
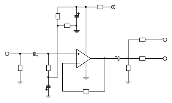
Diciamo che, lato splitter, per partire avevo sotto mano questo semplice schema a JFET.
Non volendo usare troppi componenti discreti, vorrei sostituire i JFET con opportuni OpAmp e soprattutto alimentare il circuito in tensione singola a 5Vcc.

Non volendo usare troppi componenti discreti, vorrei sostituire i JFET con opportuni OpAmp e soprattutto alimentare il circuito in tensione singola a 5Vcc.

1
voti
Non lo so se ci sono errori, ho buttato giù la logica al momento, secondo me ci siamo vicini.
0
voti
Esatto, era quello che avevo in mente.
Vediamo di piazzare un po' di valori e di stimare il comportamento del buffer per un singolo canale:

Op Amp in configurazione invertente.
Allora, ponendo una Vs = 5V, sui terminali dell'Op Amp abbiamo 2.5V.
Il guadagno lo terrei volutamente basso, diciamo unitario con R1 ~ R2 = 21k, forse un po' bassa come resistenza di ingresso... Lo schema avevo pensato di raddoppiarlo, con ingresso in parallelo su Vin e doppia uscita. Quello che non mi torna troppo è appunto l'impedenza di ingresso "totale" sotto i 10k ... non so se può causare problemi all'uscita della scheda audio del PC.
Rload per una uscita è costituita dalla cuffia, per l'altra è l'ingresso di un secondo stadio preamplificatore.
Voi che ne dite?
Vediamo di piazzare un po' di valori e di stimare il comportamento del buffer per un singolo canale:

Op Amp in configurazione invertente.
Allora, ponendo una Vs = 5V, sui terminali dell'Op Amp abbiamo 2.5V.
Il guadagno lo terrei volutamente basso, diciamo unitario con R1 ~ R2 = 21k, forse un po' bassa come resistenza di ingresso... Lo schema avevo pensato di raddoppiarlo, con ingresso in parallelo su Vin e doppia uscita. Quello che non mi torna troppo è appunto l'impedenza di ingresso "totale" sotto i 10k ... non so se può causare problemi all'uscita della scheda audio del PC.
Rload per una uscita è costituita dalla cuffia, per l'altra è l'ingresso di un secondo stadio preamplificatore.
Voi che ne dite?
29 messaggi
• Pagina 1 di 3 • 1, 2, 3
Torna a Elettronica e spettacolo
Chi c’è in linea
Visitano il forum: Nessuno e 19 ospiti

Elettrotecnica e non solo (admin)
Un gatto tra gli elettroni (IsidoroKZ)
Esperienza e simulazioni (g.schgor)
Moleskine di un idraulico (RenzoDF)
Il Blog di ElectroYou (webmaster)
Idee microcontrollate (TardoFreak)
PICcoli grandi PICMicro (Paolino)
Il blog elettrico di carloc (carloc)
DirtEYblooog (dirtydeeds)
Di tutto... un po' (jordan20)
AK47 (lillo)
Esperienze elettroniche (marco438)
Telecomunicazioni musicali (clavicordo)
Automazione ed Elettronica (gustavo)
Direttive per la sicurezza (ErnestoCappelletti)
EYnfo dall'Alaska (mir)
Apriamo il quadro! (attilio)
H7-25 (asdf)
Passione Elettrica (massimob)
Elettroni a spasso (guidob)
Bloguerra (guerra)




