Salve a tutti.
Dopo un paio d'anni di onorato servizio, da qualche settimana sto avendo un problema con un chip DRV134PA che ho usato per bilanciare una sorgente audio sbilanciata. Dopo 10-20 minuti che l'apparecchio è acceso (e funziona correttamente) si innesca un fastidioso ronzio che aumenta e diminuisce in modo proporzionale all'aumento/diminuzione del volume. Se bypasso completamente la piccola PCB dove è alloggiato il DRV134, lasciando quindi l'uscita sbilanciata, il ronzio sparisce. La PCB l'ho fatta io amatorialmente, ho controllato tutte le saldature e sembra tutto OK, inoltre non mi ha mai dato problemi prima d'ora.
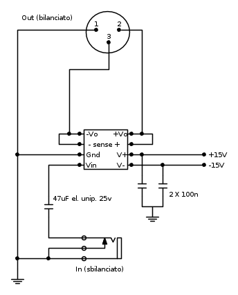
Il circuito è estremamente semplice, mi sono basato sul datasheet del DRV134, in pratica ci sono 2 condensatori in poliestere da 1uF che fanno da bypass sull'alimentazione (+15V, -15V) più 2 condensatori elettrolitici bipolari da 10uF che stanno tra i pin di uscita del segnale audio e i pin "sense".
Ho provato ad eliminare il collegamento di massa dal connettore XLR di uscita del DRV134, in modo da effettuare il cosiddetto "ground lift", ma il ronzio rimane. In ogni caso, nonostante il ronzio, sembra che il DRV134 continui a funzionare "normalmente", senza distorsioni o altre anomalie.
Vorrei sapere se qualcuno ha mai avuto esperienze di questo tipo con questo chip e se eventualmente c'è un modo per testare il DRV134 (per essere sicuri che sia effettivamente lui il responsabile) prima di ordinarne uno nuovo.
Grazie
Problema con un integrato DRV134PA
Moderatore:
IsidoroKZ
14 messaggi
• Pagina 1 di 2 • 1, 2
1
voti
Mi scuso per la rudimentalità del disegno, ma normalmente non uso FidoCad... 

0
voti
Ciao, la modifica che ho apportato io è stata solo questa, ovvero ho aggiunto questa piccola PCB per bilanciare il segnale nello stadio finale, tutto il resto è un prodotto commerciale di cui non possiedo gli schemi.
Come ho detto prima, se elimino la piccola PCB che ho realizzato io (ovvero lo schema che vedete sopra), l'uscita rimane sbilanciata com'era originariamente e il ronzio sparisce completamente.
Ho esaminato la mia PCB e non ci sono anomalie... ho anche misurato tutti e 4 i condensatori che ci sono e vanno bene anche quelli... ecco perché sono abbastanza certo che il responsabile sia il DRV134.
Per questo motivo chiedevo se qualcuno ha avuto esperienze simili con questo chip... perché per 2 anni ha funzionato senza problemi.
Come ho detto prima, se elimino la piccola PCB che ho realizzato io (ovvero lo schema che vedete sopra), l'uscita rimane sbilanciata com'era originariamente e il ronzio sparisce completamente.
Ho esaminato la mia PCB e non ci sono anomalie... ho anche misurato tutti e 4 i condensatori che ci sono e vanno bene anche quelli... ecco perché sono abbastanza certo che il responsabile sia il DRV134.
Per questo motivo chiedevo se qualcuno ha avuto esperienze simili con questo chip... perché per 2 anni ha funzionato senza problemi.
0
voti
Beh, se prima funzionava e lo schema e' quello, non ti resta che cambiare l'IC.
Se poi accetti un parere, io quel circuito aggiunto, proprio lo toglierei
Se poi accetti un parere, io quel circuito aggiunto, proprio lo toglierei
marco
0
voti
In effetti all'epoca scelsi il DRV134 perché avevo sempre letto pareri positivi, ma ignoravo l'esistenza delle linee bilanciate cosiddette "impedance balanced", altrimenti avrei da subito optato per questa che è decisamente più semplice da realizzare.
Ma esattamente cosa non ti convince? Si potrebbe migliorare il circuito o proprio non sei un fan del DRV134?
Ma esattamente cosa non ti convince? Si potrebbe migliorare il circuito o proprio non sei un fan del DRV134?
0
voti
Dicesi Cross-Coupled....
Personalmente avrei usato questo schema, Ciao.
Personalmente avrei usato questo schema, Ciao.
14 messaggi
• Pagina 1 di 2 • 1, 2
Torna a Elettronica e spettacolo
Chi c’è in linea
Visitano il forum: Nessuno e 9 ospiti

Elettrotecnica e non solo (admin)
Un gatto tra gli elettroni (IsidoroKZ)
Esperienza e simulazioni (g.schgor)
Moleskine di un idraulico (RenzoDF)
Il Blog di ElectroYou (webmaster)
Idee microcontrollate (TardoFreak)
PICcoli grandi PICMicro (Paolino)
Il blog elettrico di carloc (carloc)
DirtEYblooog (dirtydeeds)
Di tutto... un po' (jordan20)
AK47 (lillo)
Esperienze elettroniche (marco438)
Telecomunicazioni musicali (clavicordo)
Automazione ed Elettronica (gustavo)
Direttive per la sicurezza (ErnestoCappelletti)
EYnfo dall'Alaska (mir)
Apriamo il quadro! (attilio)
H7-25 (asdf)
Passione Elettrica (massimob)
Elettroni a spasso (guidob)
Bloguerra (guerra)







