Cos'è ElectroYou | Login Iscriviti

ElectroYou - la comunità dei professionisti del mondo elettrico

margine di fase

Elettronica lineare e digitale: didattica ed applicazioni

Moderatori: Foto Utentecarloc, Foto Utenteg.schgor, Foto UtenteBrunoValente, Foto UtenteIsidoroKZ

0
voti

[1] margine di fase

Messaggioda Foto Utentegiulia87 » 21 set 2012, 19:10

Ciao a tutti!
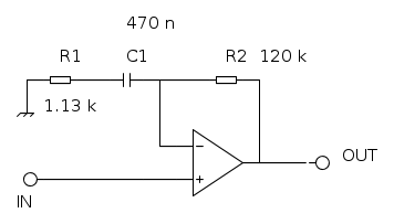
vorrei calcolare il margine di fase del seguente circuito. L'opamp in questione è http://www.analog.com/en/all-operational-amplifiers-op-amps/operational-amplifiers-op-amps/op4177/products/product.html.



Dalla teoria, ho studiato che dovrei calcolare il guadagno ad anello aperto e vedere quanto vale la fase quando il modulo del guadagno d'anello è unitario e poi sottrarre tale valore a 180°..se il risultato è positivo è confortante, poiché indica stabilità..qualcuno mi conferma questo modo di procedere? conoscete un modo per simulare l'anello aperto?
grazie O_/
Avatar utente
Foto Utentegiulia87
125 1 2 7
Stabilizzato
Stabilizzato
 
Messaggi: 393
Iscritto il: 14 apr 2011, 21:47

2
voti

[2] Re: margine di fase

Messaggioda Foto Utenteg.schgor » 22 set 2012, 7:44

giulia87 ha scritto:qualcuno mi conferma questo modo di procedere?

Sì, devi ricavare la funzione di trasferimento e da questa i diagrammi di Bode
del modulo e della fase (o almeno calcolare la fase corrispondente al guadagno
unitario). Per ridurre le pendolazioni, il valore deve essere abbastanza al disotto
dei 180°)
giulia87 ha scritto:conoscete un modo per simulare l'anello aperto?

Quasi tutti i simulatori permettono di ricavare direttamente i diagrammi di
Bode direttamente dal circuito. ma la difficoltà sta nel fatto che il simulatore
abbia nella sua libreria proprio l'opamp scelto.
Avatar utente
Foto Utenteg.schgor
57,8k 9 12 13
G.Master EY
G.Master EY
 
Messaggi: 16971
Iscritto il: 25 ott 2005, 9:58
Località: MILANO

0
voti

[3] Re: margine di fase

Messaggioda Foto Utentegiulia87 » 22 set 2012, 8:11

g.schgor ha scritto:Sì, devi ricavare la funzione di trasferimento e da questa i diagrammi di Bode
del modulo e della fase

Grazie,
ti riferisci alla funzione di trasferimento dell'anello aperto vero?
Io utilizzo LTSpice, ma non riesco a simulare l'anello aperto..cioè dovrei tagliare l'anello e posizionare l'uscita sul morsetto meno e dirgli di calcolare il trasferimento da ingresso ad uscita...?

Un'altra cosa: guardando il datasheet dell'Opamp, come ricavo quale sia la frequenza di taglio dell'amplificatore operazionale? Io trovo soltanto che il guadagno è superiore a 120 dB (10^6) ed il GBWP è di 1.3 MHz...quindi è corretto dedurre che l'opamp presenta al suo interno un polo (o più poli) alla frequenza di 1.3 MHz/10^6 = 1.3 ?

:D thank you!!
Avatar utente
Foto Utentegiulia87
125 1 2 7
Stabilizzato
Stabilizzato
 
Messaggi: 393
Iscritto il: 14 apr 2011, 21:47

0
voti

[4] Re: margine di fase

Messaggioda Foto Utentebelva87 » 22 set 2012, 8:18

g.schgor ha scritto:... ma la difficoltà sta nel fatto che il simulatoreabbia nella sua libreria proprio l'opamp scelto.

Non sono molto esperto in questo aspetto dello Spice (LTSpice) ma so che alcuni produttori mettono a disposizione in rete i modelli dei propri dispositivi e che si possono integrare nello Spice attraverso alcuni passaggi non troppo complessi, se ci son riuscito io :roll: con una guida e l'help del programma sicuramente puoi riuscirci anche tu e indubbiamente altri colleghi di forum possono darti delle dritte in merito perché sono più esperti nell'uso del simulatore.

Ho però trovato in rete questo calcolatore che è molto interessante sia per la varietà di filtri che risolve sia per le informazioni che fornisce a riguardo, tra le quali anche i diagrammi di bode di modulo e fase, dando al progettista diversi form di input permettendo così il design/studio del circuito imponendo differenti parametri.
Riporto per completezza anche la home page del sito, torna utile ;-)

Ciao, Luca.
Avatar utente
Foto Utentebelva87
2.292 2 6 12
free expert
 
Messaggi: 1323
Iscritto il: 9 mag 2011, 15:01

0
voti

[5] Re: margine di fase

Messaggioda Foto Utentegiulia87 » 22 set 2012, 8:32

belva87 ha scritto:Non sono molto esperto in questo aspetto dello Spice (LTSpice) ma so che alcuni produttori mettono a disposizione in rete i modelli dei propri dispositivi e che si possono integrare nello Spice attraverso alcuni passaggi non troppo complessi, se ci son riuscito io

per questo non c'è problema, perché l'ho già inserito tempo fa :mrgreen:

belva87 ha scritto:Ho però trovato in rete questo calcolatore

Ho visto..si è molto utile! calcola anche il margine di fase..nel mio caso viene "phase margin: NaN, il circuito non oscilla"... soltanto che non posso mettere il modello dell'opamp..ora studio se in LTspice si può in qualche modo ricavare il phase margin..
grazie luca!
Avatar utente
Foto Utentegiulia87
125 1 2 7
Stabilizzato
Stabilizzato
 
Messaggi: 393
Iscritto il: 14 apr 2011, 21:47

5
voti

[6] Re: margine di fase

Messaggioda Foto UtenteDirtyDeeds » 22 set 2012, 9:15

Determinare il margine di fase di quel circuito è piuttosto semplice: basta disegnare il diagramma di Bode di 1/\beta, l'inverso del fattore di reazione, e sovrapporlo al grafico di figura 32 del data sheet. Il punto dove il guadagno ad anello aperto incrocia il grafico di 1/\beta ti dà la frequenza di incrocio: in corrispondenza di questa frequenza, il grafico della fase letto sulla scala di destra ti dà direttamente il margine di fase.

Comunque non è difficile vedere che quell'amplificatore è stabile.

Qui trovi una macro che avevo fatto per LTSpice per la determinazione del guadagno d'anello con il metodo di Middlebrook. Nel .zip ci dovrebbe essere anche un esempio d'uso.
It's a sin to write sin instead of \sin (Anonimo).
...'cos you know that cos ain't \cos, right?
You won't get a sexy tan if you write tan in lieu of \tan.
Take a log for a fireplace, but don't take log for \logarithm.
Avatar utente
Foto UtenteDirtyDeeds
55,9k 7 11 13
G.Master EY
G.Master EY
 
Messaggi: 7012
Iscritto il: 13 apr 2010, 16:13
Località: Somewhere in nowhere

0
voti

[7] Re: margine di fase

Messaggioda Foto Utentegiulia87 » 22 set 2012, 10:24

Ora ci provo! Grazie mille Foto UtenteDirtyDeeds!
Avatar utente
Foto Utentegiulia87
125 1 2 7
Stabilizzato
Stabilizzato
 
Messaggi: 393
Iscritto il: 14 apr 2011, 21:47

0
voti

[8] Re: margine di fase

Messaggioda Foto Utentebelva87 » 22 set 2012, 13:57

Se fai come dice Foto UtenteDirtyDeeds va bene.
Credo che il simulatore online ti indichi la non oscillazione perché il sistema non è a rischio instabilità, però bisogna sapere bene "come ragiona e cosa intende" quel tool.
Se hai problemi potrebbe dipendere dal guadagno elevato, una minima componente che il circuito "pesca" in assenza di ingresso viene amplificata e te la ritrovi in uscita.
Ma è una mia idea, poi dipende da tante altre cose che da qui è dura valutare.
Avatar utente
Foto Utentebelva87
2.292 2 6 12
free expert
 
Messaggi: 1323
Iscritto il: 9 mag 2011, 15:01

0
voti

[9] Re: margine di fase

Messaggioda Foto Utentegiulia87 » 22 set 2012, 19:22

DirtyDeeds ha scritto:Determinare il margine di fase di quel circuito è piuttosto semplice: basta disegnare il diagramma di Bode di 1/\beta, l'inverso del fattore di reazione, e sovrapporlo al grafico di figura 32 del data sheet. Il punto dove il guadagno ad anello aperto incrocia il grafico di 1/\beta ti dà la frequenza di incrocio: in corrispondenza di questa frequenza, il grafico della fase letto sulla scala di destra ti dà direttamente il margine di fase.


Foto UtenteDirtyDeeds, ho provato in questo modo. Tuttavia, mi risulta che il modulo dell'inverso del fattore di reazione interseca quello dell'anello aperto dell'opamp per frequenze superiori a quelle mostrate nel grafico del datasheet..e quindi non so la fase in corrispondenza di questo incrocio..cioè sicuramente è negativa. Quindi questo valore, negativo, è il margine di fase? ma allora non è instabile? :oops:

O forse per inverso del fattore di reazione ho considerato il fattore di reazione..cioè io ho considerato il trasferimento dall uscita dell'opamp a ritroso, fino al morsetto meno...
Ultima modifica di Foto Utentegiulia87 il 22 set 2012, 19:24, modificato 1 volta in totale.
Avatar utente
Foto Utentegiulia87
125 1 2 7
Stabilizzato
Stabilizzato
 
Messaggi: 393
Iscritto il: 14 apr 2011, 21:47

0
voti

[10] Re: margine di fase

Messaggioda Foto UtenteDirtyDeeds » 22 set 2012, 19:24

Direi che hai sbagliato qualcosa: riporta qui il conto che hai fatto del fattore di reazione (in LaTeX, indeed).
It's a sin to write sin instead of \sin (Anonimo).
...'cos you know that cos ain't \cos, right?
You won't get a sexy tan if you write tan in lieu of \tan.
Take a log for a fireplace, but don't take log for \logarithm.
Avatar utente
Foto UtenteDirtyDeeds
55,9k 7 11 13
G.Master EY
G.Master EY
 
Messaggi: 7012
Iscritto il: 13 apr 2010, 16:13
Località: Somewhere in nowhere

Prossimo

Torna a Elettronica generale

Chi c’è in linea

Visitano il forum: Nessuno e 44 ospiti