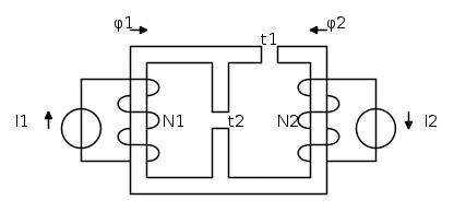
parlando sempre di mutua induzione e flussi concatenati:
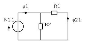
il cui circuito equivalente è:
è giusto in questo caso scrivere:

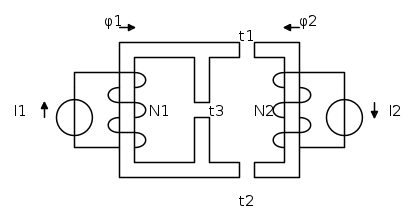
altro esempio:
il circuito equivalente sarebbe:

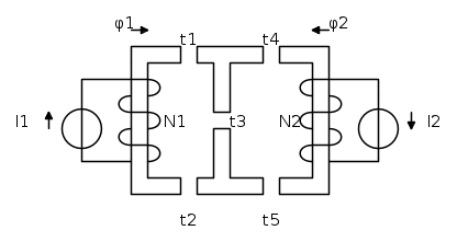
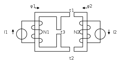
penultimo caso:
il circuito equivalente è:

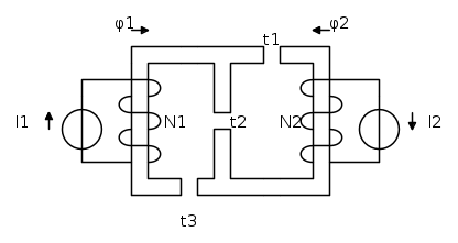
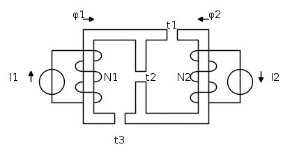
ultimo esempio:
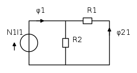
il solito circuito equivalente è:
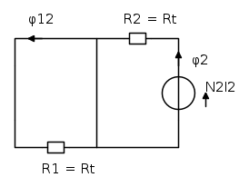
e in questo caso dovrebbe risultare:

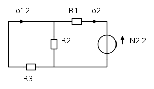
ora... nel nostro caso abbiamo:
con circuito equivalente:
come si comporta il flusso dato che c'è un ramo in cortocircuito?
(spero di non aver fatto troppi errori e una domanda troppo idiota)

Elettrotecnica e non solo (admin)
Un gatto tra gli elettroni (IsidoroKZ)
Esperienza e simulazioni (g.schgor)
Moleskine di un idraulico (RenzoDF)
Il Blog di ElectroYou (webmaster)
Idee microcontrollate (TardoFreak)
PICcoli grandi PICMicro (Paolino)
Il blog elettrico di carloc (carloc)
DirtEYblooog (dirtydeeds)
Di tutto... un po' (jordan20)
AK47 (lillo)
Esperienze elettroniche (marco438)
Telecomunicazioni musicali (clavicordo)
Automazione ed Elettronica (gustavo)
Direttive per la sicurezza (ErnestoCappelletti)
EYnfo dall'Alaska (mir)
Apriamo il quadro! (attilio)
H7-25 (asdf)
Passione Elettrica (massimob)
Elettroni a spasso (guidob)
Bloguerra (guerra)













