Salve, durante la costruzione di un semplice circuito per attivare un relè 12 V tramite un npn (BC238) mi sono imbattuto in un problema, ovvero la polarizzazione della base doveva avvenire prevevando tensione in parallelo ad un mini LED ad 1.8 V in un circuito SMD; il relè si attivava, ma riducendo la (limitata) corrente erogata al led, quasi lo spegneva.
Allora, avendo un opto tipo cny17-3 ho provato a mettere in parallelo al LED esistente l'input opto ed ho collegato l'out in darlington al BC238, ottenendo comunque sempre lo spegnimento quasi totale del LED. Avendo dedotto che il led e/o la base del 238 "rubano" troppa corrente al circuito originario stavo per abbandonare l'idea quando, toccando involontariamente con il dito il piedino 6 del cny17 (base tr), ciò ha attivato immediatamente il relè.
Allora ho applicato, tramite una R da 1 MOhm il segnale prelevato dal LED direttamnete alla bare del transistor integrato nell'opto, raggiungendo lo scopo, ovvero attivando il relè senza causare cali prestazionali al LED.
Qualcuno sa spiegarmi il perché della cosa (tra l'altro sui datasheet non capisco quale valore è importante per determinare la sensibilità di polarizzazione della base)?
Grazie
"sensibilità" di un transistor
Moderatori:
carloc,
g.schgor,
BrunoValente,
IsidoroKZ
38 messaggi
• Pagina 1 di 4 • 1, 2, 3, 4
0
voti
5
voti
Se avessi fatto uno schema si sarebbe capito meglio!
Fra base ed emettitore di un transistore c'e` una giunzione pn: ai capi di questa giunzione, quando fa passare corrente, c'e` al massimo la tensione di un volt molto scarso (o mezzo volt abbondante). Se cerchi di aumentare questa tensione pompando piu` corrente nella giunzione, la rompi.
Se metti questa giunzione, che in pratica fa da limitatore di tensione, in parallelo a un led che ha bisogno di un paio di volt per funzionare, hai che il transistore si accende, ma sul led resta una tensione minore di 1V e il led si spegne.
Il transistore non si rompe perche' il led e` alimentato a corrente limitata cosa che va bene anche per il transistor.
Se invece metti una resistenza in serie alla base puoi avere una corrente per il transistore, che si accende, ma sull'altro lato della resistenza c'e` una tensione maggiore, che tiene acceso il led.
Ulteriori spiegazioni richiedono uno schema con valori fatto con fidocadj e la conoscenza da parte tua di legge di Ohm, somma delle tensioni e funzionamento di un transistore/optoisolatore.
Fra base ed emettitore di un transistore c'e` una giunzione pn: ai capi di questa giunzione, quando fa passare corrente, c'e` al massimo la tensione di un volt molto scarso (o mezzo volt abbondante). Se cerchi di aumentare questa tensione pompando piu` corrente nella giunzione, la rompi.
Se metti questa giunzione, che in pratica fa da limitatore di tensione, in parallelo a un led che ha bisogno di un paio di volt per funzionare, hai che il transistore si accende, ma sul led resta una tensione minore di 1V e il led si spegne.
Il transistore non si rompe perche' il led e` alimentato a corrente limitata cosa che va bene anche per il transistor.
Se invece metti una resistenza in serie alla base puoi avere una corrente per il transistore, che si accende, ma sull'altro lato della resistenza c'e` una tensione maggiore, che tiene acceso il led.
Ulteriori spiegazioni richiedono uno schema con valori fatto con fidocadj e la conoscenza da parte tua di legge di Ohm, somma delle tensioni e funzionamento di un transistore/optoisolatore.
Per usare proficuamente un simulatore, bisogna sapere molta più elettronica di lui
Plug it in - it works better!
Il 555 sta all'elettronica come Arduino all'informatica! (entrambi loro malgrado)
Se volete risposte rispondete a tutte le mie domande
Plug it in - it works better!
Il 555 sta all'elettronica come Arduino all'informatica! (entrambi loro malgrado)
Se volete risposte rispondete a tutte le mie domande
0
voti
Innanzi tutto grazie per la risposta, purtroppo ora non ho con me la sorgente fidocad ma allego un png.
Allo schema che ho postato in pratica se elimino la R da 480 ohm e collego il + in tramite una R da 1 M direttamente sulla base del transistor integrato nell'opto, ho che tutto funziona, se lascio lo schema così oppure elimino l'opto e polarizzo il transistor TR1 (BC 238) si spegne il mini LED dai cui capi prelevo il segnale di input.
Sicuramente non sono particolarmente ferrato in materia anche se per passione mi diletto da anni, sono autodidatta spesso con buoni risultati finali, anche se la teoria... vabbè, la legge di Ohm counque la conosco
Pongo la domanda proprio perché voglio CAPIRE, una volta tanto...
EDIT gohan: eliminata immagine riproposta nel post successivo.
Allo schema che ho postato in pratica se elimino la R da 480 ohm e collego il + in tramite una R da 1 M direttamente sulla base del transistor integrato nell'opto, ho che tutto funziona, se lascio lo schema così oppure elimino l'opto e polarizzo il transistor TR1 (BC 238) si spegne il mini LED dai cui capi prelevo il segnale di input.
Sicuramente non sono particolarmente ferrato in materia anche se per passione mi diletto da anni, sono autodidatta spesso con buoni risultati finali, anche se la teoria... vabbè, la legge di Ohm counque la conosco
Pongo la domanda proprio perché voglio CAPIRE, una volta tanto...
EDIT gohan: eliminata immagine riproposta nel post successivo.
0
voti
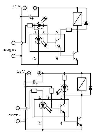
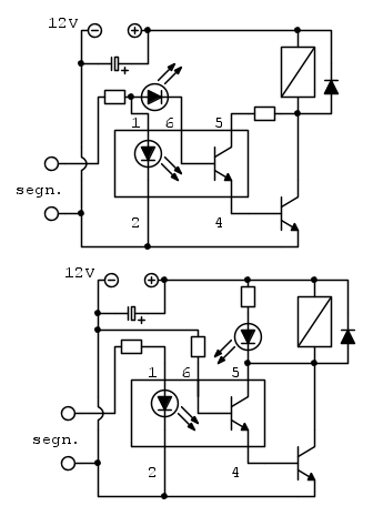
Preciso le connessioni:
OPTO
piedini 1-2 led
piedino 3 N.C.
piedino 4 TR Emettitore
piedino 5 TR Collettore
Piedino 6 TR Base
Purtroppo la R utilizzata inizialmente per polarizzare direttamente il 238 provocava comunque caduta di tensione sul led, se aumentavo troppo R alla fine non si attivava più il relè.
Invece sfruttando il TR interno all'opto riesco a polarizzare con una R di base alta che non provoca caduta di tensione ai capi del led.
Tra l'altro preciso che il segnale lo prelevo ai capi del led ma a monte della R di limitazione della corrente del led stesso.
re invio opportunamente dimensionata la foto png
OPTO
piedini 1-2 led
piedino 3 N.C.
piedino 4 TR Emettitore
piedino 5 TR Collettore
Piedino 6 TR Base
Purtroppo la R utilizzata inizialmente per polarizzare direttamente il 238 provocava comunque caduta di tensione sul led, se aumentavo troppo R alla fine non si attivava più il relè.
Invece sfruttando il TR interno all'opto riesco a polarizzare con una R di base alta che non provoca caduta di tensione ai capi del led.
Tra l'altro preciso che il segnale lo prelevo ai capi del led ma a monte della R di limitazione della corrente del led stesso.
re invio opportunamente dimensionata la foto png
0
voti
Ragazzi forse mi son spiegato male io...
Quello che voglio dire è:
Applicando il segnale presente ai capi di un diodo led sulla base di un transistor BC238 o anche 547, ovviamente tramite una resistenza, ottengo un notevole abbassamento della luminosità del led stesso; stessa cosa accade se applico lo stesso segnale in parallelo al led di un optoisolatore cny17.
Ora, se invece questo segnale lo applico sulla base del fototransistor contenuto nell'opto, utilizzando una resistenza anche di alto valore (fino a 1,8 megaOhm), ottengo la saturazione, quindi deduco che la base del fototransistor ha una alta "sensibilità", mentre i transistor che ho utilizzato io hanno una "sensibilità" più bassa.
Questo dato io non l'ho trovato nei datasheet dei transistor (anche per ignoranza), ma mi piacerebbe che qualcuno mi spiegasse questa cosa e come riconoscere (anche tramite datash.) questo preciso valore in modo da acquistare i transistor più "sensibili", adatti al mio scopo, anzichè sacrificare un optoisolatore per usarne, in modo improprio, solo il transistor.
Un grazie anticipato a quanti mi risponderanno e delucideranno, grazie ad IsidoroKZ per averlo già fatto!
Quello che voglio dire è:
Applicando il segnale presente ai capi di un diodo led sulla base di un transistor BC238 o anche 547, ovviamente tramite una resistenza, ottengo un notevole abbassamento della luminosità del led stesso; stessa cosa accade se applico lo stesso segnale in parallelo al led di un optoisolatore cny17.
Ora, se invece questo segnale lo applico sulla base del fototransistor contenuto nell'opto, utilizzando una resistenza anche di alto valore (fino a 1,8 megaOhm), ottengo la saturazione, quindi deduco che la base del fototransistor ha una alta "sensibilità", mentre i transistor che ho utilizzato io hanno una "sensibilità" più bassa.
Questo dato io non l'ho trovato nei datasheet dei transistor (anche per ignoranza), ma mi piacerebbe che qualcuno mi spiegasse questa cosa e come riconoscere (anche tramite datash.) questo preciso valore in modo da acquistare i transistor più "sensibili", adatti al mio scopo, anzichè sacrificare un optoisolatore per usarne, in modo improprio, solo il transistor.
Un grazie anticipato a quanti mi risponderanno e delucideranno, grazie ad IsidoroKZ per averlo già fatto!
0
voti
Procediamo per gradi:
http://www.datasheetcatalog.org/datashe ... /BC238.pdf
avendo Vcc = 12V e Vbb = 1,8 V
volendo pilotare direttamente il transistor BC238 per eccitare il relais
Se poniamo Ic= 80mA (carico relais)
Abbiamo Ibsat= Ic (A)/hFEmin (datasheet)= 0,80/180=0,044
Rc=Vcc-Vce/Ic= 12-0,2/0,80= 14,75 ohm
Rb= Vbb-Vbe (datash.)/Ibsat= 1,8-0,7/0,0044= 250 ohm
i calcoli sono giusti?
Con questa configurazione il LED dai cui capi prelevo Vbb si spegne (quasi)...
invece pilotando il BC 238 tramite il transistor interno all'opto riesco a risolvere il problema, anche se non capisco il perché, utilizzando una Rb di alto valore ohmico trovato per prove...
Per favore se qualcuno è in grado di farmi capire il problema lo faccia
http://www.datasheetcatalog.org/datashe ... /BC238.pdf
avendo Vcc = 12V e Vbb = 1,8 V
volendo pilotare direttamente il transistor BC238 per eccitare il relais
Se poniamo Ic= 80mA (carico relais)
Abbiamo Ibsat= Ic (A)/hFEmin (datasheet)= 0,80/180=0,044
Rc=Vcc-Vce/Ic= 12-0,2/0,80= 14,75 ohm
Rb= Vbb-Vbe (datash.)/Ibsat= 1,8-0,7/0,0044= 250 ohm
i calcoli sono giusti?
Con questa configurazione il LED dai cui capi prelevo Vbb si spegne (quasi)...
invece pilotando il BC 238 tramite il transistor interno all'opto riesco a risolvere il problema, anche se non capisco il perché, utilizzando una Rb di alto valore ohmico trovato per prove...
Per favore se qualcuno è in grado di farmi capire il problema lo faccia
0
voti
ooops,
però, anche con le opportune correzioni, il problema rimane...
però, anche con le opportune correzioni, il problema rimane...
0
voti
il primo circuito è quello che hai fatto tu(se ci sono errori correggimi),il secondo è come lo farei io:
38 messaggi
• Pagina 1 di 4 • 1, 2, 3, 4
Chi c’è in linea
Visitano il forum: Nessuno e 62 ospiti

Elettrotecnica e non solo (admin)
Un gatto tra gli elettroni (IsidoroKZ)
Esperienza e simulazioni (g.schgor)
Moleskine di un idraulico (RenzoDF)
Il Blog di ElectroYou (webmaster)
Idee microcontrollate (TardoFreak)
PICcoli grandi PICMicro (Paolino)
Il blog elettrico di carloc (carloc)
DirtEYblooog (dirtydeeds)
Di tutto... un po' (jordan20)
AK47 (lillo)
Esperienze elettroniche (marco438)
Telecomunicazioni musicali (clavicordo)
Automazione ed Elettronica (gustavo)
Direttive per la sicurezza (ErnestoCappelletti)
EYnfo dall'Alaska (mir)
Apriamo il quadro! (attilio)
H7-25 (asdf)
Passione Elettrica (massimob)
Elettroni a spasso (guidob)
Bloguerra (guerra)





