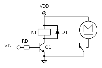
Buongiorno a tutti, vorrei sapere se questo circuito di pilotaggio è corretto, se è corretto vorrei sapere se il calcolo della Rb è corretto?
Ic= Vcc/Rc dove Rc viene misurata
Ic=hFE * Ib ==>Ib=Ic/hFE
Ib>Ic/hfe
Rb=Vin/Ib
L'hFE la prendo dal datasheet, devo prendere il valore massimo o minimo?
Grazie
circuito di interfaccia
Moderatori:
carloc,
g.schgor,
BrunoValente,
IsidoroKZ
6 messaggi
• Pagina 1 di 1
2
voti
"Houston, Tranquillity Base here. The Eagle has landed." - Neil A.Armstrong
-------------------------------------------------------------
PIC Experience - http://www.picexperience.it
-------------------------------------------------------------
PIC Experience - http://www.picexperience.it
-

Paolino
32,6k 8 12 13 - G.Master EY

- Messaggi: 4226
- Iscritto il: 20 gen 2006, 11:42
- Località: Vigevano (PV)
0
voti
Ho usato fidocad, solo che ho salvato come bitmap e non accettava il formato allora ho catturato l'immagine e l'ho postata. La prossima volta rimedierò, perdonatemi; riguardo la mia domanda c'è qualcuno che può darmi una mano? Grazie
1
voti





6 messaggi
• Pagina 1 di 1
Chi c’è in linea
Visitano il forum: Nessuno e 195 ospiti

Elettrotecnica e non solo (admin)
Un gatto tra gli elettroni (IsidoroKZ)
Esperienza e simulazioni (g.schgor)
Moleskine di un idraulico (RenzoDF)
Il Blog di ElectroYou (webmaster)
Idee microcontrollate (TardoFreak)
PICcoli grandi PICMicro (Paolino)
Il blog elettrico di carloc (carloc)
DirtEYblooog (dirtydeeds)
Di tutto... un po' (jordan20)
AK47 (lillo)
Esperienze elettroniche (marco438)
Telecomunicazioni musicali (clavicordo)
Automazione ed Elettronica (gustavo)
Direttive per la sicurezza (ErnestoCappelletti)
EYnfo dall'Alaska (mir)
Apriamo il quadro! (attilio)
H7-25 (asdf)
Passione Elettrica (massimob)
Elettroni a spasso (guidob)
Bloguerra (guerra)



