zo - Open-loop output impedance - f = 1 MHz - 25C = 80 Ω
che in termini pratici, utilizzando l'opamp in configurazione buffer audio vuole dire che esce un reale impedenza d' uscita di ???
grazie
zo - Open-loop output impedance
Moderatore:
IsidoroKZ
10 messaggi
• Pagina 1 di 1
1
voti
Ciao
francos.
Forse, se indichi a quale tipo di operazionale ti riferisci faciliti le eventuali risposte.
Ancora meglio se posti il link al datasheet dell' operazionale in questione.
Forse, se indichi a quale tipo di operazionale ti riferisci faciliti le eventuali risposte.
Ancora meglio se posti il link al datasheet dell' operazionale in questione.
0
voti
mrc ha scritto:Forse, se indichi a quale tipo di operazionale ti riferisci
Hai ragione,
TLE2074 C N
http://www.ti.com/product/tle2074
3
voti
francos ha scritto:zo - Open-loop output impedance - f = 1 MHz - 25C = 80 Ω
che in termini pratici, utilizzando l'opamp in configurazione buffer audio [...]
A quale circuito ti riferisci esattamente? Il datasheet fa riferimento ad un anello aperto, ma il "buffer audio" che non si sà di che circuito si tratta esattamente (schema) potrebbe essere ad anello chiuso.
3
voti
Condividendo quello che hai scritto [user]gohan[/user], aggiungo una informazione:
A pag 65 del datasheet è riportato il seguente grafico:
in cui si mette in evidenza il valore dell' impedenza di uscita, in loop chiuso, al variare della frequenza del segnale e al variare del guadagno.
gohan ha scritto:..potrebbe essere ad anello chiuso.
A pag 65 del datasheet è riportato il seguente grafico:
in cui si mette in evidenza il valore dell' impedenza di uscita, in loop chiuso, al variare della frequenza del segnale e al variare del guadagno.
4
voti
Nel data sheet, fig. 68 c'e` l'andamento della Zout al variare della frequenza. A 20kHz e` di circa 0.15Ω induttiva, quindi si comporta come una induttanza da 1µH. A 20Hz e` probabilmente dalle parti dei milliohm, praticamente resistiva.
Per usare proficuamente un simulatore, bisogna sapere molta più elettronica di lui
Plug it in - it works better!
Il 555 sta all'elettronica come Arduino all'informatica! (entrambi loro malgrado)
Se volete risposte rispondete a tutte le mie domande
Plug it in - it works better!
Il 555 sta all'elettronica come Arduino all'informatica! (entrambi loro malgrado)
Se volete risposte rispondete a tutte le mie domande
0
voti
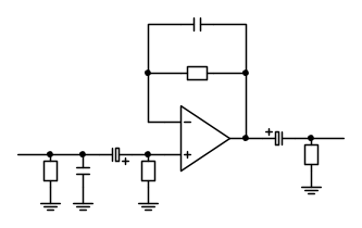
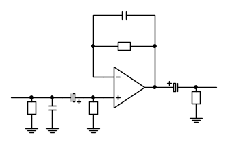
gohan ha scritto: (schema) potrebbe essere ad anello chiuso.
...tipo questo....
5
voti
Nel circuito postato la rete RC in retroazione non serve quasi a nulla, perche' non e` attraversata da corrente e non da` nessun contributo alla funzione di trasferimento.
Nel grafico dicono il guadagno dell'operazionale (in realta` e` il noise gain) e basta per capire come sono state tracciate le curve.
Nel grafico dicono il guadagno dell'operazionale (in realta` e` il noise gain) e basta per capire come sono state tracciate le curve.
Per usare proficuamente un simulatore, bisogna sapere molta più elettronica di lui
Plug it in - it works better!
Il 555 sta all'elettronica come Arduino all'informatica! (entrambi loro malgrado)
Se volete risposte rispondete a tutte le mie domande
Plug it in - it works better!
Il 555 sta all'elettronica come Arduino all'informatica! (entrambi loro malgrado)
Se volete risposte rispondete a tutte le mie domande
0
voti
IsidoroKZ ha scritto:Nel circuito postato la rete RC in retroazione non serve quasi a nulla,
è un 10 pF perché in realtà ci stavo studiando e ragionando su eventuali ritardi di fase e relative compensazioni.
Sempre riguardo l'impedenza, qui sul mio blog di EY ho postato una tabella delle varie prove che sto conducendo (nei limiti delle mie capacità) , tempo perso o meno ...comunque 'trafficando' con qualche buon libro accanto e un po di pazienza si impara sempre qualcosina sull'impedenza.
10 messaggi
• Pagina 1 di 1
Torna a Elettronica e spettacolo
Chi c’è in linea
Visitano il forum: Nessuno e 28 ospiti

Elettrotecnica e non solo (admin)
Un gatto tra gli elettroni (IsidoroKZ)
Esperienza e simulazioni (g.schgor)
Moleskine di un idraulico (RenzoDF)
Il Blog di ElectroYou (webmaster)
Idee microcontrollate (TardoFreak)
PICcoli grandi PICMicro (Paolino)
Il blog elettrico di carloc (carloc)
DirtEYblooog (dirtydeeds)
Di tutto... un po' (jordan20)
AK47 (lillo)
Esperienze elettroniche (marco438)
Telecomunicazioni musicali (clavicordo)
Automazione ed Elettronica (gustavo)
Direttive per la sicurezza (ErnestoCappelletti)
EYnfo dall'Alaska (mir)
Apriamo il quadro! (attilio)
H7-25 (asdf)
Passione Elettrica (massimob)
Elettroni a spasso (guidob)
Bloguerra (guerra)






-