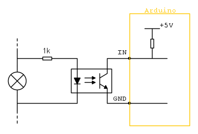
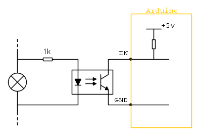
La lampada della folle non è comandata da Arduino, per far funzionare questa soluzione ci deve essere la lampada folle già presente sulla moto con il suo microswitch che poi viene letto da Arduino.
Per collegarla, c'ho ripensato, è meglio questa soluzione
almeno funziona sia nel caso la lampada sia collegata al +12V ed il microswitch chiuda verso il telaio sia viceversa.
Ed infine sì la pedalina torna "a metà" dove non impegna nessuno dei due switch up o down, naturalmente dovrai scrivere il programma in modo che gestisca correttamente le transizioni degli switch...
Contamarce
Moderatore:
Paolino
47 messaggi
• Pagina 3 di 5 • 1, 2, 3, 4, 5
0
voti
[22] Re: Contamarce
Buongiorno
grazie per i consigli ma le moto dove devo montare questi contamarce non hanno ne la lampadina ne l'impianto per la medesima.
Quindi mi sento in dovere, ahimè, di scartare questa soluzione.
COme già detto utilizzerò un'altra strada
se funziona ci ritroviamo diversi progetti per fare la medesima cosa e uno sceglie quale fare.
Ciauz
grazie per i consigli ma le moto dove devo montare questi contamarce non hanno ne la lampadina ne l'impianto per la medesima.
Quindi mi sento in dovere, ahimè, di scartare questa soluzione.
COme già detto utilizzerò un'altra strada
Ciauz
0
voti
[23] Re: Contamarce
comunque salvati e salviamoci questo materiale perché è veramente un ottimo progetto 

1
voti
[24] Re: Contamarce
Non è per essere pessimista ma, penso che il sistema sia poco affidabile. Non hai tenuto conto del fatto che potresti avere indicazioni sul display di un cambio marcia anche se per qualche motivo non è stata ingranata, metti che una cambiata eccessivamente rapida non sia andata a buon fine (è una ipotesi). Se non hai l' indicazione della folle, io proverei col metodo del confronto giri-velocità. Quando la velocità è uguale a zero, forzi la folle sul display.E' anche vero che finché non ti trovi fermo con la moto ma hai la folle innestata, il dispositivo non se ne accorge.Se non hai il tachimetro digitale, puoi utilizzare un sensore induttivo che legga ad esempio i bulloni che bloccano il disco freno oppure, puoi utilizzare un reed con relativo magnete. Se manca anche il contagiri, puoi prendere come riferimento gli impulsi che arrivano alla candela di accensione.
Secondo me, alla fine, risulta un lavoro più pulito. Non hai bisogno di cavi in giro fino alla pedalina ma quello per giri motore, che può essere ben nascosto, e forse quello per la velocità, l' unico che rimarrebbe visibile lungo la forcella.
Non ti voglio scoraggiare, ma sono dettagli a cui ho pensato per realizzarne uno per me. Prima o poi.
Ciao.
Secondo me, alla fine, risulta un lavoro più pulito. Non hai bisogno di cavi in giro fino alla pedalina ma quello per giri motore, che può essere ben nascosto, e forse quello per la velocità, l' unico che rimarrebbe visibile lungo la forcella.
Non ti voglio scoraggiare, ma sono dettagli a cui ho pensato per realizzarne uno per me. Prima o poi.
Ciao.
6
voti
[25] Re: Contamarce
Sì in effetti le tue critiche sono ragionevoli... il sistema non sarà affidabile al 100%, poi ci sarà da regolare attentamente i microswitch perché siano impegnati solo al fondocorsa della pedalina del cambio -in genere quando si "sfolla" è perché non si preme fino in fondo- ma comunque c'è di buono che il sistema si risincronizza sempre automaticamente quando metti in folle.
D'altra parte anche il sistema "rapporto dei giri" ha le sue criticità, primo si deve leggere le due velocità di rotazione con una risoluzione sufficiente a discriminare tutte le marce a qualsiasi regime di rotazione/velocità della moto.
Inoltre queste letture dovranno avere un "rate" -numero di aggiornamenti al secondo- abbastanza alto per avere un'indicazione che segua senza apprezzabili ritardi quello che succede.
Poi si devono limitare le derive: eviterei qualsiasi sistema analogico di conversione F/V ma utilizzerei solo letture digitali di frequenza o meglio di periodo.
Infine le soglie tra le varie marce dipenderanno dalla moto... ognuna ha rapporti diversi per ogni marcia, poi c'è la trasmissione pignone/corona ed infine il diametro della ruota: si deve fare un circuito personalizzabile facilmente.
Insomma si deve studiarci un po'.... e comunque ci saranno anche casi di letture errate se ad esempio "sfrizioni" o freni con la frizione "tirata" è probabile che ti veda il numero di marcia spazzolare su e giù..
D'altra parte anche il sistema "rapporto dei giri" ha le sue criticità, primo si deve leggere le due velocità di rotazione con una risoluzione sufficiente a discriminare tutte le marce a qualsiasi regime di rotazione/velocità della moto.
Inoltre queste letture dovranno avere un "rate" -numero di aggiornamenti al secondo- abbastanza alto per avere un'indicazione che segua senza apprezzabili ritardi quello che succede.
Poi si devono limitare le derive: eviterei qualsiasi sistema analogico di conversione F/V ma utilizzerei solo letture digitali di frequenza o meglio di periodo.
Infine le soglie tra le varie marce dipenderanno dalla moto... ognuna ha rapporti diversi per ogni marcia, poi c'è la trasmissione pignone/corona ed infine il diametro della ruota: si deve fare un circuito personalizzabile facilmente.
Insomma si deve studiarci un po'.... e comunque ci saranno anche casi di letture errate se ad esempio "sfrizioni" o freni con la frizione "tirata" è probabile che ti veda il numero di marcia spazzolare su e giù..
Se ti serve il valore di beta: hai sbagliato il progetto!
0
voti
[26] Re: Contamarce
bene bene
avete delle idee molto interessanti che presentano pro e contro.
io questa settimana potrò lavorare su una moto e mettere in pratica la mia idea.
successivamente la testerò su altre moto
teniamoci aggiornati
io questa settimana potrò lavorare su una moto e mettere in pratica la mia idea.
successivamente la testerò su altre moto
teniamoci aggiornati
0
voti
[27] Re: Contamarce
Concordo pienamente con il post di carloc.
Un "semplice" contamarce in realtà, risulta essere per niente banale.
Volendo tener conto di ogni variabile, il progetto tende a diventare sempre più complesso.
Ciao.
Un "semplice" contamarce in realtà, risulta essere per niente banale.
Volendo tener conto di ogni variabile, il progetto tende a diventare sempre più complesso.
Ciao.
0
voti
[28] Re: Contamarce
carloc ha scritto:Infine le soglie tra le varie marce dipenderanno dalla moto... ognuna ha rapporti diversi per ogni marcia, poi c'è la trasmissione pignone/corona ed infine il diametro della ruota: si deve fare un circuito personalizzabile facilmente.
Dimenticavo una cosa.
I contamarce in commercio risolvono il problema con 6 campionamenti. Intendo dire che viene fatta una sorta di acquisizione di velocità e rpm per ogni singola marcia e, o con tastino incorporato o semplice filo da portare massa all' occorrenza, viene impartito un comando di "store" per 6 volte, uno per ogni marcia. In questo modo si ha totale personalizzazione.
Ciao.
47 messaggi
• Pagina 3 di 5 • 1, 2, 3, 4, 5
Torna a Realizzazioni, interfacciamento e nozioni generali.
Chi c’è in linea
Visitano il forum: Nessuno e 10 ospiti

Elettrotecnica e non solo (admin)
Un gatto tra gli elettroni (IsidoroKZ)
Esperienza e simulazioni (g.schgor)
Moleskine di un idraulico (RenzoDF)
Il Blog di ElectroYou (webmaster)
Idee microcontrollate (TardoFreak)
PICcoli grandi PICMicro (Paolino)
Il blog elettrico di carloc (carloc)
DirtEYblooog (dirtydeeds)
Di tutto... un po' (jordan20)
AK47 (lillo)
Esperienze elettroniche (marco438)
Telecomunicazioni musicali (clavicordo)
Automazione ed Elettronica (gustavo)
Direttive per la sicurezza (ErnestoCappelletti)
EYnfo dall'Alaska (mir)
Apriamo il quadro! (attilio)
H7-25 (asdf)
Passione Elettrica (massimob)
Elettroni a spasso (guidob)
Bloguerra (guerra)





