....certo, in campo audio;
un trasformatore supporta differenze di modo comune che possono arrivare a migliaia di volt
si, il concetto è chiarissimo.
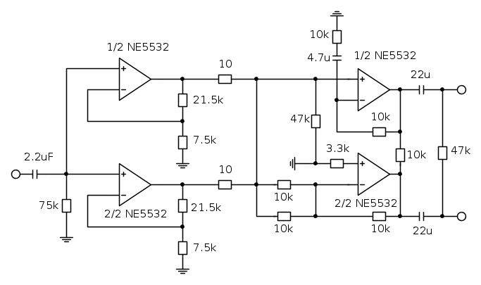
Prendendo spunto dal tuo e cercando di semplificarmi la vita ho disegnato questo...
Da -10dBV a +4dBu
Moderatore:
IsidoroKZ
44 messaggi
• Pagina 2 di 5 • 1, 2, 3, 4, 5
0
voti
Beh
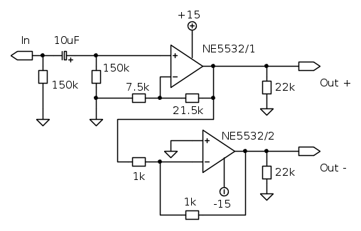
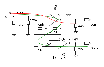
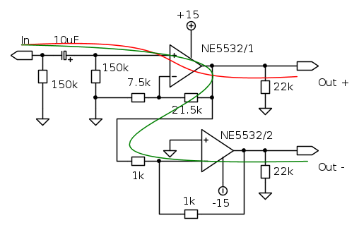
Il circuito funziona, sono pero' diversi i tempi di propagazione (li ho segnati in rosso e verde - speriamo che si veda). Il lato - risulta in ritardo rispetto al +. Intendiamoci, ti porta distorsione questo e' chiaro, pero' un trasformatore per quanto buono distorcerebbe 100 volte di piu
Ehm ...
Per quello ci sono degli OP bilanciati in uscita, certo costano.
Il circuito funziona, sono pero' diversi i tempi di propagazione (li ho segnati in rosso e verde - speriamo che si veda). Il lato - risulta in ritardo rispetto al +. Intendiamoci, ti porta distorsione questo e' chiaro, pero' un trasformatore per quanto buono distorcerebbe 100 volte di piu
Ehm ...
Per quello ci sono degli OP bilanciati in uscita, certo costano.
-

Lelettrico
2.458 1 4 6 - Master

- Messaggi: 1108
- Iscritto il: 13 set 2010, 12:24
1
voti
0
voti
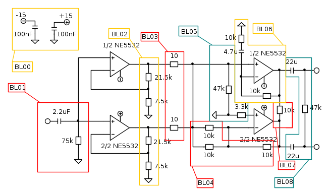
Analizzando lo schema blocco per blocco condivido quello che io riesco a vedere e capire, il resto mi è ancora purtroppo ignoto....
BL00 = Alimentazione
BL01 = Stadio di entrata
BL02 = Stadio di guadagno
BL03 = Miscelazione
BL04 = Guadagno
BL05 = Ignoto
BL06 = Guadagno (il condensatore da 4.7 uF è da riportare nel BL02 prima delle 7.5K ?)
BL07 = Ignoto
BL08 = Stadio di uscita
BL00 = Alimentazione
BL01 = Stadio di entrata
BL02 = Stadio di guadagno
BL03 = Miscelazione
BL04 = Guadagno
BL05 = Ignoto
BL06 = Guadagno (il condensatore da 4.7 uF è da riportare nel BL02 prima delle 7.5K ?)
BL07 = Ignoto
BL08 = Stadio di uscita
0
voti
Lelettrico ha scritto:Beh![]()
Il circuito funziona, sono pero' diversi i tempi di propagazione (li ho segnati in rosso e verde - speriamo che si veda). Il lato - risulta in ritardo rispetto al +. Intendiamoci, ti porta distorsione questo e' chiaro
Porta distorsione alle alte frequenze per via dei ritardi differenti ma, prima di fasciarsi la testa per così poco, è meglio verificare l'entità della distorsione, tenendo conto che comunque, a causa del venir meno del guadagno di anello, gli operazionali già di loro non è che facciamo sempre bella figura ad alta frequenza. I ritardi comunque, volendo, si possono compensare "sprecando un ulteriore operazionale come semplice inseguitore di tensione ma le distorsioni ad alta frequenza degli stessi rimangono comunque lì a "rompere". Insomma, in elettronica niente è regalato... soprattutto in circuiti che, pur di "bassa frequenza", devono in ogni caso coprire tre decadi tonde. E se ci si pensa un momento non è proprio una cosa da nulla!
Ciao
Piercarlo
0
voti
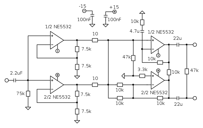
Ho corretto il guadagno, non mi ero accorto che lo schema amplificava troppo.
0
voti
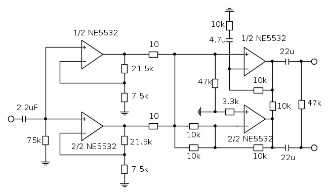
Premessa: ricontrolla lo schema per via che vedo due R da 10 K in parallelo secco
Per aumentare diminuire mmmm partitore controreazione, ma lasciali stare i 50 mV. I trasformatori sballano piu di cosi. Meglio avere qualcosa in piu' e abbassare il volume che non avere a sufficienza e non avere piu volume.
Per aumentare diminuire mmmm partitore controreazione, ma lasciali stare i 50 mV. I trasformatori sballano piu di cosi. Meglio avere qualcosa in piu' e abbassare il volume che non avere a sufficienza e non avere piu volume.
-

Lelettrico
2.458 1 4 6 - Master

- Messaggi: 1108
- Iscritto il: 13 set 2010, 12:24
44 messaggi
• Pagina 2 di 5 • 1, 2, 3, 4, 5
Torna a Elettronica e spettacolo
Chi c’è in linea
Visitano il forum: Nessuno e 19 ospiti

Elettrotecnica e non solo (admin)
Un gatto tra gli elettroni (IsidoroKZ)
Esperienza e simulazioni (g.schgor)
Moleskine di un idraulico (RenzoDF)
Il Blog di ElectroYou (webmaster)
Idee microcontrollate (TardoFreak)
PICcoli grandi PICMicro (Paolino)
Il blog elettrico di carloc (carloc)
DirtEYblooog (dirtydeeds)
Di tutto... un po' (jordan20)
AK47 (lillo)
Esperienze elettroniche (marco438)
Telecomunicazioni musicali (clavicordo)
Automazione ed Elettronica (gustavo)
Direttive per la sicurezza (ErnestoCappelletti)
EYnfo dall'Alaska (mir)
Apriamo il quadro! (attilio)
H7-25 (asdf)
Passione Elettrica (massimob)
Elettroni a spasso (guidob)
Bloguerra (guerra)








