Salve a tutti, sono nuovo del forum ed avrei bisogno di un aiuto per verificare il funzionamento di un piccolo circuito ricevitore ad infrarossi ( smontato da un climatizzatore ) e magari ripararlo.
Non sono certo che la sezione sia quella corretta e mi scuso fin d' adesso qualora non lo fosse.
Il circuito come si vede in foto ha 3 componenti: un condensatore da 47uf, una resistenza da 330 ohm ( credo ) ed un altro componente che visti i tre pin credo sia un fototransistor.
Posseggo inoltre un ricevitore identico e funzionante,
vi sarei molto grato se posteste aiutarmi, l' elettronica mi ha sempre affascinato, e l' ho anche approfonditamente studiata all' università, ma a livello pratico sono a zero. Magari questa è la buona occasione per muovere i primi passi.
Grazie a tutti anticipatamente.
Verificare funzionamento piccolo circuito ricevitore IR
Moderatori:
carloc,
g.schgor,
BrunoValente,
IsidoroKZ
11 messaggi
• Pagina 1 di 2 • 1, 2
0
voti
- Allegati
-
- _MG_5041r1000.JPG (92.39 KiB) Osservato 22589 volte
-
- _MG_5040r1000.JPG (98.48 KiB) Osservato 22589 volte
0
voti
Mi pare giusto, ma la difficoltà maggiore mi sa che è imparare ad usare fidocad... ci provo!
0
voti
proprio ora ho montato un circuito simile . . . seguirò questo post perché sono interessato anch'io 
-

eldiablo84
3 5 - New entry

- Messaggi: 56
- Iscritto il: 1 ott 2012, 23:06
0
voti
Mi fa piacere!
Qualcuno ricorda il comando per lanciare fidocadj da ubuntu, l' ho dimenticato e il sito è down.
Comunque il circuito dovrebbe essere serie tra generatore e resistenza in parallelo a condensatore e fototransistor, terminale out libero. Su carta l' avevo disegnato, ma su fidocad non trovavo la resistenza
L' idea vaga che ho del circuito ve la espongo:
da qualche parte ( di dubbia attendibilità ) ho letto che il fototransistor in realtà è un sensore ir codificato ( da altre parti leggo sensore ir preamplificato ) il che ha un senso perché dietro al sensore ir c' è un package che potrebbe essere appunto un amplificatore o un codificatore e comunque i fototransistor che ho visto io hanno un aspetto differente, in particolare non hanno un "led" che spunta fuori. Se quindi il diodo è montato su un ic credo che come avviene per altri integrati, richieda un condensatore di una certa capacità su specifici piedini, la resistenza serve a dare la giusta caduta di potenziale sul parallelo dei componeneti.
Ora, se sapessi cosa è quel coso, potrei semplicemente provare a sostituirlo, il problema è appunto che non so cos'è...
Dimenticavo, grazie a tutti per le risposte e la pazienza
Qualcuno ricorda il comando per lanciare fidocadj da ubuntu, l' ho dimenticato e il sito è down.
Comunque il circuito dovrebbe essere serie tra generatore e resistenza in parallelo a condensatore e fototransistor, terminale out libero. Su carta l' avevo disegnato, ma su fidocad non trovavo la resistenza
L' idea vaga che ho del circuito ve la espongo:
da qualche parte ( di dubbia attendibilità ) ho letto che il fototransistor in realtà è un sensore ir codificato ( da altre parti leggo sensore ir preamplificato ) il che ha un senso perché dietro al sensore ir c' è un package che potrebbe essere appunto un amplificatore o un codificatore e comunque i fototransistor che ho visto io hanno un aspetto differente, in particolare non hanno un "led" che spunta fuori. Se quindi il diodo è montato su un ic credo che come avviene per altri integrati, richieda un condensatore di una certa capacità su specifici piedini, la resistenza serve a dare la giusta caduta di potenziale sul parallelo dei componeneti.
Ora, se sapessi cosa è quel coso, potrei semplicemente provare a sostituirlo, il problema è appunto che non so cos'è...
Dimenticavo, grazie a tutti per le risposte e la pazienza
0
voti
Bob1010 ha scritto:
Ora, se sapessi cosa è quel coso, potrei semplicemente provare a sostituirlo, il problema è appunto che non so cos'è...
A me quel coso sembra un normalissimo ricevitore IR, sul genere di questo:
marco
0
voti
Grazie per la risposta, non voglio assolutamente risultare arrogante, anche perché sono veramente inesperto, ma se fosse un semplicissimo ricevitore ir avrebbe l' aspetto d' un normalissimo diodo, un fotodiodo appunto, con due terminali, il fatto che abbia tre terminali, mi suggerisce che sia un componente attivo e non passivo.
Nel caso avesse avuto due terminali, avrei potuto semplicemente esporlo a delle radiazioni infrarosse, ( ma anche alla luce del sole credo ) e notare una pur minima differenza di potenziale tra i due terminali.
Il problema, nel caso dei tre terminali è che non so che tipo di misure effettuare e tra quali terminali farle, perché appunto, dovrei conoscerne le caratteristiche di funzionamento.
Nel caso avesse avuto due terminali, avrei potuto semplicemente esporlo a delle radiazioni infrarosse, ( ma anche alla luce del sole credo ) e notare una pur minima differenza di potenziale tra i due terminali.
Il problema, nel caso dei tre terminali è che non so che tipo di misure effettuare e tra quali terminali farle, perché appunto, dovrei conoscerne le caratteristiche di funzionamento.
1
voti
Credo funzioni come un altro ricevitore IR che ho usato da poco, cioè il TSOP4840.
In poche parole il pin collegato alla resistenza e al condensatore è l'alimentazione, il centrale è la massa e l'ultimo (quello più in alto rispetto alla foto da dietro) è l'uscita "dati" del ricevitore.
Dovrebbe filtrare i segnali intorno a una determinata frequenza (es. 40 kHz) e dare in uscita alto (basso) quando sta ricevendo un segnale con una frequenza molto vicina a quella stabilità, mentre esce basso (alto) quando non riceve intorno a quella frequenza (per questo la luce del sole non influisce).
In poche parole il pin collegato alla resistenza e al condensatore è l'alimentazione, il centrale è la massa e l'ultimo (quello più in alto rispetto alla foto da dietro) è l'uscita "dati" del ricevitore.
Dovrebbe filtrare i segnali intorno a una determinata frequenza (es. 40 kHz) e dare in uscita alto (basso) quando sta ricevendo un segnale con una frequenza molto vicina a quella stabilità, mentre esce basso (alto) quando non riceve intorno a quella frequenza (per questo la luce del sole non influisce).
0
voti
Grazie a tutti, è bello ricevere tante risposte!
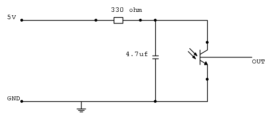
Allora, se non ho commesso errori lo schema dovrebbe essere questo ( non ho trovato il ricevitore ir quindi ho preso un fototransistor e gli ho aggiunto il pin out )
Grazie a
marco438, che mi ha dato il suggerimento della parola chiave "ricevitore ir", prima cercavo sensore ir e venivano fuori solo diodi, googlando ho trovato un componente che sembra essere simile nell' aspetto, chiamato ricevitore ir preamplificato, questo è il datasheet:
http://www.lgp-online.it/catalgp/images ... 0101-3.pdf
Grazie anche a
matteoDL e a
g.schgor per le utili e precise informazioni.
Ora, il materiale trovato chiarisce solo in parte i mie dubbi.
1) innanzi tutto la presenza del condensatore nel link di g.schgor viene giustificata in maniera molto sbrigativa:
"non omettere mai il condensatore da 1 - 4.7 mF collegato tra +V e GND: questo condensatore serve per eliminare i disturbi che arrivano al modulo attraverso la linea di alimentazione" ero gia a conoscenza del fatto che alcuni integrati richiedessero la presenza di un condensatore su appositi pin, ma mi piacerebbe capire meglio il perché.
2) Se il mio schema e il datasheet sono corretti l' alimentazione dovrebbe essere a 5V e l' assorbimento a riposo di 2.5mA, questo implica una caduta di potenziale nel mio circuito di circa 0,8V sulla resistenza e quindi il ricevitore è alimentato con 4,2V circa, mi sembra che i conti non tornino...
3)Per verificare il funzionamento quindi, alimentando il circuito con 5V e non esponendolo a radiazioni dovrei registrare una tensione di 4.5V tra out e GND, viceversa esponendolo a radiazioni, sempre che il multimetro registri l' impulso, dovrei misurare tensione nulla o quasi, giusto?
Scusate le innumerevoli domande, ma vorrei capire chiaramente come funziona un circuito piuttosto che non semplicemente sostituire componenti senza capire perché.
Grazie a tutti.
Allora, se non ho commesso errori lo schema dovrebbe essere questo ( non ho trovato il ricevitore ir quindi ho preso un fototransistor e gli ho aggiunto il pin out )
Grazie a
http://www.lgp-online.it/catalgp/images ... 0101-3.pdf
Grazie anche a
Ora, il materiale trovato chiarisce solo in parte i mie dubbi.
1) innanzi tutto la presenza del condensatore nel link di g.schgor viene giustificata in maniera molto sbrigativa:
"non omettere mai il condensatore da 1 - 4.7 mF collegato tra +V e GND: questo condensatore serve per eliminare i disturbi che arrivano al modulo attraverso la linea di alimentazione" ero gia a conoscenza del fatto che alcuni integrati richiedessero la presenza di un condensatore su appositi pin, ma mi piacerebbe capire meglio il perché.
2) Se il mio schema e il datasheet sono corretti l' alimentazione dovrebbe essere a 5V e l' assorbimento a riposo di 2.5mA, questo implica una caduta di potenziale nel mio circuito di circa 0,8V sulla resistenza e quindi il ricevitore è alimentato con 4,2V circa, mi sembra che i conti non tornino...
3)Per verificare il funzionamento quindi, alimentando il circuito con 5V e non esponendolo a radiazioni dovrei registrare una tensione di 4.5V tra out e GND, viceversa esponendolo a radiazioni, sempre che il multimetro registri l' impulso, dovrei misurare tensione nulla o quasi, giusto?
Scusate le innumerevoli domande, ma vorrei capire chiaramente come funziona un circuito piuttosto che non semplicemente sostituire componenti senza capire perché.
Grazie a tutti.
11 messaggi
• Pagina 1 di 2 • 1, 2
Chi c’è in linea
Visitano il forum: Nessuno e 57 ospiti

Elettrotecnica e non solo (admin)
Un gatto tra gli elettroni (IsidoroKZ)
Esperienza e simulazioni (g.schgor)
Moleskine di un idraulico (RenzoDF)
Il Blog di ElectroYou (webmaster)
Idee microcontrollate (TardoFreak)
PICcoli grandi PICMicro (Paolino)
Il blog elettrico di carloc (carloc)
DirtEYblooog (dirtydeeds)
Di tutto... un po' (jordan20)
AK47 (lillo)
Esperienze elettroniche (marco438)
Telecomunicazioni musicali (clavicordo)
Automazione ed Elettronica (gustavo)
Direttive per la sicurezza (ErnestoCappelletti)
EYnfo dall'Alaska (mir)
Apriamo il quadro! (attilio)
H7-25 (asdf)
Passione Elettrica (massimob)
Elettroni a spasso (guidob)
Bloguerra (guerra)





