Non riesco ad amplificare un segnale proveniente da un segnale, o meglio lo amplifico ma il guadagno è diverso da quello che dovrebbe essere;
utilizzo un oamp ua741 in configurazione non invertente con G=5, tuttavia nonostante il segnale di ingresso sia di 200mV, l'uscita anzichè essere di 1V è di 2.6V...
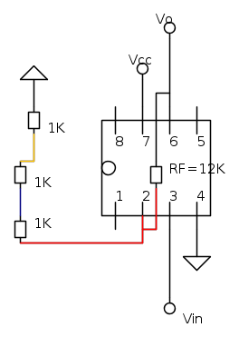
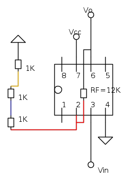
ecco come ho effettuato i collegamenti sulla breadboard
i collegamenti dello stesso colore indicano, che i morsetti i reofori delle resistenze sono sulla medesima pista della breadBoard
Problema oamp su breadboard
Moderatori:
carloc,
g.schgor,
BrunoValente,
IsidoroKZ
21 messaggi
• Pagina 1 di 3 • 1, 2, 3
0
voti
Sei sicuro del valore dei resistori? Li hai misurati con un tester?
Con che tensione alimenti il circuito?

Con che tensione alimenti il circuito?

http://millefori.altervista.org
Tool gratuito per chi sviluppa su millefori.
Tutti sanno che una cosa è impossibile da realizzare, finché arriva uno sprovveduto che non lo sa e la inventa. (A. Einstein)
Se non c'e` un 555 non e` un buon progetto (IsidoroKZ)
Strumento per formule
Tool gratuito per chi sviluppa su millefori.
Tutti sanno che una cosa è impossibile da realizzare, finché arriva uno sprovveduto che non lo sa e la inventa. (A. Einstein)
Se non c'e` un 555 non e` un buon progetto (IsidoroKZ)
Strumento per formule
-

posta10100
5.550 4 10 13 - Master EY

- Messaggi: 4832
- Iscritto il: 5 nov 2006, 0:09
0
voti
la tensione di alimentazione varia da 3V a 6V a seconda della carica della batteria,
precisamente ora la tensione è 4.3V, ho sostituito la resistenza da 12K con una da 4.5K e la Vou=4V, rinserendo quella da 12K ora la Vout=4V
precisamente ora la tensione è 4.3V, ho sostituito la resistenza da 12K con una da 4.5K e la Vou=4V, rinserendo quella da 12K ora la Vout=4V
-

darkweader
61 2 7 - Frequentatore

- Messaggi: 271
- Iscritto il: 8 mag 2011, 17:32
0
voti
e si ma io voglio la signola alimentazione Vcc+=Vcc e Vcc-=GND, non devo collegare il piedino 4 al potenziale di riferimento?
-

darkweader
61 2 7 - Frequentatore

- Messaggi: 271
- Iscritto il: 8 mag 2011, 17:32
1
voti
Non vorrei dire cavolate gratuite perché sono piuttosto arrugginito ma quando misuri l'uscita non puoi tenere come riferimento GND altrimenti ti sballano i conti, inoltre alimentare un 741 con una tensione singola di 3/4 V non credo che sia sufficiente...
il primo punto (alimentazione duale di 5V quindi una singola di 10V) fornisce un'uscita di 6 V picco picco... insomma con 4 volt (quindi una duale di 2V) sei fortunato se esce qualcosa.
il primo punto (alimentazione duale di 5V quindi una singola di 10V) fornisce un'uscita di 6 V picco picco... insomma con 4 volt (quindi una duale di 2V) sei fortunato se esce qualcosa.
0
voti
Non penso sia questo il problema, ho aumentato l'alimentazione a 8V e in uscita Vout ho circa 8volt, praticamente credo vada in saturazione...
ho provato a fare il buffer di tensione, alimentando il l'oamp a 9V (singola alimentazione) e mandando sul morsetto non invertente 5V, e su Vout ho effettivamente 5V, quindi probabilmente, per mandare l'oamp in saturazione, quando faccio la configurazione non invertente, sto cortocircuitando sulla breadboard il ramo di RI...
ho provato a fare il buffer di tensione, alimentando il l'oamp a 9V (singola alimentazione) e mandando sul morsetto non invertente 5V, e su Vout ho effettivamente 5V, quindi probabilmente, per mandare l'oamp in saturazione, quando faccio la configurazione non invertente, sto cortocircuitando sulla breadboard il ramo di RI...
-

darkweader
61 2 7 - Frequentatore

- Messaggi: 271
- Iscritto il: 8 mag 2011, 17:32
1
voti
Stai usando il 741 a singola alimentazione e probabilmente sei anche fuori dal range di modo comune in ingresso. La cosa piu` semplice al momento e` che alimenti l'operazionale con due pile da 9V in modo da avere una tensione duale di 9V.
La prossima volta fai gli schemi, non il piano di montaggio.
La prossima volta fai gli schemi, non il piano di montaggio.
Per usare proficuamente un simulatore, bisogna sapere molta più elettronica di lui
Plug it in - it works better!
Il 555 sta all'elettronica come Arduino all'informatica! (entrambi loro malgrado)
Se volete risposte rispondete a tutte le mie domande
Plug it in - it works better!
Il 555 sta all'elettronica come Arduino all'informatica! (entrambi loro malgrado)
Se volete risposte rispondete a tutte le mie domande
0
voti
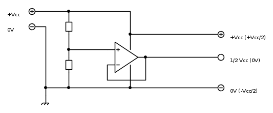
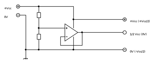
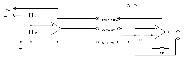
Fermo restando quello che dice IsidoroKZ, hai ancora misurato l'uscita rispetto a gnd ? per quanto ne so dovresti crearti un riferimento virtuale come minimo con un partitore rispetto l'alimentazione, oppure un partitore seguito da un buffer
a destra ho messo i valori reali riferiti alla vera massa 0V e tra parentesi i valori riferiti alla massa virtuale.
il circuito che dovresti avere tu dovrebbe essere una cosa del genere, secondo me:
a destra ho messo i valori reali riferiti alla vera massa 0V e tra parentesi i valori riferiti alla massa virtuale.
il circuito che dovresti avere tu dovrebbe essere una cosa del genere, secondo me:
0
voti
ho fatto lo schema di montaggio pensando che stessi sbagliando qualcosa relativo al montaggio su breadboard...
non ho la possibilità di fare un'alimentazione duale...
possiamo trovare una soluzione alternativa? anche cambiando integrato,
ho una tensione in ingresso che può variare da 10mV a 500mV
ho la possibilità di usare una sola alimentazione, quella della batteria, inoltre la tensione di alimentazione può variare da 6V a 3V, quale può essere una soluzione alternativa?
il guadagno deve essre pari a 5, e quindi la tensione massima di uscità potrà essre almassimo 2.5V
non ho la possibilità di fare un'alimentazione duale...
possiamo trovare una soluzione alternativa? anche cambiando integrato,
ho una tensione in ingresso che può variare da 10mV a 500mV
ho la possibilità di usare una sola alimentazione, quella della batteria, inoltre la tensione di alimentazione può variare da 6V a 3V, quale può essere una soluzione alternativa?
il guadagno deve essre pari a 5, e quindi la tensione massima di uscità potrà essre almassimo 2.5V
-

darkweader
61 2 7 - Frequentatore

- Messaggi: 271
- Iscritto il: 8 mag 2011, 17:32
21 messaggi
• Pagina 1 di 3 • 1, 2, 3
Chi c’è in linea
Visitano il forum: Nessuno e 278 ospiti

Elettrotecnica e non solo (admin)
Un gatto tra gli elettroni (IsidoroKZ)
Esperienza e simulazioni (g.schgor)
Moleskine di un idraulico (RenzoDF)
Il Blog di ElectroYou (webmaster)
Idee microcontrollate (TardoFreak)
PICcoli grandi PICMicro (Paolino)
Il blog elettrico di carloc (carloc)
DirtEYblooog (dirtydeeds)
Di tutto... un po' (jordan20)
AK47 (lillo)
Esperienze elettroniche (marco438)
Telecomunicazioni musicali (clavicordo)
Automazione ed Elettronica (gustavo)
Direttive per la sicurezza (ErnestoCappelletti)
EYnfo dall'Alaska (mir)
Apriamo il quadro! (attilio)
H7-25 (asdf)
Passione Elettrica (massimob)
Elettroni a spasso (guidob)
Bloguerra (guerra)





