Crisce ha scritto:Tralascio le varie caratteristiche degli strumenti, tanto non sono rilevanti per la mia domanda,
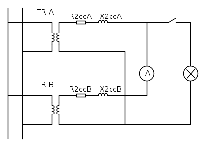
Non è vero, l'impedenza interna di quell'amperometro è importante, come importantissimi sono i dati di targa dei due trasformatori.
Crisce ha scritto:... con questo schema la lampada si accende ...
Questo invece è un miracolo!
Crisce ha scritto:... e l' amperometro segna circa 0.6 ampere. Non ci vedo nulla di strano,
... questo
può accadere, anche "a vuoto", ovvero a lampada spenta.
Crisce ha scritto:... e invece il mio professore (assistente di laboratorio) dice che non dovrebbe circolare corrente.
se il tuo professore si riferisce alla situazione "a vuoto", ... forse lo pensa perché ipotizza due trasformatori identici, ... mentre identici non lo sono mai . .... se invece ritiene che la corrente nell'amperometro sia nulla anche "a carico", sbaglia !
Crisce ha scritto: ...Io gli chiedo se fosse sicuro, perché da quello che ho capito se non c'è carico le tensioni dei due trasformatori uguali si annullano e non circola corrente,,,,
..."a vuoto", sarebbe vero solo con due trasformatori
identici (situazione mai vera in pratica), nella realtà una corrente di circolazione ci sarà sempre e sarà data dal rapporto fra la differenza fra le due fem secondarie e la somma delle impedenze di cortocircuito dei due trasformatori e dell'impedenza interna dell'amperometro,

sul valore di questa corrente nulla si può dire se non dopo una misura differenziale, una volta noti i dati di targa di entrambi.
Crisce ha scritto:... ma se c'è un carico esso sarà ridistribuito equamente sulle due macchine; e invece lui dice che non dovrebbe circolare lo stesso corrente sull' amperometro.
... "a carico", ovviamente, in quell'amperometro circola una corrente approssimativamente pari a metà della corrente nel carico,
sempre se i due trasformatori hanno uguali dati di targa.
In questo caso hai comunque ragione tu
