il rele è: un songle
1A 125VAC 1A 30VDC
SRC-12VDC-SH
Problema 555 astabile
Moderatori:
carloc,
g.schgor,
BrunoValente,
IsidoroKZ
26 messaggi
• Pagina 2 di 3 • 1, 2, 3
0
voti
Non ho rovato molto su questo rele'; solo un datasheet in cinese.
Pare comunque che la bobina possa essere collegata direttamente al pin 3 del 555.
Metti un diodo in antiparallelo alla bobina.
Se poi senti che il 555 scalda, stacca tutto e ci mettiamo un transistor.
Pare comunque che la bobina possa essere collegata direttamente al pin 3 del 555.
Metti un diodo in antiparallelo alla bobina.
Se poi senti che il 555 scalda, stacca tutto e ci mettiamo un transistor.
marco
0
voti
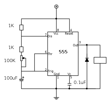
Ecco come collegare la bobina del relè
Attenzione: il condensatore è stato portato a 100uF
altrimenti la frequenza di commutazione del relè
sarebbe troppo elevata)
Attenzione: il condensatore è stato portato a 100uF
altrimenti la frequenza di commutazione del relè
sarebbe troppo elevata)
0
voti
ok il problema adesso è come collego la lampada e l'alimentazione?
-

RedEvil1991
14 5 - Frequentatore

- Messaggi: 104
- Iscritto il: 6 feb 2012, 21:10
0
voti
Risolto anche questo :), però con 9 volt il relè non va benissimo, se usassi due pile da 9 volt per alimentare l'ne555 che resistenze dovrei usare per abbassare la tensione a 12? grazie
-

RedEvil1991
14 5 - Frequentatore

- Messaggi: 104
- Iscritto il: 6 feb 2012, 21:10
0
voti
Suppongo che la lampada funzioni a tensione di rete; hai visto che il rele' e' fatto per 125V?
Comunque, se ho letto bene il datasheet, i collegamenti dovrebbero essere fatti cosi:
Comunque, se ho letto bene il datasheet, i collegamenti dovrebbero essere fatti cosi:
marco
0
voti
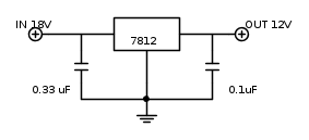
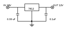
come fuzniona? se non ho capito male ha un input fino a 24 volt e porta 12 volt all'output giusto?
-

RedEvil1991
14 5 - Frequentatore

- Messaggi: 104
- Iscritto il: 6 feb 2012, 21:10
26 messaggi
• Pagina 2 di 3 • 1, 2, 3
Chi c’è in linea
Visitano il forum: Nessuno e 42 ospiti

Elettrotecnica e non solo (admin)
Un gatto tra gli elettroni (IsidoroKZ)
Esperienza e simulazioni (g.schgor)
Moleskine di un idraulico (RenzoDF)
Il Blog di ElectroYou (webmaster)
Idee microcontrollate (TardoFreak)
PICcoli grandi PICMicro (Paolino)
Il blog elettrico di carloc (carloc)
DirtEYblooog (dirtydeeds)
Di tutto... un po' (jordan20)
AK47 (lillo)
Esperienze elettroniche (marco438)
Telecomunicazioni musicali (clavicordo)
Automazione ed Elettronica (gustavo)
Direttive per la sicurezza (ErnestoCappelletti)
EYnfo dall'Alaska (mir)
Apriamo il quadro! (attilio)
H7-25 (asdf)
Passione Elettrica (massimob)
Elettroni a spasso (guidob)
Bloguerra (guerra)





