Ciao a tutti, chi riesce a spiegarmi il funzionamento di questo circuito?
Grazie mille:)
OTA
Moderatori:
carloc,
g.schgor,
BrunoValente,
IsidoroKZ
12 messaggi
• Pagina 1 di 2 • 1, 2
0
voti
[2] Re: OTA
Secondo me hai qualche PMOS ed NMOS girato al contrario, e per qualcuno magari ti sei confuso.
Cosa rabbresentano Vb1 e Vb2? Saranno "Voltage Balance" ?.
Al momento nel mio piccolo dico che è un operazionale, non avendo un output Open Drain.
Se riporti i tuoi ragionamenti è meglio.
Cosa rabbresentano Vb1 e Vb2? Saranno "Voltage Balance" ?.
Al momento nel mio piccolo dico che è un operazionale, non avendo un output Open Drain.
Se riporti i tuoi ragionamenti è meglio.
4
voti
[3] Re: OTA
gohan ha scritto:Cosa rabbresentano Vb1 e Vb2? Saranno "Voltage Balance" ?.
Direi tensioni di polarizzazione (bias). Confermo che ci sono delle polarità e dei transistor quantomeno "strani".
Comunque, l'OT dovrebbe dirci in breve cosa vorrebbe sapere su quel circuito, altrimenti partendo da zero ci si può fare un corso universitario intero per "spiegarlo".
Follow me on Mastodon: @davbucci@mastodon.sdf.org
-

DarwinNE
31,0k 7 11 13 - G.Master EY

- Messaggi: 4420
- Iscritto il: 18 apr 2010, 9:32
- Località: Grenoble - France
0
voti
[4] Re: OTA
Prendendola molto alla larga mi dà l'impressione di essere un comparatore di tensione. Ma, per una votla tanto, sarebbe opportuno vedere l'originale da cui è stato tratto il disegno di fidocad.
Ciao
Piercarlo
Ciao
Piercarlo
1
voti
[5] Re: OTA
Direi che si debba ricordare a
Gia1988 che in fidocad ci sono due comandi importanti: R per ruotare un componente, e S per specchiarlo. Bisogna usare quello giusto, altrimenti viene uno schema assurdo come quello che hai postato. Prova questi due comandi e poi usa quello che serve!
Per usare proficuamente un simulatore, bisogna sapere molta più elettronica di lui
Plug it in - it works better!
Il 555 sta all'elettronica come Arduino all'informatica! (entrambi loro malgrado)
Se volete risposte rispondete a tutte le mie domande
Plug it in - it works better!
Il 555 sta all'elettronica come Arduino all'informatica! (entrambi loro malgrado)
Se volete risposte rispondete a tutte le mie domande
0
voti
[6] Re: OTA
GRazie per le dritte sui comandi R ed S.
Riporto il disegno corretto.
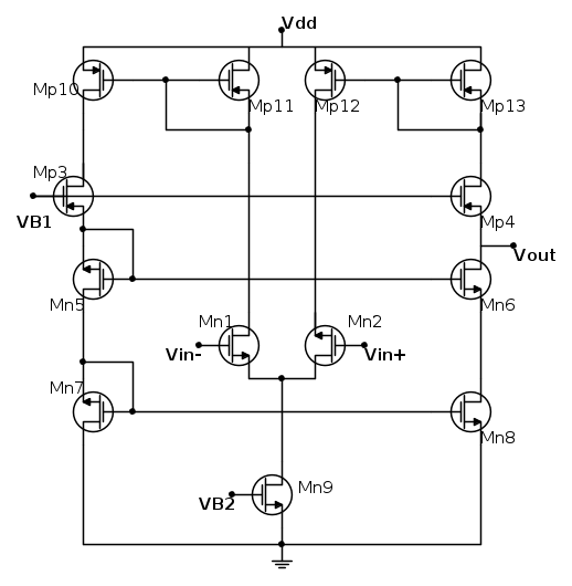
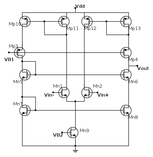
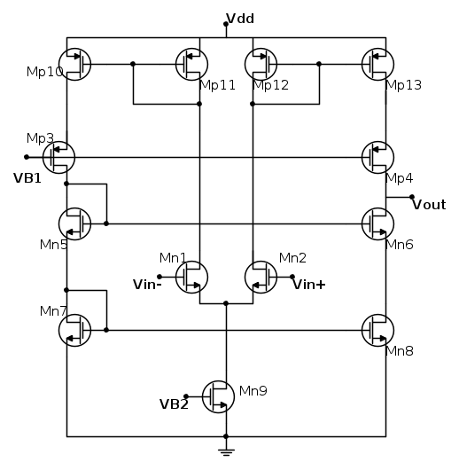
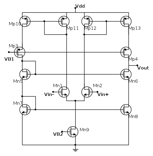
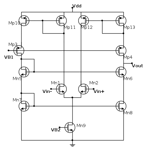
Si tratta di un OTA a specchio di corrente cascodato, con singola uscita.
Le tensioni VB sono di Bias(polarizzazione) le tensioni Vin sono quelle di ingresso del differenziale.
Vorrei degli aiuti sul comportamento di questo circuito.
Riporto il disegno corretto.
Si tratta di un OTA a specchio di corrente cascodato, con singola uscita.
Le tensioni VB sono di Bias(polarizzazione) le tensioni Vin sono quelle di ingresso del differenziale.
Vorrei degli aiuti sul comportamento di questo circuito.
1
voti
[7] Re: OTA
Sai riconoscere i current mirror, i carichi attivi ecc.. ? Prova intanto, se ti va, a provare a dare uno sguardo agli articoli di
IsidoroKZ, e una lettura a http://www.electroyou.it/rusty/wiki/progetto-di-un-amplificatore-folded-cascode-in-tecnologia-cmos-0-35-um.
-

rusty
4.075 2 9 11 - Utente disattivato per decisione dell'amministrazione proprietaria del sito
- Messaggi: 1578
- Iscritto il: 25 gen 2009, 13:10
0
voti
[8] Re: OTA
SI..allora:
1) Mn1 e Mn2 rappresentano lo stadio differenziale;
2) lo specchio caratterizzato dai 4 transistori pmos(10-13) fanno da carico attivo per lo stadio suddetto.
3) i transistori Mn5,Mn6 e Mn7 Mn8 rappresentano uno specchio cascode.
Giusto?
Il transisto Mn9 serve solo per polarizzare il differenziale? e gli Mp3 ed Mp4?
1) Mn1 e Mn2 rappresentano lo stadio differenziale;
2) lo specchio caratterizzato dai 4 transistori pmos(10-13) fanno da carico attivo per lo stadio suddetto.
3) i transistori Mn5,Mn6 e Mn7 Mn8 rappresentano uno specchio cascode.
Giusto?
Il transisto Mn9 serve solo per polarizzare il differenziale? e gli Mp3 ed Mp4?
12 messaggi
• Pagina 1 di 2 • 1, 2
Chi c’è in linea
Visitano il forum: Majestic-12 [Bot] e 193 ospiti

Elettrotecnica e non solo (admin)
Un gatto tra gli elettroni (IsidoroKZ)
Esperienza e simulazioni (g.schgor)
Moleskine di un idraulico (RenzoDF)
Il Blog di ElectroYou (webmaster)
Idee microcontrollate (TardoFreak)
PICcoli grandi PICMicro (Paolino)
Il blog elettrico di carloc (carloc)
DirtEYblooog (dirtydeeds)
Di tutto... un po' (jordan20)
AK47 (lillo)
Esperienze elettroniche (marco438)
Telecomunicazioni musicali (clavicordo)
Automazione ed Elettronica (gustavo)
Direttive per la sicurezza (ErnestoCappelletti)
EYnfo dall'Alaska (mir)
Apriamo il quadro! (attilio)
H7-25 (asdf)
Passione Elettrica (massimob)
Elettroni a spasso (guidob)
Bloguerra (guerra)






