Salve a tutti.
Ho un problema da risolvere e non riesco a ad uscirne da solo.
Devo simulare un carico di 17 led bianchi alta luminosità 3V ciascuno, per un totale di 51V.
Ho un generatore di corrente switching che li alimenta per fornirgli 500mA.
Il generatore di corrente a vuoto presenta una tensione di 60V, mentre, caricato con la "stecca" di 17 led la tensione scende a 51V.
Il mio problema è di collaudare il generatore di corrente senza usare i LED.
Ho provato con un carico attivo controllato in tensione in diverse configurazioni e il risultato è che garantisco sempre la corrente di 500mA ma il generatore di corrente NON si adatta alla tensione di 51V e rimane a 60V. Il progettista mi diche che per eseguire il giusto collaudo devo fare in modo che il mio "circuito equivalente" assorba i 500mA ma faccia scendere la tensione di uscita a 51V (a vuoto è 60V).
Stendiamo un velo pietoso sul fatto che il progettista dice ciò ma neanche lui è in grado di farlo. Dice che sarebbe da usare un zener da 51V, ma non si rende conto che ci servirebbe si un zener da 51V ma da 25W.
Grazie a tutti in anticipo.
Circuito equivalente LED
Moderatori:
carloc,
g.schgor,
BrunoValente,
IsidoroKZ
5 messaggi
• Pagina 1 di 1
1
voti
Un carico attivo dovrebbe poter lavorare in modalita` corrente costante, tensione costante, resistenza costante e alcuni anche in modo potenza costante.
Visto che l'alimentatore e` un generatore di corrente, il carico NON deve essere un assorbitore di corrente. Usa il carico a tensione costante, regolato a 51V (e poi fai variare quella tensione) e misura la corrente.
Oppure usalo a resistenza costante, facendo variare la resistenza di carico. Il primo test che puoi fare e` di usare un reostato come carico, regolandolo a 102ohm e poi variando il valore resistivo misurando la tensione e la corrente di uscita.
Questi test fanno una prova statica, ma non rappresentano il vero carico dinamico fornito dai led, che puo` essere molto piu` incasinato.
Ad esempio per il carico dinamico potresti mettere il carico elettronico in modalita` tensione costante, diciamo a 45V, e in serie una resistenza da 12ohm che rappresenta la resistenza differenziale dei led. Manca pero` ancora il carico capacitivo, che non credo sia importante.
Descrivi in dettaglio il carico attivo e linka il datasheet dei led, mi serve per stimare la resistenza differenziale. Oppure alimenta i led a 500mA, poi a 300mA e misura la tensione sui led.
Uno zener da 25W si puo` costruire, se serve faccio lo schema. Se serve un disegno delle caratteristiche V/I delle prove che ho indicato prima, dillo che lo preparo.
Visto che l'alimentatore e` un generatore di corrente, il carico NON deve essere un assorbitore di corrente. Usa il carico a tensione costante, regolato a 51V (e poi fai variare quella tensione) e misura la corrente.
Oppure usalo a resistenza costante, facendo variare la resistenza di carico. Il primo test che puoi fare e` di usare un reostato come carico, regolandolo a 102ohm e poi variando il valore resistivo misurando la tensione e la corrente di uscita.
Questi test fanno una prova statica, ma non rappresentano il vero carico dinamico fornito dai led, che puo` essere molto piu` incasinato.
Ad esempio per il carico dinamico potresti mettere il carico elettronico in modalita` tensione costante, diciamo a 45V, e in serie una resistenza da 12ohm che rappresenta la resistenza differenziale dei led. Manca pero` ancora il carico capacitivo, che non credo sia importante.
Descrivi in dettaglio il carico attivo e linka il datasheet dei led, mi serve per stimare la resistenza differenziale. Oppure alimenta i led a 500mA, poi a 300mA e misura la tensione sui led.
Uno zener da 25W si puo` costruire, se serve faccio lo schema. Se serve un disegno delle caratteristiche V/I delle prove che ho indicato prima, dillo che lo preparo.
Per usare proficuamente un simulatore, bisogna sapere molta più elettronica di lui
Plug it in - it works better!
Il 555 sta all'elettronica come Arduino all'informatica! (entrambi loro malgrado)
Se volete risposte rispondete a tutte le mie domande
Plug it in - it works better!
Il 555 sta all'elettronica come Arduino all'informatica! (entrambi loro malgrado)
Se volete risposte rispondete a tutte le mie domande
0
voti
Scusa, ma bisogna fare un passo indietro.
Un "generatore di corrente" eroga una data corrente
(nel tuo caso 500mA) fino ad una tensione massima
(nel tuo caso 60V). La resistenza del carico determima
la tensione ai capi del carico stesso (ed ovviamente
deve essere inferiore alla massima consentita).
Ora i tuoi LED hanno ciascuno una tensione variabile
attorno ai 3V, quindi il generatore eroghera comunque
la tensione necessaria a far passare in ciascuno 500mA
(e non è quindi detto che debba essere per forza 51V).
PS. Mi accorgo ora che ha già risposto
IsidoroKZ.Sorry.
Un "generatore di corrente" eroga una data corrente
(nel tuo caso 500mA) fino ad una tensione massima
(nel tuo caso 60V). La resistenza del carico determima
la tensione ai capi del carico stesso (ed ovviamente
deve essere inferiore alla massima consentita).
Ora i tuoi LED hanno ciascuno una tensione variabile
attorno ai 3V, quindi il generatore eroghera comunque
la tensione necessaria a far passare in ciascuno 500mA
(e non è quindi detto che debba essere per forza 51V).
PS. Mi accorgo ora che ha già risposto
0
voti
Oppure usalo a resistenza costante, facendo variare la resistenza di carico. Il primo test che puoi fare e` di usare un reostato come carico, regolandolo a 102ohm e poi variando il valore resistivo misurando la tensione e la corrente di uscita.
Effettivamente se uso una pura resistenza da 100ohm la tensione scende a 53V
Ad esempio per il carico dinamico potresti mettere il carico elettronico in modalita` tensione costante, diciamo a 45V, e in serie una resistenza da 12ohm che rappresenta la resistenza differenziale dei led. Manca pero` ancora il carico capacitivo, che non credo sia importante.
Sono d'accordo
Descrivi in dettaglio il carico attivo e linka il datasheet dei led, mi serve per stimare la resistenza differenziale. Oppure alimenta i led a 500mA, poi a 300mA e misura la tensione sui led.
Purtroppo non ho ne uno ne l'altro. Il data sheet potrei recuperarlo ma momentaneamente non riesco a contattare il progettista. Per la stecca dei led, ne ho una a disposizione ma guasta. Ho potuto provare i singoli led per verificarne la tensione e posso dirti che a 300mA ho una tensione di 2,86 e a 500mA ho una tensione di 2,95V.
Uno zener da 25W si puo` costruire, se serve faccio lo schema. Se serve un disegno delle caratteristiche V/I delle prove che ho indicato prima, dillo che lo preparo.
Mi salveresti la vita.
Comunque, per entrare più in dettaglio, devo poter creare un "carico" piuttosto dinamico, perché con l'apparecchiatura che sto costruendo , devo poter collaudare anche generatori diversi per stecche di led diverse. L'apparecchiatura ha un microcontrollore con cui posso create tensioni, corenti, PWM e chi più ne ha più ne metta. Purtroppo sono in firmwarista e a volte mi trovo a costruire hardware che non sono nelle "mie corde".
- Allegati
-
- Schema.JPG (19.15 KiB) Osservato 3608 volte
1
voti
Bisognerebbe sapere qualcosa in piu` su com'e` l'architettura del sistema, come sono distribuiti i potenziali di riferimento, sia del controllo che della potenza, come sono collegati i led in prova che devi sostituire...
Inoltre serve sapere come alimenti i led, se con una corrente continua, continua con ripple (quanto ampio, di che frequenza?) oppure direttamente in PWM.
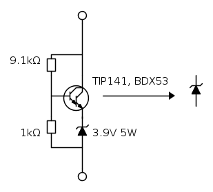
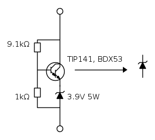
Comunque uno zener "di potenza" (occhio che dissipa, deve essere dissipato) potrebbe essere una cosa di questo tipo
Cambiando la resistenza da 9.1k cambia la tensione di "zener". Il Darlington deve essere di quelli robusti e ben dissipato perche' SCALDA!
Si puo` fare anche qualcosa di programmabile, in cui puoi programmare facilmente con un DA la tensione di zener e un po' meno facilmente la resistenza dinamica, ma servono tutti i dati che ho richiesto sopra.
Inoltre serve sapere come alimenti i led, se con una corrente continua, continua con ripple (quanto ampio, di che frequenza?) oppure direttamente in PWM.
Comunque uno zener "di potenza" (occhio che dissipa, deve essere dissipato) potrebbe essere una cosa di questo tipo
Cambiando la resistenza da 9.1k cambia la tensione di "zener". Il Darlington deve essere di quelli robusti e ben dissipato perche' SCALDA!
Si puo` fare anche qualcosa di programmabile, in cui puoi programmare facilmente con un DA la tensione di zener e un po' meno facilmente la resistenza dinamica, ma servono tutti i dati che ho richiesto sopra.
Per usare proficuamente un simulatore, bisogna sapere molta più elettronica di lui
Plug it in - it works better!
Il 555 sta all'elettronica come Arduino all'informatica! (entrambi loro malgrado)
Se volete risposte rispondete a tutte le mie domande
Plug it in - it works better!
Il 555 sta all'elettronica come Arduino all'informatica! (entrambi loro malgrado)
Se volete risposte rispondete a tutte le mie domande
5 messaggi
• Pagina 1 di 1
Chi c’è in linea
Visitano il forum: Nessuno e 98 ospiti

Elettrotecnica e non solo (admin)
Un gatto tra gli elettroni (IsidoroKZ)
Esperienza e simulazioni (g.schgor)
Moleskine di un idraulico (RenzoDF)
Il Blog di ElectroYou (webmaster)
Idee microcontrollate (TardoFreak)
PICcoli grandi PICMicro (Paolino)
Il blog elettrico di carloc (carloc)
DirtEYblooog (dirtydeeds)
Di tutto... un po' (jordan20)
AK47 (lillo)
Esperienze elettroniche (marco438)
Telecomunicazioni musicali (clavicordo)
Automazione ed Elettronica (gustavo)
Direttive per la sicurezza (ErnestoCappelletti)
EYnfo dall'Alaska (mir)
Apriamo il quadro! (attilio)
H7-25 (asdf)
Passione Elettrica (massimob)
Elettroni a spasso (guidob)
Bloguerra (guerra)



