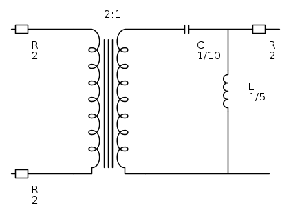
Sapendo che il doppio bipolo di fig.2 è in regime sinusoidale, calcolare la matrice di
trasmissione diretta [T] ai morsetti 1 1’ e 2 2’.
Dati:
R = 2 Ω, C = 1/10 F, L = 1/5 Ω, a = 2, ω = 5 rad/s.
è un doppio bipolo non simmetrico pensavo di dividerlo in due calcolare e poi riottenere in cascata la matrice T
di solito io mi calcolo la matrice delle Ammettenze e poi passo a quella T grazie alle tabelle.
ho proceduto dividendo in due doppi bipoli come vi mostro
Doppio bipolo matrice di trasmissione?
Moderatori:
g.schgor,
IsidoroKZ
14 messaggi
• Pagina 1 di 2 • 1, 2
0
voti
Partiamo da questo è andiamo a calcolare la matrice di trasmissione
come dovrei fare ? dovrei portare tutti in questa forma


-

theverin90
1 4 - New entry

- Messaggi: 73
- Iscritto il: 9 ott 2012, 16:28
0
voti
ho proceduto alimentando le porte con due generatori di tensione
successivamente applico il metodo degli anelli con il quale trovo un sistema di due equazioni che riportato in quella forma è uguale a



successivamente applico il metodo degli anelli con il quale trovo un sistema di due equazioni che riportato in quella forma è uguale a



Ultima modifica di
theverin90 il 12 ott 2012, 13:21, modificato 1 volta in totale.
-

theverin90
1 4 - New entry

- Messaggi: 73
- Iscritto il: 9 ott 2012, 16:28
0
voti
ma per la parte con il trasformatore come procedo???
-

theverin90
1 4 - New entry

- Messaggi: 73
- Iscritto il: 9 ott 2012, 16:28
0
voti
Perché non scrivi tutto in un unico thread piuttosto che in 4
Rende la lettura e la comprensione del problema uno spezzatino di carne così
"Lo scienziato descrive ciò che esiste, l'ingegnere crea ciò che non era mai stato."
(T. von Kármán)
(T. von Kármán)
0
voti
si lo capisco ma non riesco a mettere più disegni in fidocadj in un unico post si accavallavano fra loro
-

theverin90
1 4 - New entry

- Messaggi: 73
- Iscritto il: 9 ott 2012, 16:28
2
voti
Ciao.
Il trasformatore lo risolvi... buttandolo via.
Le equazioni di un trasformatore ideale sono:

e se dividi la prima equazione per la seconda otterrai che:

Questo significa che l'impedenza equivalente al secondario di un trasformatore può essere riportata al primario moltiplicando per
.
Ovviamente l'impedenza equivalente al primario può essere riportata al secondario dividendo per
.
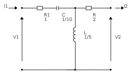
In definitiva dovrai trovare l'equivalente T per la rete:
Se hai già trovato la matrice T per la seconda parte della rete non ti resta che trovare la matrice T di una sola resistenza in serie e moltiplicarla per il risultato già ottenuto.
Se qualcosa non è chiaro sono chiaramente a disposizione.
Ciao da Pietro.
EDIT: Scusa ma ho detto una ca...
rimediamo.
Quando avrai trovato la matrice T equivalente dovrai moltiplicare il tutto per la matrice T del trasformatore.
Infatti il metodo che ti ho dato serve per trovare l'impedenza equivalente, per la matrice T dovrai poi reintrodurre il trasformatore su una porta.
La matrice T di un trasformatore ideale vale:

che equivale a moltiplicare la tensione sulla prima porta per k e dividere la corrente per k.

Il trasformatore lo risolvi... buttandolo via.
Le equazioni di un trasformatore ideale sono:

e se dividi la prima equazione per la seconda otterrai che:

Questo significa che l'impedenza equivalente al secondario di un trasformatore può essere riportata al primario moltiplicando per
.Ovviamente l'impedenza equivalente al primario può essere riportata al secondario dividendo per
.In definitiva dovrai trovare l'equivalente T per la rete:
Se hai già trovato la matrice T per la seconda parte della rete non ti resta che trovare la matrice T di una sola resistenza in serie e moltiplicarla per il risultato già ottenuto.
Se qualcosa non è chiaro sono chiaramente a disposizione.
Ciao da Pietro.
EDIT: Scusa ma ho detto una ca...
rimediamo.
Quando avrai trovato la matrice T equivalente dovrai moltiplicare il tutto per la matrice T del trasformatore.
Infatti il metodo che ti ho dato serve per trovare l'impedenza equivalente, per la matrice T dovrai poi reintrodurre il trasformatore su una porta.
La matrice T di un trasformatore ideale vale:

che equivale a moltiplicare la tensione sulla prima porta per k e dividere la corrente per k.

-

PietroBaima
90,7k 7 12 13 - G.Master EY

- Messaggi: 12206
- Iscritto il: 12 ago 2012, 1:20
- Località: Londra
2
voti
Un'ultima cosa: la matrice T del trasformatore andrà moltiplicata a sinistra e non a destra del risultato ottenuto.
-

PietroBaima
90,7k 7 12 13 - G.Master EY

- Messaggi: 12206
- Iscritto il: 12 ago 2012, 1:20
- Località: Londra
0
voti
aspetta quindi trovo la matrice T per la rete togliendo il trasformatore
e poi moltiplico per la matrice T nota del trasformatore giusto ???
ma quindi il disegno che hai fatto tu non è più giusto perché devo mettere anche una resistenza in basso no??
e poi moltiplico per la matrice T nota del trasformatore giusto ???
ma quindi il disegno che hai fatto tu non è più giusto perché devo mettere anche una resistenza in basso no??
-

theverin90
1 4 - New entry

- Messaggi: 73
- Iscritto il: 9 ott 2012, 16:28
3
voti
No, è giusto, ma dopo aver calcolato la matrice T di quel circuito dovrai moltiplicare il tutto, a sinistra, per la matrice T del trasformatore ideale.
Scusa ancora dell'errore di cui mi vergogno tantissimo.
Ciao
Pietro.
Scusa ancora dell'errore di cui mi vergogno tantissimo.
Ciao
Pietro.
-

PietroBaima
90,7k 7 12 13 - G.Master EY

- Messaggi: 12206
- Iscritto il: 12 ago 2012, 1:20
- Località: Londra
14 messaggi
• Pagina 1 di 2 • 1, 2
Torna a Elettrotecnica generale
Chi c’è in linea
Visitano il forum: Nessuno e 14 ospiti

Elettrotecnica e non solo (admin)
Un gatto tra gli elettroni (IsidoroKZ)
Esperienza e simulazioni (g.schgor)
Moleskine di un idraulico (RenzoDF)
Il Blog di ElectroYou (webmaster)
Idee microcontrollate (TardoFreak)
PICcoli grandi PICMicro (Paolino)
Il blog elettrico di carloc (carloc)
DirtEYblooog (dirtydeeds)
Di tutto... un po' (jordan20)
AK47 (lillo)
Esperienze elettroniche (marco438)
Telecomunicazioni musicali (clavicordo)
Automazione ed Elettronica (gustavo)
Direttive per la sicurezza (ErnestoCappelletti)
EYnfo dall'Alaska (mir)
Apriamo il quadro! (attilio)
H7-25 (asdf)
Passione Elettrica (massimob)
Elettroni a spasso (guidob)
Bloguerra (guerra)




pigreco]=π