Controllo funzionamento di un integrato
Moderatori:
carloc,
g.schgor,
BrunoValente,
IsidoroKZ
19 messaggi
• Pagina 1 di 2 • 1, 2
0
voti
salve..é molto tempo che cerco di capire come si controllano gli integrati nelle schede elettriche o circuiti.sono consapevole che per verificarne il funzionamento devo avere uno schema data scheet.Una volta pero costatato il piedino di massa e quello vcc come si fa a verificare se l' integrato funziona o è saltato ?? se qualcuno è in grado di rispondermi... grazie a tutti
-

francesco900
42 2 5 8 - Sostenitore

- Messaggi: 691
- Iscritto il: 14 apr 2012, 17:41
1
voti
Perdonami, ma che razza di domanda è mai questa?
La verifica del funzionamento va fatta in base alle funzioni che svolge l'integrato nella scheda nel quale è posto. Come puoi pensare che ci sia una risposta "univoca" a questa tua domanda? I test vanno eseguiti in base a cosa deve fare (o si presume debba fare) la scheda, stimolando e misurando.
Ciao.
Paolo.
La verifica del funzionamento va fatta in base alle funzioni che svolge l'integrato nella scheda nel quale è posto. Come puoi pensare che ci sia una risposta "univoca" a questa tua domanda? I test vanno eseguiti in base a cosa deve fare (o si presume debba fare) la scheda, stimolando e misurando.
Ciao.
Paolo.
"Houston, Tranquillity Base here. The Eagle has landed." - Neil A.Armstrong
-------------------------------------------------------------
PIC Experience - http://www.picexperience.it
-------------------------------------------------------------
PIC Experience - http://www.picexperience.it
-

Paolino
32,6k 8 12 13 - G.Master EY

- Messaggi: 4226
- Iscritto il: 20 gen 2006, 11:42
- Località: Vigevano (PV)
0
voti
inanzi tutto grazie per avermi risposto... comunque non capisco ijn base a cosa potresti farmi un esempio?? cioè come si fa si alimenta l integrato e poi si verificano le varie uscite non capisco?!?..
-

francesco900
42 2 5 8 - Sostenitore

- Messaggi: 691
- Iscritto il: 14 apr 2012, 17:41
1
voti
La tua,come gia detto da
Paolino, e' una risposta troppo vaga per dare una risposta esauriente.
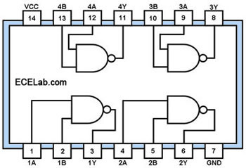
Quello che posso fare, sperando di chiarirti le idee, e' mostrarti un esempio pratico relativo al piu' semplice dei circuiti integrati il SN7400 che e' composto da quattro porte NAND.
Ora, stabilito quanto sopra e alimentato il circuito sui pin 14 (positivo) e 7 (negativo), le porte dovrebbero comportarsi secondo la seguente tabella delle verita':
Percio', se i pin 1 e 2 sono a livello logico basso, il pin 3 sara' a livello alto; se 1 e 2 sono a livello alto il 3 sara' basso e se 1 e alto e 2 basso (o viceversa) il 3 sara' alto.
Questi livelli, come avrai capito, possono essere verificati con un tester e, conseguentemente, si potra' vedere se l'IC funziona come dovrebbe.
Naturalmente ogni IC ha funzioni diverse, quindi prima di effettuare qualsiasi prova bisogna studiarsi il datasheet, comprenderne le funzioni e, in seguito, verificarne il funzionamento quando possibile.
Quello che posso fare, sperando di chiarirti le idee, e' mostrarti un esempio pratico relativo al piu' semplice dei circuiti integrati il SN7400 che e' composto da quattro porte NAND.
Ora, stabilito quanto sopra e alimentato il circuito sui pin 14 (positivo) e 7 (negativo), le porte dovrebbero comportarsi secondo la seguente tabella delle verita':
Percio', se i pin 1 e 2 sono a livello logico basso, il pin 3 sara' a livello alto; se 1 e 2 sono a livello alto il 3 sara' basso e se 1 e alto e 2 basso (o viceversa) il 3 sara' alto.
Questi livelli, come avrai capito, possono essere verificati con un tester e, conseguentemente, si potra' vedere se l'IC funziona come dovrebbe.
Naturalmente ogni IC ha funzioni diverse, quindi prima di effettuare qualsiasi prova bisogna studiarsi il datasheet, comprenderne le funzioni e, in seguito, verificarne il funzionamento quando possibile.
marco
0
voti
grazie mille per lo schema perfetto .. adesso si che comincio a capire l' unica cosa come faccio a controllare con il tester se il livello dei pin è alto o è basso ? nel senso devo alimentare l inegrato e poi provare?
-

francesco900
42 2 5 8 - Sostenitore

- Messaggi: 691
- Iscritto il: 14 apr 2012, 17:41
1
voti
Quello che ho fatto e' solo un esempio; volta per volta bisogna vedere (ma lo ho gia' detto) le funzioni esplicate.
Ma nel tuo caso, di quale integrato stiamo parlando?
Ma nel tuo caso, di quale integrato stiamo parlando?
marco
0
voti
è una curiosità che ho io per qualsiasi integrato non ce ne uno in particolare.. io le avevo studiate a scuola queste cose ma non le ho imparate molto bene.. comunque prendiamo l integrato che mi hai messo in esempio.. come faccio a sapere se su ognuno dei pin ce alimentazione di zero o uno ?
-

francesco900
42 2 5 8 - Sostenitore

- Messaggi: 691
- Iscritto il: 14 apr 2012, 17:41
1
voti
Nel caso specifico, una volta alimentato l'integrato(5Vcc), se colleghi al riferimento i pin 1/2, 4/5 ecc., troverai sui pin 3/6/8/11 un livello alto (H)
Quindi con il puntale nero del tester sul pin 7 e con il rosso su quelli menzionati dovresti rilevare una tensione positiva prossima a quella di alimentazione.
Se su 1/2 ecc. fai pervenire una tensione positiva (quindi livello logico H) sul 3 (ecc.) avrai tensione prossima allo zero.
E cosi' via............................
Quindi con il puntale nero del tester sul pin 7 e con il rosso su quelli menzionati dovresti rilevare una tensione positiva prossima a quella di alimentazione.
Se su 1/2 ecc. fai pervenire una tensione positiva (quindi livello logico H) sul 3 (ecc.) avrai tensione prossima allo zero.
E cosi' via............................
marco
0
voti
ok quindi se ho capito bene correggimi se sbaglio se io voglio avere 1 su un pin lo devo collegare a Vcc e se voglio avere 0 invece devo collegarlo a massa ?
-

francesco900
42 2 5 8 - Sostenitore

- Messaggi: 691
- Iscritto il: 14 apr 2012, 17:41
2
voti
Chissa' perche' ho l'impressione di parlare al vento.
Allora prendiamo una porta per volta:
se 1 e 2 sono collegati al positivo (insieme) sul 3 la tensione sara' 0;
se 1 e 2 sono collegati al riferimento (negativo) sul 3 avrai tensione positiva;
se 1 e collegato al positivo e 2 al riferimento(o viceversa) sul 3 avrai tensione positiva.
Ti ho postato per questo la tavola delle verita', leggila.
Allora prendiamo una porta per volta:
se 1 e 2 sono collegati al positivo (insieme) sul 3 la tensione sara' 0;
se 1 e 2 sono collegati al riferimento (negativo) sul 3 avrai tensione positiva;
se 1 e collegato al positivo e 2 al riferimento(o viceversa) sul 3 avrai tensione positiva.
Ti ho postato per questo la tavola delle verita', leggila.
marco
19 messaggi
• Pagina 1 di 2 • 1, 2
Chi c’è in linea
Visitano il forum: Nessuno e 80 ospiti

Elettrotecnica e non solo (admin)
Un gatto tra gli elettroni (IsidoroKZ)
Esperienza e simulazioni (g.schgor)
Moleskine di un idraulico (RenzoDF)
Il Blog di ElectroYou (webmaster)
Idee microcontrollate (TardoFreak)
PICcoli grandi PICMicro (Paolino)
Il blog elettrico di carloc (carloc)
DirtEYblooog (dirtydeeds)
Di tutto... un po' (jordan20)
AK47 (lillo)
Esperienze elettroniche (marco438)
Telecomunicazioni musicali (clavicordo)
Automazione ed Elettronica (gustavo)
Direttive per la sicurezza (ErnestoCappelletti)
EYnfo dall'Alaska (mir)
Apriamo il quadro! (attilio)
H7-25 (asdf)
Passione Elettrica (massimob)
Elettroni a spasso (guidob)
Bloguerra (guerra)