Alimentatore stabilizzato.
Moderatori:
carloc,
g.schgor,
BrunoValente,
IsidoroKZ
0
voti
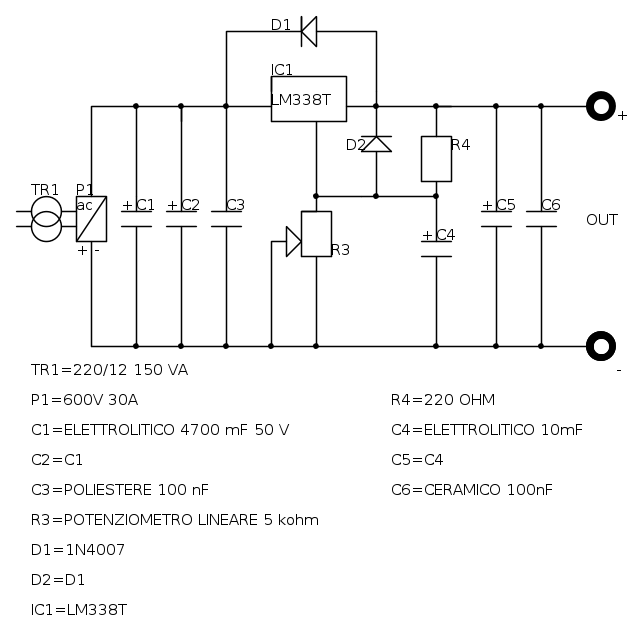
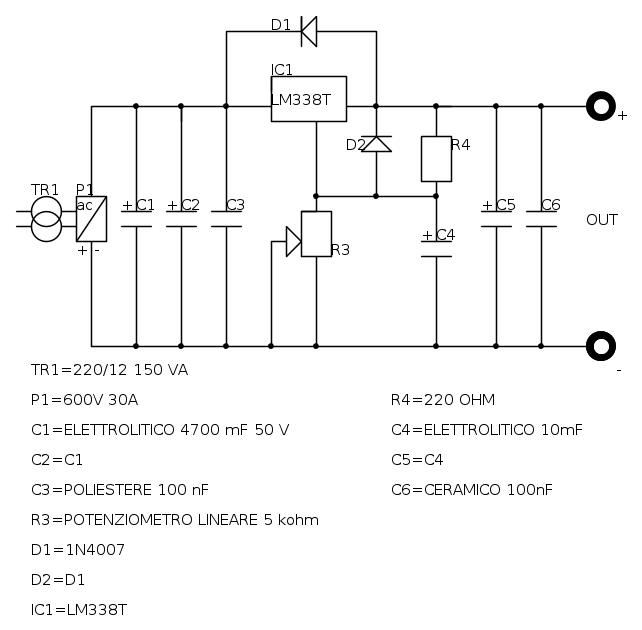
menu ha scritto:mi pare di averlo detto io voglio una tensione che vada da 1,2 a 15 volto quella che del resto ho perché sto usando un 220 12 V 150 va
Credo di averlo gia' detto ma per ottenere una tensione (tu dici 15V, prima erano 13 ed ancora prima 12) ben stabilizzata, occorre disporre di una tensione in ingresso superiore di 3/4V a quella che si vuole ottenere.
Questo perche' il ponte di diodi provoca una caduta di 1.4V (ed anche piu') ed il regolatore un'altra dai 2 ai 3V a seconda della richiesta di corrente.
Ripetuto questo, con il tuo trasformatore potrai avere un massimo di 11/11.5V ed un minimo di 1.2V.
Sperando di averti chiarito il concetto, fai pure le ulteriori domande che ritieni opportune.
P.S. Per inserire i componenti in uno schema fatto con fidocad, basta cercarli nelle librerie disponibili, a destra dello schema. Non e' necessario disegnarli.
marco
0
voti
Benissimo concetto chiarito,
ma la mia scelta ormai è ricaduta sulla realizzazione di un alimentatore variabile quindi un alimentatore diciamo da banco ,per alimentare dispositivi che a volte possono richiedere qualche ampere di corrente quindi,mi hanno consigliato di mettere un transistor esterno anche tu del resto
,volevo sapere che tipo di transistor potevo inserire...
,volevo sapere che tipo di transistor potevo inserire...Chi c’è in linea
Visitano il forum: Nessuno e 213 ospiti

Elettrotecnica e non solo (admin)
Un gatto tra gli elettroni (IsidoroKZ)
Esperienza e simulazioni (g.schgor)
Moleskine di un idraulico (RenzoDF)
Il Blog di ElectroYou (webmaster)
Idee microcontrollate (TardoFreak)
PICcoli grandi PICMicro (Paolino)
Il blog elettrico di carloc (carloc)
DirtEYblooog (dirtydeeds)
Di tutto... un po' (jordan20)
AK47 (lillo)
Esperienze elettroniche (marco438)
Telecomunicazioni musicali (clavicordo)
Automazione ed Elettronica (gustavo)
Direttive per la sicurezza (ErnestoCappelletti)
EYnfo dall'Alaska (mir)
Apriamo il quadro! (attilio)
H7-25 (asdf)
Passione Elettrica (massimob)
Elettroni a spasso (guidob)
Bloguerra (guerra)



