problema caduta di tensione
Moderatori:
carloc,
g.schgor,
BrunoValente,
IsidoroKZ
12 messaggi
• Pagina 1 di 2 • 1, 2
0
voti
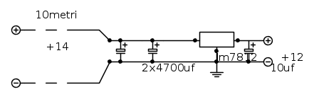
in ufficio (devo averlo per forza qui perché è sotto UPS) ho installato un trasformatore switch da 12volt trimmerabile e l'ho regolato al max cioè 14 volt, il trasformatore deve alimentare un circuito con tre relè temporizzati che si trovano (mi vergogno a dirlo) a circa 20metri di distanza per giunta collegati con fili di 0,5mm, dove ho il circuito a causa della caduta di tensione ho 11,5 volt il circuito in entrata ha un 7812 e dopo di lui ho una tensione di circa 10 volt che variano molto quando il circuito è in funzione, per ovviare agli sbalzi ho pensato di aggiungere 2 condensatori da 4700uf prima del 7812 che ne pensate servono a qualcosa? il circuito con i relè in funzione assorbe 0,2 amper se non mi sbaglio e il problema che i relè dovrebbero essere alimentati a 12 volt 
3
voti
E' come dire che avendo pochi soldi in banca, si aumentano le dimensioni del portafogli... Bah, lasciamo perdere.
Cambia la linea di alimentazione: usa conduttori di sezione 2,5 mm² e metti un piccolo condensatore aggiuntivo in ingresso di 100uF.
Il regolatore 7812 lavorerà malissimo, ma, diciamo che in uscita la tensione di 12V non verrà superata, (ma nemmeno garantita).
Cambia la linea di alimentazione: usa conduttori di sezione 2,5 mm² e metti un piccolo condensatore aggiuntivo in ingresso di 100uF.
Il regolatore 7812 lavorerà malissimo, ma, diciamo che in uscita la tensione di 12V non verrà superata, (ma nemmeno garantita).
-

Candy
32,5k 7 10 13 - CRU - Account cancellato su Richiesta utente
- Messaggi: 10123
- Iscritto il: 14 giu 2010, 22:54
0
voti
dato che non riesco a utilizzare dei conduttori del 2,5 ho deciso di avvicinare il trasformatore anch se non è più sotto UPS è un trasformatore switch regolato a 14volt e dovrebbe essere affidabile come protezioni a valle giusto? in più dopo ho anche un 7812?quindi prima del 7812 lascio i due condensatori da 4700uf e ne aggiungo uno sempre elettroliico da 100uf?
1
voti
Se non ho capito male a monte di tutto l'alimentazione proveniente dall'UPS è 230Vac, quindi credo convenga alimentare la linea a 230V invece che a 12V e installare il trasformatore 230V-12V a valle della linea e vicino all'utilizzatore.
-

BrunoValente
39,6k 7 11 13 - G.Master EY

- Messaggi: 7796
- Iscritto il: 8 mag 2007, 14:48
0
voti
ho avvicinato molto l'alimentatore e il 7812 riesce ad erogare 12volt, non ho più l'alimentatore sotto UPS ma non è un problema l'importante che il circuito a valle sia protetto al massimo possibile.
BrunoValente ha scritto:Se non ho capito male a monte di tutto l'alimentazione proveniente dall'UPS è 230Vac, quindi credo convenga alimentare la linea a 230V invece che a 12 V e installare il trasformatore 230V-12V a valle della linea e vicino all'utilizzatore.
da quel davvero poco che so mi sembra che sia meglio usarne pochi di trasformatori perché comunque consumano corrente per nulla no?e poi come sicurezza è meglio un alimentatore switching che un comune trasformatore con ponte e stabilizzatore??
1
voti
passo88 ha scritto:da quel davvero poco che so mi sembra che sia meglio usarne pochi di trasformatori perché comunque consumano corrente per nulla no?
Non è vero che consumano molto: hanno un rendimento alto.
passo88 ha scritto:e poi come sicurezza è meglio un alimentatore switching che un comune trasformatore con ponte e stabilizzatore??
Sicurezza può significare tante cose: sicuro da cosa? Folgorazioni? Sovratensioni? Rotture?... Cosa intendi?
...E poi avevo capito che il trasformatore ci fosse già:
passo88 ha scritto:in ufficio (devo averlo per forza qui perché è sotto UPS) ho installato un trasformatore ...
Che tensione esce dall'UPS?
-

BrunoValente
39,6k 7 11 13 - G.Master EY

- Messaggi: 7796
- Iscritto il: 8 mag 2007, 14:48
0
voti
dall'UPS esce la 220, protezione per i circuiti a valle da sovratensioni e sivurezza nei guasti,
quindi per quanto riguarda i consumi e la sicurezza da rotture per sovratensioni meglio piccoli alimentatori (normalissimo trasformatore con ponte a diodi e stabilizzatore) che uno grande switching?sicuramente ci sarà un po' di perdita nel caso di un solo alimentatore perché più il cavo è lungo più consuma.
p.s. bruno si di modena??mi sembra dalla foto nel tuo nik di averti visto iin un negozio a modena di componenti elettronici
quindi per quanto riguarda i consumi e la sicurezza da rotture per sovratensioni meglio piccoli alimentatori (normalissimo trasformatore con ponte a diodi e stabilizzatore) che uno grande switching?sicuramente ci sarà un po' di perdita nel caso di un solo alimentatore perché più il cavo è lungo più consuma.
p.s. bruno si di modena??mi sembra dalla foto nel tuo nik di averti visto iin un negozio a modena di componenti elettronici
12 messaggi
• Pagina 1 di 2 • 1, 2
Chi c’è in linea
Visitano il forum: Nessuno e 62 ospiti

Elettrotecnica e non solo (admin)
Un gatto tra gli elettroni (IsidoroKZ)
Esperienza e simulazioni (g.schgor)
Moleskine di un idraulico (RenzoDF)
Il Blog di ElectroYou (webmaster)
Idee microcontrollate (TardoFreak)
PICcoli grandi PICMicro (Paolino)
Il blog elettrico di carloc (carloc)
DirtEYblooog (dirtydeeds)
Di tutto... un po' (jordan20)
AK47 (lillo)
Esperienze elettroniche (marco438)
Telecomunicazioni musicali (clavicordo)
Automazione ed Elettronica (gustavo)
Direttive per la sicurezza (ErnestoCappelletti)
EYnfo dall'Alaska (mir)
Apriamo il quadro! (attilio)
H7-25 (asdf)
Passione Elettrica (massimob)
Elettroni a spasso (guidob)
Bloguerra (guerra)

