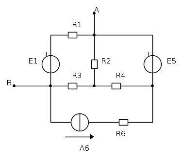
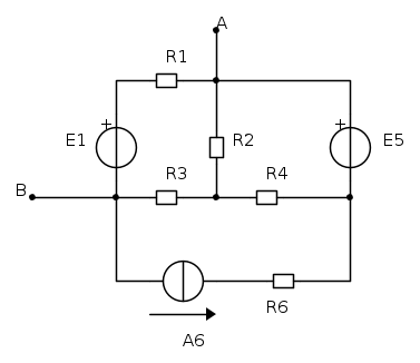
Vicar1992 ha scritto:[..]
ma fare:
R1||(R2+R3||R4)
è la stessa cosa? [..]
No
Moderatori:
g.schgor,
IsidoroKZ
Vicar1992 ha scritto:... se volessi calcolare la tensione AB nel mio come devo farei?
. Spegniamo i generatori indipendenti, come ti dicevo:
?


Vicar1992 ha scritto:1. R6 non c'è più poiché hai aperto il circuito per il generatore ideale di corrente e quindi non passa corrente, è corretto?
Vicar1992 ha scritto: 2. Secondo me sono in parallelo queste..


Vicar1992 ha scritto:È corretto?


Vicar1992 ha scritto:Come capisco quali hanno la stessa tensione?


Torna a Elettrotecnica generale
Visitano il forum: Nessuno e 28 ospiti