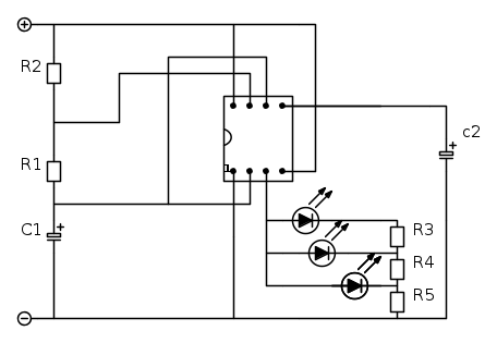
ecco lo schema
scusatemi se non è perfetto ma è il primo schema che faccio XD ho dato C1= 1uf R2= 7.2Kohm R1= 1kohm R3=R4=R5= 270ohm (sono i calcoli di prima).Io con i condesatori (c1 e c2) ho inserito dei condensatori elettrolitici,sono giusti? o dovevo mettere dei normali condensatori?
Adesso volevo provare con Ton=5sec Toff=5sec e DC=50% ma ho letto su internet che con DC => di 50 lo schema è abbastanza diverso.
Alimentazione circuiti e led
Moderatori:
carloc,
g.schgor,
BrunoValente,
IsidoroKZ
0
voti
razielmitico ha scritto:ecco lo schema
R3=R4=R5= 270ohm (sono i calcoli di prima)
Queste resistenze sono connesse im maniera errata. In questo modo il led connesso ad R3 e quello connesso ad R4 non si accenderanno mai...
Le singole resistenze vanno connesse al riferimento 0V, creando 3 rami serie-led-resistenza tra loro in parallelo, così:
Se non ti è chiaro il perché chiedi e ti sarà spiegato
saluti
_-^-_-^-_-^-_-^-_-^-_-^-_-^-_-^-_-^-_-^-_-^-_-^-_-^-_-^-_
Pepito Sbazzeguti
"gratta il Pepito e troverai il Pepone"
Pepito Sbazzeguti
"gratta il Pepito e troverai il Pepone"
0
voti
Giusta osservazione di
Pepito, allego lo schema corretto:
Il modo che hai collegato i led e' sbagliato in quanto il primo led non e' connesso al riferimento solo da R3 ma da R3/R4/R5 in serie, per un valore complessivo di 810 ohm; il secondo tramite R4/R5 per 540 ohm.
In questa condizione i led non potrebbero accendersi se non l'ultimo che e' giustamente connesso con soli 270 ohm.
Per quanto attiene la rappresentazione dei condensatori, tutto dipende ( e ormai dovresti averlo capito) dai tempi che vuoi ottenere; quindi elettrolitici (grande capacita') per tempi lunghi e ceramici o plastici (piccola capacita') per tempi brevi.
Il modo che hai collegato i led e' sbagliato in quanto il primo led non e' connesso al riferimento solo da R3 ma da R3/R4/R5 in serie, per un valore complessivo di 810 ohm; il secondo tramite R4/R5 per 540 ohm.
In questa condizione i led non potrebbero accendersi se non l'ultimo che e' giustamente connesso con soli 270 ohm.
Per quanto attiene la rappresentazione dei condensatori, tutto dipende ( e ormai dovresti averlo capito) dai tempi che vuoi ottenere; quindi elettrolitici (grande capacita') per tempi lunghi e ceramici o plastici (piccola capacita') per tempi brevi.
marco
0
voti
Oltre alla correzione apportata, ovvero ad ogni LED una resistenza in serie, devi usare per C2 un poliestere da 10nF, e con i valori da te assunti hai un DC di circa 90% (quasi sempre acceso diciamo) per una frequenza di circa 160 Hz. L'alimentazione mi sfugge, 12V? 
PS Pardon, ho visto ora che
marco438 ha gia' risposto 
PS Pardon, ho visto ora che

-

rusty
4.075 2 9 11 - Utente disattivato per decisione dell'amministrazione proprietaria del sito
- Messaggi: 1578
- Iscritto il: 25 gen 2009, 13:10
0
voti
Tornando a bomba, se alimenti a 12V potrebbero pure andare bene i 270
sui LED, ma con i valori da te indicato hai, ripeto, un DC del 90% circa a 160 Hz, scordati di vedere un lampeggio, vedrai i LED accesi perennemente. Se vuoi vedere qualcosa che si avvicini ad un lampeggio, usa:



Per avere un lampeggio di circa 2 Hz e un DC di circa 60% o giu' di li'... vedrai i LED accendersi e spegnersi proprio a mo' di lampeggio, come noi umani lo intendiamo
sui LED, ma con i valori da te indicato hai, ripeto, un DC del 90% circa a 160 Hz, scordati di vedere un lampeggio, vedrai i LED accesi perennemente. Se vuoi vedere qualcosa che si avvicini ad un lampeggio, usa:


Per avere un lampeggio di circa 2 Hz e un DC di circa 60% o giu' di li'... vedrai i LED accendersi e spegnersi proprio a mo' di lampeggio, come noi umani lo intendiamo

-

rusty
4.075 2 9 11 - Utente disattivato per decisione dell'amministrazione proprietaria del sito
- Messaggi: 1578
- Iscritto il: 25 gen 2009, 13:10
0
voti
razielmitico ha scritto:Adesso volevo provare con Ton=5sec Toff=5sec e DC=50% ma ho letto su internet che con DC => di 50 lo schema è abbastanza diverso.
Mi pare abbia anche detto di usare alimentazione a 9V.
marco
0
voti
l'alimentazione è a 6 volt (4 pile di tipo AA)
non ho ben capito,perché con i valori di R1= 1Kohm e R2=7,24Kohm è errato? la frequenza è di 0,1hertz e i tempi di 5ms e 5ms per un totale di 10ms,ma in effetti i tempi sono molto brevi (5millisecondi...).
Ho fatto un altro esempio
Ton=4sec toff=6sec T= 10sec f=0,1HZ c=10uf
R2= 869,5kohm R1= 1,65 kohm
che ne pensate di questi valori? (ci sono degli arrotondamenti nelle resistenze)
non ho ben capito,perché con i valori di R1= 1Kohm e R2=7,24Kohm è errato? la frequenza è di 0,1hertz e i tempi di 5ms e 5ms per un totale di 10ms,ma in effetti i tempi sono molto brevi (5millisecondi...).
Ho fatto un altro esempio
Ton=4sec toff=6sec T= 10sec f=0,1HZ c=10uf
R2= 869,5kohm R1= 1,65 kohm
che ne pensate di questi valori? (ci sono degli arrotondamenti nelle resistenze)
-

razielmitico
-10 5 - Frequentatore

- Messaggi: 153
- Iscritto il: 23 ott 2012, 22:59
0
voti
Mi piacerebbe sapere perche' (e mi pare di averlo gia detto) vai a cercare i tempi piu strani che si possano immaginare.
Per vedere lampeggiare un led bisogna ottenere tempi da 1 a 20Hz circa; con tempi piu' brevi non riusciresti piu' a vedere accensione e spegnimento ed il led rimarrebbe sempre acceso.
Beh, forse ho esagerato un po' ma ti ho gia' ripetuto diverse volte che sarebbe molto meglio se tu cominciassi a realizzare il circuito, per renderti conto visivamente di quello che succede.
In seguito poi (tanto basta cambiare due/tre componenti) potresti sbizzarrirti nei tuoi esperimenti.
Per vedere lampeggiare un led bisogna ottenere tempi da 1 a 20Hz circa; con tempi piu' brevi non riusciresti piu' a vedere accensione e spegnimento ed il led rimarrebbe sempre acceso.
Beh, forse ho esagerato un po' ma ti ho gia' ripetuto diverse volte che sarebbe molto meglio se tu cominciassi a realizzare il circuito, per renderti conto visivamente di quello che succede.
In seguito poi (tanto basta cambiare due/tre componenti) potresti sbizzarrirti nei tuoi esperimenti.
marco
0
voti
Ho gia una breadboard a casa,adesso scendo a prendere qualche resistenza,a che ci sono prendo anche le resistenze da me calcolate e vediamo cosa succede,per le resistenze R3,R4,R5 270ohm quindi? come avevamo calcolato? (visto che la tensione è di 6v) e cerco di calcolare anche R1 e R2 con una frequenza di 1hz.Poi posto tutto se riesco posto anche il circuito!
Per il disegno ho capito cosa intendevate e sono stato stupido a non accorgermene da solo! XD grazie7
EDIT: con una DC del 60% lo schema del circuito resta lo stesso?
Per il disegno ho capito cosa intendevate e sono stato stupido a non accorgermene da solo! XD grazie7
EDIT: con una DC del 60% lo schema del circuito resta lo stesso?
-

razielmitico
-10 5 - Frequentatore

- Messaggi: 153
- Iscritto il: 23 ott 2012, 22:59
Chi c’è in linea
Visitano il forum: Nessuno e 304 ospiti

Elettrotecnica e non solo (admin)
Un gatto tra gli elettroni (IsidoroKZ)
Esperienza e simulazioni (g.schgor)
Moleskine di un idraulico (RenzoDF)
Il Blog di ElectroYou (webmaster)
Idee microcontrollate (TardoFreak)
PICcoli grandi PICMicro (Paolino)
Il blog elettrico di carloc (carloc)
DirtEYblooog (dirtydeeds)
Di tutto... un po' (jordan20)
AK47 (lillo)
Esperienze elettroniche (marco438)
Telecomunicazioni musicali (clavicordo)
Automazione ed Elettronica (gustavo)
Direttive per la sicurezza (ErnestoCappelletti)
EYnfo dall'Alaska (mir)
Apriamo il quadro! (attilio)
H7-25 (asdf)
Passione Elettrica (massimob)
Elettroni a spasso (guidob)
Bloguerra (guerra)





