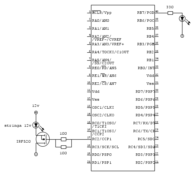
Ciao a tutti, sto cercando di pilotare un mosfet a canale N tipo IRF520 con il segnale PWM generato da un PIC16F877A ma ho un comportamento che non riesco a spiegarmi. lo schema che uso è
nello schema ho omesso la circuteria di reset e l'alimentazione, il PIC e il led su RB7 fanno parte di una sceda di sviluppo autocostruita, la stringa in realtà è una lampada formata da 24 led che richiede l'alimentazione a 12v (pensata per le auto) e insieme al mosfet e ai due resistori da 100ohm sono montati su breadboard.
Il firmware è funzionante con un semplice led e relativa resistenza di limitazione in serie(verificato anche all'oscilloscopio), ma collegandolo al gate del mosfet per mezzo della resistenza da 50ohm non accade nulla.
Pensando che la VGS non fosse sufficiente a creare il canale ho eliminato la resistenza da 50ohm collegando direttamente RC2 al gate e ho notato una variazione quasi impercettibile della luminosità e quindi del duty cycle che varia im maniera automatica.
Ho provato diverse frequenze da 1.22KHz a 78.12KHz ma nulla è cambiato.
Così ho eliminato il led su RB7 e vi ho collegato il gate de mosfet utilizzando il pin in maniera on-off comandata da un pulsante e ottengo un lieve luminosità qundo il pin è a livello alto.
Ultima prova ho collegato al gate direttamente 5V dall'alimentazione stabilizzata che alimenta la scheda di sviluppo e la lampada si è accesa alla massima luminosità!
Multimetro alla mano ho fatto le seguenti misurazioni:
- gate collegato su RB7 a livello alto con in serie resistenza da 50ohm misuro su RB7 circa 1.5v
- gate collegato su RB7 a livello alto senza resistenza da 50ohm misuro su RB7 circa 2.8v
- gate collegato all'alimentatore stabilizzato con in serie resistenza da 50ohm misuro circa 45mA
- gate collegato all'alimentatore stabilizzato senza resistenza da 50ohm misuro circa 70mA
Se non ho capito male il gate che è comandato in tensione non dovrebbe assorbire corrente e dovrei poterlo comandare direttamente con una uscita del PIC, dove sto sbagliando?
Gate di un mosfet assorbe corrente??
Moderatori:
carloc,
g.schgor,
BrunoValente,
IsidoroKZ
41 messaggi
• Pagina 1 di 5 • 1, 2, 3, 4, 5
0
voti
0
voti
Ciao,
potrebbe esserti molto molto utile questa discussione,
viewtopic.php?t=39109&p=345813#p345813
dagli un'occhiata poi eventualmente valutiamo eventuali dubbi..
potrebbe esserti molto molto utile questa discussione,
viewtopic.php?t=39109&p=345813#p345813
dagli un'occhiata poi eventualmente valutiamo eventuali dubbi..

-

grandegiove
1.151 1 4 8 - Expert

- Messaggi: 517
- Iscritto il: 18 ott 2010, 9:59
0
voti
Grazie
grandegiove in effetti ho verificato il datasheet e l'IRF520 ha capacità d'ingresso dichiarata di 460pF quindi penso non trascurabile. Intanto provo ad inserire una resistenza tra gate e source lasciando quella tra PIC e gate e vediamo cosa accade.......
0
voti
Ho inserito un resistore da 100ohm tra gate e sorce ma sia con che senza la resistenza tra gate e PIC non ho ottenuto alcun cambiamento...
0
voti
Sbaglio o da un pin che eroga 5v e max 25mA sto pretendendo 100mA con una resistenza da 50 ohm tra gate e PIC?
Potrebbe essere che il PIC va in protezione?
Potrebbe essere che il PIC va in protezione?0
voti
nel circuito i collegamenti sono esatti, corro a modificare lo schema3
voti
Se un MOS ha un consumo statico di corrente sul gate vuol dire che e` guasto. Staccalo dal circuito e misura la resistenza fra gate e source, invertendo anche i puntali del multimetro, deve dare resistenza infinita in entrambe le direzioni.
Se sembra avere un consumo statico sul gate, potrebbe anche essere in autoscillazione, specie se ci sono fili lunghi. Un'occhiata con l'oscilloscopio permette di escludere questo caso, che e` abbastanza raro.
Infine quel MOS non e` adatto a quel circuito. Ti serve un MOS di tipo logic level, l'IFR520 non lo e`.
Se sembra avere un consumo statico sul gate, potrebbe anche essere in autoscillazione, specie se ci sono fili lunghi. Un'occhiata con l'oscilloscopio permette di escludere questo caso, che e` abbastanza raro.
Infine quel MOS non e` adatto a quel circuito. Ti serve un MOS di tipo logic level, l'IFR520 non lo e`.
Per usare proficuamente un simulatore, bisogna sapere molta più elettronica di lui
Plug it in - it works better!
Il 555 sta all'elettronica come Arduino all'informatica! (entrambi loro malgrado)
Se volete risposte rispondete a tutte le mie domande
Plug it in - it works better!
Il 555 sta all'elettronica come Arduino all'informatica! (entrambi loro malgrado)
Se volete risposte rispondete a tutte le mie domande
0
voti
IsidoroKZ ha scritto:Se un MOS ha un consumo statico di corrente sul gate vuol dire che e` guasto. Staccalo dal circuito e misura la resistenza fra gate e source, invertendo anche i puntali del multimetro, deve dare resistenza infinita in entrambe le direzioni.
Ho a disposizione quattro MOS dello stesso tipo:
- quello del circuito mi da 50 ohm anche invertendo i puntali
- gli altri tre resistenza infinita
deduco dal consiglio di
IsidoroKZ ha scritto:quel MOS non e` adatto a quel circuito. Ti serve un MOS di tipo logic level, l'IFR520 non lo e`.
Temevo proprio che il mosfet non fosse adatto allo scopo, ma ho trovato questa application note http://www.diodes.com/_files/design_note_pdfs/zetex/dn80.pdf potrebbe aiutarmi utilizzando sempre un pilotaggio in PWM?
1
voti
L'application note che hai trovato non e` rilevante per il tuo problema. Dal micro escono al massimo 5V, mentre l'IRF520 ha bisogno di 10V per accendersi bene. A 5V si accendicchia, ma non e` detto che tutti si accendano allo stesso modo, senza scaldare troppo. Ad esempio potresti usare IRL520, IRL530, IRLZ24 e tanti altri.
Per usare proficuamente un simulatore, bisogna sapere molta più elettronica di lui
Plug it in - it works better!
Il 555 sta all'elettronica come Arduino all'informatica! (entrambi loro malgrado)
Se volete risposte rispondete a tutte le mie domande
Plug it in - it works better!
Il 555 sta all'elettronica come Arduino all'informatica! (entrambi loro malgrado)
Se volete risposte rispondete a tutte le mie domande
41 messaggi
• Pagina 1 di 5 • 1, 2, 3, 4, 5
Chi c’è in linea
Visitano il forum: Nessuno e 116 ospiti

Elettrotecnica e non solo (admin)
Un gatto tra gli elettroni (IsidoroKZ)
Esperienza e simulazioni (g.schgor)
Moleskine di un idraulico (RenzoDF)
Il Blog di ElectroYou (webmaster)
Idee microcontrollate (TardoFreak)
PICcoli grandi PICMicro (Paolino)
Il blog elettrico di carloc (carloc)
DirtEYblooog (dirtydeeds)
Di tutto... un po' (jordan20)
AK47 (lillo)
Esperienze elettroniche (marco438)
Telecomunicazioni musicali (clavicordo)
Automazione ed Elettronica (gustavo)
Direttive per la sicurezza (ErnestoCappelletti)
EYnfo dall'Alaska (mir)
Apriamo il quadro! (attilio)
H7-25 (asdf)
Passione Elettrica (massimob)
Elettroni a spasso (guidob)
Bloguerra (guerra)




