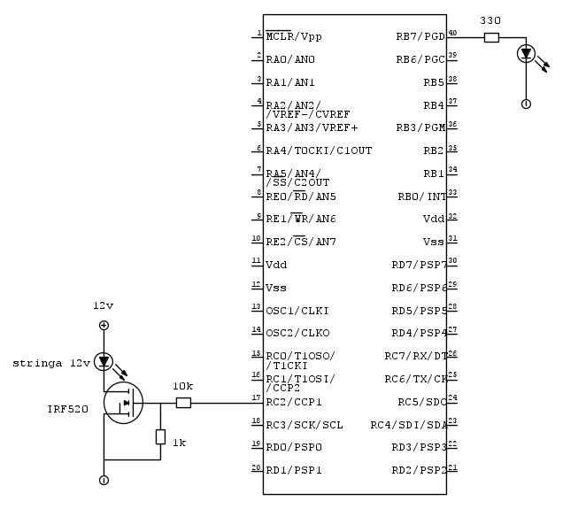
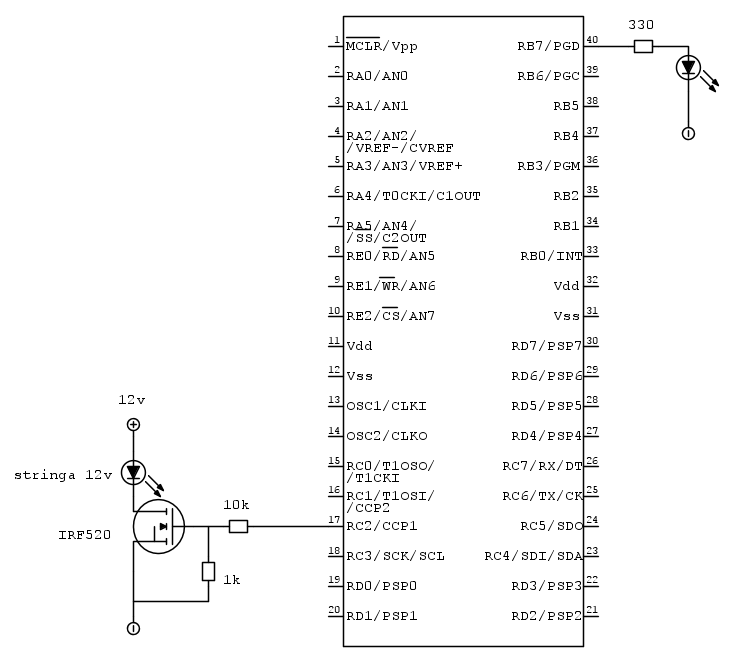
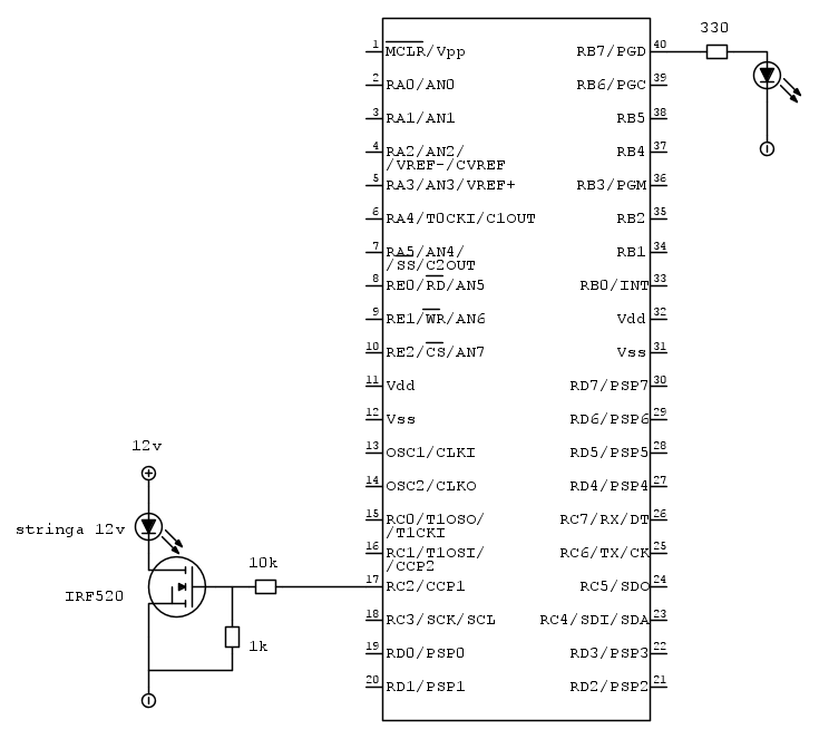
Mi sa che la colpa ce l'ha quella resistenza che hai collegato tra gate e source, che forma un partitore con l'impedenza d'uscita del PIC.
Se quella resistenza è troppo bassa, abbassa la tensione d'uscita.
Dovresti invece collegarla così (e probabilmente aumentarne un po' il valore):
Gate di un mosfet assorbe corrente??
Moderatori:
carloc,
g.schgor,
BrunoValente,
IsidoroKZ
41 messaggi
• Pagina 3 di 5 • 1, 2, 3, 4, 5
1
voti
Big fan of ⋮ƎlectroYou! Ausili per disabili e anziani su ⋮ƎlectroYou
Caratteri utili: À È É Ì Ò Ó Ù α β γ δ ε η θ λ μ π ρ σ τ φ ω Ω º ª ² ³ √ ∛ ∜ ₀ ₁ ₂ ₃ ₄ ₅ ₆ ∃ ∄ ∆ ∈ ∉ ± ∓ ∾ ≃ ≈ ≠ ≤ ≥
Caratteri utili: À È É Ì Ò Ó Ù α β γ δ ε η θ λ μ π ρ σ τ φ ω Ω º ª ² ³ √ ∛ ∜ ₀ ₁ ₂ ₃ ₄ ₅ ₆ ∃ ∄ ∆ ∈ ∉ ± ∓ ∾ ≃ ≈ ≠ ≤ ≥
0
voti
Grande La resistenza che hai consigliato l'ho messa da 10k ma non è stata una scelta pensata, e visto che ha funzionato ricavare tale valore?
0
voti
Ho provato anche questo schema
e funziona lo stesso anche se togliendo la resistenza da 1k tra gate e source la regolazione della luminosità risulta più fine soprattutto quando il duty cycle è in pregressione.
Ora proverò a tenerlo acceso un po' per sentire se scalda.
In entrambi i casi però (con o senza resistore da 1K) ho un brevissimo lampeggio all'accensione del micro.......
Era solo un problema di corretto dimensionamento delle resistenze?
e funziona lo stesso anche se togliendo la resistenza da 1k tra gate e source la regolazione della luminosità risulta più fine soprattutto quando il duty cycle è in pregressione.
Ora proverò a tenerlo acceso un po' per sentire se scalda.
In entrambi i casi però (con o senza resistore da 1K) ho un brevissimo lampeggio all'accensione del micro.......
Era solo un problema di corretto dimensionamento delle resistenze?
0
voti
La cosa mi incuriosisce.
Confermi che funziona con la sola resistenza da 10kohm in serie al gate?
Se la cortocircuiti con un pezzo di filo funziona ancora il circuito?
Confermi che funziona con la sola resistenza da 10kohm in serie al gate?
Se la cortocircuiti con un pezzo di filo funziona ancora il circuito?
Per usare proficuamente un simulatore, bisogna sapere molta più elettronica di lui
Plug it in - it works better!
Il 555 sta all'elettronica come Arduino all'informatica! (entrambi loro malgrado)
Se volete risposte rispondete a tutte le mie domande
Plug it in - it works better!
Il 555 sta all'elettronica come Arduino all'informatica! (entrambi loro malgrado)
Se volete risposte rispondete a tutte le mie domande
0
voti
Con la sola resistenza da 10k in serie al gate funziona sia con i 5v stabili presi in uscita ad una porta del micro, sia in PWM.
Intendi se dò i 5v al gate omettendo la resistenza da 10k? Se è così il circuito non mi funziona e la tensione in uscita dal pin si abbassa a circa 2v
IsidoroKZ ha scritto:Se la cortocircuiti con un pezzo di filo funziona ancora il circuito?
Intendi se dò i 5v al gate omettendo la resistenza da 10k? Se è così il circuito non mi funziona e la tensione in uscita dal pin si abbassa a circa 2v
1
voti
Molto curioso! Hai messo un condensatore ceramico da 100nF/1uF sull'alimentazione del microcontrollore?
Com'e` la piantina (proprio la carta geografica) dei collegamenti dei due ground (5V e 12V), del collegamento del carico e del collegamento di gate?
Com'e` la piantina (proprio la carta geografica) dei collegamenti dei due ground (5V e 12V), del collegamento del carico e del collegamento di gate?
Per usare proficuamente un simulatore, bisogna sapere molta più elettronica di lui
Plug it in - it works better!
Il 555 sta all'elettronica come Arduino all'informatica! (entrambi loro malgrado)
Se volete risposte rispondete a tutte le mie domande
Plug it in - it works better!
Il 555 sta all'elettronica come Arduino all'informatica! (entrambi loro malgrado)
Se volete risposte rispondete a tutte le mie domande
0
voti
Il micro ha un poliestere da 100nF tra alimentazione e riferimento, il MOS e il resistore stanno su breadboard, le alimentazioni e i riferimenti (collegati insieme) arrivano alla breadboard con dei cavetti da 0.5 credo ciascuno lungo circa 50cm e provvisti di terminali a coccodrillo....le tue domande mi fanno pensare che quando realizzerò il PCB definitivo qualcosa non andrà........ 
3
voti
Non so che cosa non andra`. Ho bisogno di vedere la "carta geografica" quasi in scala di tutti i collegamenti.
Potrebbero esserci dei problemi di autoscillazione oppure il micro viene continuamente resettato per fenomeni di ground bounce (0V del micro che va a spasso)
Puoi dare un'occhiata con l'oscilloscopio al piedino di uscita del micro quando e` a 2V?
In ogni caso benvenuto nel mondo delle induttanze parassite e dei MOS che commutano velocemente
Potrebbero esserci dei problemi di autoscillazione oppure il micro viene continuamente resettato per fenomeni di ground bounce (0V del micro che va a spasso)
Puoi dare un'occhiata con l'oscilloscopio al piedino di uscita del micro quando e` a 2V?
In ogni caso benvenuto nel mondo delle induttanze parassite e dei MOS che commutano velocemente
Per usare proficuamente un simulatore, bisogna sapere molta più elettronica di lui
Plug it in - it works better!
Il 555 sta all'elettronica come Arduino all'informatica! (entrambi loro malgrado)
Se volete risposte rispondete a tutte le mie domande
Plug it in - it works better!
Il 555 sta all'elettronica come Arduino all'informatica! (entrambi loro malgrado)
Se volete risposte rispondete a tutte le mie domande
0
voti
Intanto un po' di foto dei collegamenti
- Allegati
-
- DSCN1268.JPG (71.1 KiB) Osservato 2881 volte
-
- DSCN1270.JPG (58.74 KiB) Osservato 2881 volte
-
- DSCN1266.JPG (75.18 KiB) Osservato 2881 volte
Ultima modifica di
stainless il 4 nov 2012, 13:12, modificato 1 volta in totale.
41 messaggi
• Pagina 3 di 5 • 1, 2, 3, 4, 5
Chi c’è in linea
Visitano il forum: Nessuno e 58 ospiti

Elettrotecnica e non solo (admin)
Un gatto tra gli elettroni (IsidoroKZ)
Esperienza e simulazioni (g.schgor)
Moleskine di un idraulico (RenzoDF)
Il Blog di ElectroYou (webmaster)
Idee microcontrollate (TardoFreak)
PICcoli grandi PICMicro (Paolino)
Il blog elettrico di carloc (carloc)
DirtEYblooog (dirtydeeds)
Di tutto... un po' (jordan20)
AK47 (lillo)
Esperienze elettroniche (marco438)
Telecomunicazioni musicali (clavicordo)
Automazione ed Elettronica (gustavo)
Direttive per la sicurezza (ErnestoCappelletti)
EYnfo dall'Alaska (mir)
Apriamo il quadro! (attilio)
H7-25 (asdf)
Passione Elettrica (massimob)
Elettroni a spasso (guidob)
Bloguerra (guerra)





