Ciao,
nelle connessioni audio bilanciate quanto è importante la simmetria di frequenza e di ampiezza tra le due fasi ?
Ho un sintetizzatore con uscita bilanciata, nonostante all'oscilloscopio ci sia un ampiezza delle due fasi con un errore di 150 mV, il segnale in cuffia (prelevato dal mixer a cui è collegato il sintetizzatore) arriva in frequenza perfetta (1 kHz @ -12 dBu) e senza rumore udibile (la distanza tra sintetizzatore e mixer è di 15 metri).
Simmetria di un segnale audio bilanciato
Moderatore:
IsidoroKZ
0
voti
I cavi bilanciati o xlr per quel che ne so io possono subire cadute di tensione dovute alla lunghezza ma non influisce sui rumori (la lunghezza del cavo) che in teoria proprio per il tipo di collegamento si dovrebbero annullare.
0
voti
MassimoB ha scritto:I cavi bilanciati o xlr per quel che ne so io possono subire cadute di tensione dovute alla lunghezza ma non influisce sui rumori
anche quando per caso fortuito la caduta di tensione non è simmetrica ?
4
voti
francos ha scritto:Ho un sintetizzatore con uscita bilanciata, nonostante all'oscilloscopio ci sia un ampiezza delle due fasi con un errore di 150 mV, il segnale in cuffia (prelevato dal mixer a cui è collegato il sintetizzatore) arriva in frequenza perfetta
E come potrebbe essere diversa la frequenza?
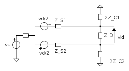
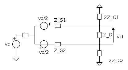
In una linea bilanciata, ciò che è veramente importante per la reiezione ai disturbi è che le impedenze della sorgente e del carico siano effettivamente bilanciate, altrimenti si ha un peggioramento del rapporto di reiezione comune. Nella figura sotto,
è il segnale utile che deve essere trasmesso attraverso la linea bilanciata, mentre
, la tensione di modo comune, è un segnale di disturbo. La sorgente è modellata con una rete a T mentre il carico (p.es. l'ingresso di un amplificatore) è modellato con una rete a
. Se
e
parte della tensione di modo comune viene trasferita al modo differenziale e si avrà
, dove
è un coefficiente che dipende dallo sbilanciamento delle impedenze.It's a sin to write
instead of
(Anonimo).
...'cos you know that
ain't
, right?
You won't get a sexy tan if you write
in lieu of
.
Take a log for a fireplace, but don't take
for
arithm.
instead of
(Anonimo)....'cos you know that
ain't
, right?You won't get a sexy tan if you write
in lieu of
.Take a log for a fireplace, but don't take
for
arithm.-

DirtyDeeds
55,9k 7 11 13 - G.Master EY

- Messaggi: 7012
- Iscritto il: 13 apr 2010, 16:13
- Località: Somewhere in nowhere
0
voti

"Non farei mai parte di un club che accettasse la mia iscrizione" (G. Marx)
-

claudiocedrone
21,3k 4 7 9 - Master EY

- Messaggi: 15303
- Iscritto il: 18 gen 2012, 13:36
5
voti
claudiocedrone ha scritto:Significherebbe un valore di impedenza molto diverso tra i due "fili" cosa alquanto improbabile tra due conduttori uguali ed efficienti.
L'ampiezza dei segnali non ha nulla a che fare con le impedenze. Le tensioni tra i due conduttori "caldi" di una linea bilanciata e il conduttore di riferimento devono avere valori diversi, altrimenti il segnale utile sarebbe sempre zero
It's a sin to write
instead of
(Anonimo).
...'cos you know that
ain't
, right?
You won't get a sexy tan if you write
in lieu of
.
Take a log for a fireplace, but don't take
for
arithm.
instead of
(Anonimo)....'cos you know that
ain't
, right?You won't get a sexy tan if you write
in lieu of
.Take a log for a fireplace, but don't take
for
arithm.-

DirtyDeeds
55,9k 7 11 13 - G.Master EY

- Messaggi: 7012
- Iscritto il: 13 apr 2010, 16:13
- Località: Somewhere in nowhere
0
voti
DirtyDeeds ha scritto:L'ampiezza dei segnali non ha nulla a che fare con le impedenze. Le tensioni tra i due conduttori "caldi" di una linea bilanciata e il conduttore di riferimento devono avere valori diversi, altrimenti il segnale utile sarebbe sempre zero
Posso sbagliarmi (è un po' che non tratto il campo
0
voti
MassimoB ha scritto:3 freddo e 2 caldo?
Chiamali pure freddo e caldo, ma, in effetti, sono due caldi ed è per questo che in [6] ho usato le virgolette
It's a sin to write
instead of
(Anonimo).
...'cos you know that
ain't
, right?
You won't get a sexy tan if you write
in lieu of
.
Take a log for a fireplace, but don't take
for
arithm.
instead of
(Anonimo)....'cos you know that
ain't
, right?You won't get a sexy tan if you write
in lieu of
.Take a log for a fireplace, but don't take
for
arithm.-

DirtyDeeds
55,9k 7 11 13 - G.Master EY

- Messaggi: 7012
- Iscritto il: 13 apr 2010, 16:13
- Località: Somewhere in nowhere
0
voti

"Non farei mai parte di un club che accettasse la mia iscrizione" (G. Marx)
-

claudiocedrone
21,3k 4 7 9 - Master EY

- Messaggi: 15303
- Iscritto il: 18 gen 2012, 13:36
Torna a Elettronica e spettacolo
Chi c’è in linea
Visitano il forum: Nessuno e 25 ospiti

Elettrotecnica e non solo (admin)
Un gatto tra gli elettroni (IsidoroKZ)
Esperienza e simulazioni (g.schgor)
Moleskine di un idraulico (RenzoDF)
Il Blog di ElectroYou (webmaster)
Idee microcontrollate (TardoFreak)
PICcoli grandi PICMicro (Paolino)
Il blog elettrico di carloc (carloc)
DirtEYblooog (dirtydeeds)
Di tutto... un po' (jordan20)
AK47 (lillo)
Esperienze elettroniche (marco438)
Telecomunicazioni musicali (clavicordo)
Automazione ed Elettronica (gustavo)
Direttive per la sicurezza (ErnestoCappelletti)
EYnfo dall'Alaska (mir)
Apriamo il quadro! (attilio)
H7-25 (asdf)
Passione Elettrica (massimob)
Elettroni a spasso (guidob)
Bloguerra (guerra)


