Ciao a tutti, io non sono tanto pratico del settore così mi rivolgo a voi.
Ho un segnale analogico da 0 a 10 volt in uscita da un comune potenziometro e vorrei spostare questo renge di 10 volt tra -5 e +5 volt.
Se puede fare sta cosa????
Offset segnale analogico in tensione
Moderatori:
carloc,
g.schgor,
BrunoValente,
IsidoroKZ
7 messaggi
• Pagina 1 di 1
0
voti
0
voti
cocco580 ha scritto:Se puede fare sta cosa????
In italiano o spagnolo? Sí, se puede ... Però a cosa sono riferiti i -5V e +5V?
Da dove prendi il loro potenziale di riferimento? Quale dispositivo deve essere usufruire di +5 e -5V?
0
voti
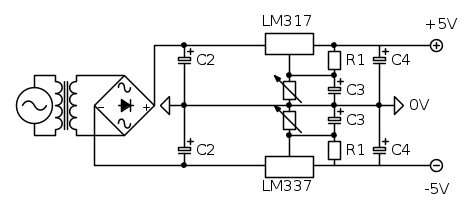
Ecco qua ho fatto uno schemino che vale più di mille parole.
In pratica vorrei ottenere una tensione in uscita dal potenziometro di destra che parta da -5V fino a +5V, in poche parole un offset di -5V rispetto a quello che ottengo ora dal circuito.....
In pratica vorrei ottenere una tensione in uscita dal potenziometro di destra che parta da -5V fino a +5V, in poche parole un offset di -5V rispetto a quello che ottengo ora dal circuito.....
0
voti
Riproponiamo lo schema, che è come lo devi postare.
Cosa vuol dire +12V/24 V?
Se hai un trasformatore con 24 V sul secondario, perché non costruire un alimentatore duale?
Con un 7805 ed un 7905 risolvi. O sennò con un LM337 per la tensione negativa rispetto al riferimento.
Altrimenti per il momento leggi anche qui.
Non hai detto cosa devi alimentare a +5V e -5V.
Cosa vuol dire +12V/24 V?
Se hai un trasformatore con 24 V sul secondario, perché non costruire un alimentatore duale?
Con un 7805 ed un 7905 risolvi. O sennò con un LM337 per la tensione negativa rispetto al riferimento.
Altrimenti per il momento leggi anche qui.
Non hai detto cosa devi alimentare a +5V e -5V.
0
voti
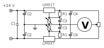
C1=1mF
C2=0.1µF
C3=10µF
C4=1µF
R1=250Ohm
Impostando out dell'LM317 a +5V e a -5V LM337, spostando il cursore del potenziometro il voltmetro misurerà quello che sto cercando? Cioè una tensione che va da -5V a +5V.
(Bello sto programmino per far schemi)
7 messaggi
• Pagina 1 di 1
Chi c’è in linea
Visitano il forum: Nessuno e 51 ospiti

Elettrotecnica e non solo (admin)
Un gatto tra gli elettroni (IsidoroKZ)
Esperienza e simulazioni (g.schgor)
Moleskine di un idraulico (RenzoDF)
Il Blog di ElectroYou (webmaster)
Idee microcontrollate (TardoFreak)
PICcoli grandi PICMicro (Paolino)
Il blog elettrico di carloc (carloc)
DirtEYblooog (dirtydeeds)
Di tutto... un po' (jordan20)
AK47 (lillo)
Esperienze elettroniche (marco438)
Telecomunicazioni musicali (clavicordo)
Automazione ed Elettronica (gustavo)
Direttive per la sicurezza (ErnestoCappelletti)
EYnfo dall'Alaska (mir)
Apriamo il quadro! (attilio)
H7-25 (asdf)
Passione Elettrica (massimob)
Elettroni a spasso (guidob)
Bloguerra (guerra)






