Cos'è ElectroYou | Login Iscriviti

ElectroYou - la comunità dei professionisti del mondo elettrico

Raddrizzatore Trifase

Elettronica lineare e digitale: didattica ed applicazioni

Moderatori: Foto Utentecarloc, Foto Utenteg.schgor, Foto UtenteBrunoValente, Foto UtenteIsidoroKZ

-1
voti

[1] Raddrizzatore Trifase

Messaggioda Foto UtenteNunziox » 8 nov 2012, 19:48

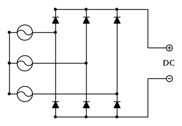
Non ho ben capito il funzionamento di questo circuito!

Perché a differenza del raddrizzatore trifase a tre diodi, quelle negative vengono ribaltate?
Sembra un discorso simile al ponte di Graetz ma li in monofase è stato semplice comprendere il fenomeno.
foto.jpg
foto.jpg (79.76 KiB) Osservato 9032 volte

P.S:
scusate se vi sto tartassando di domani ma lunedì avrò una prima prova in itiere :shock: vorrei chiarire tutti i miei dubbi!
Ultima modifica di Foto Utentesimo85 il 8 nov 2012, 21:54, modificato 1 volta in totale.
Motivazione: Inserita immagine in linea
Avatar utente
Foto UtenteNunziox
221 2 9
Frequentatore
Frequentatore
 
Messaggi: 152
Iscritto il: 28 ott 2012, 0:38

0
voti

[2] Re: Raddrizzatore Trifase

Messaggioda Foto UtentePioz » 8 nov 2012, 20:45

Nelle regole del forum, lo schema va fatto con FidoCad; risulta più carino e comprensibile che una foto e inoltro ha la possibilità di essere editato facilmente dagli altri utenri, senza che questi si ricreino lo schema da zero...
Avatar utente
Foto UtentePioz
629 4 8
Expert
Expert
 
Messaggi: 568
Iscritto il: 11 ago 2011, 21:56

0
voti

[3] Re: Raddrizzatore Trifase

Messaggioda Foto UtenteNRG Power » 9 nov 2012, 23:51

Perché a differenza del raddrizzatore trifase a tre diodi, quelle negative vengono ribaltate?


Cosa intendi con questa domanda, ed inoltre con raddrizzatore trifase a tre diodi? Prova a spiegarti meglio
Ciao ...NRG...

« Un giorno la paura bussò alla porta, il coraggio andò ad aprire ma non trovò nessuno » - J.W. Goethe
Avatar utente
Foto UtenteNRG Power
115 2 5
Expert EY
Expert EY
 
Messaggi: 302
Iscritto il: 14 gen 2005, 23:04
Località: Stoccarda, Germania

2
voti

[4] Re: Raddrizzatore Trifase

Messaggioda Foto UtenteKagliostro » 10 nov 2012, 0:08

Diodo "dritto" passa semionda positiva

Diodo "rovescio" passa semionda negativa



dov'è il problema ?


K
Avatar utente
Foto UtenteKagliostro
6.396 4 5 7
Master
Master
 
Messaggi: 4830
Iscritto il: 19 set 2012, 11:32

0
voti

[5] Re: Raddrizzatore Trifase

Messaggioda Foto UtenteNunziox » 10 nov 2012, 0:18

Grazie per l' aiuto, mi scuso se non ho rifatto lo schema con FidoCadJ, ma non ho avuto tempo :(
Foto UtenteNRG Power con raddrizzatore trifase a tre diodi intendevo una tipologia di raddrizzatore in cui passano solo le semionde positive, chiedevo perché invece in quello a sei diodi passano anche le semionde negative.

Foto UtenteKagliostro adesso ho capito:D
Avatar utente
Foto UtenteNunziox
221 2 9
Frequentatore
Frequentatore
 
Messaggi: 152
Iscritto il: 28 ott 2012, 0:38


Torna a Elettronica generale

Chi c’è in linea

Visitano il forum: Nessuno e 230 ospiti