Alimentazione circuiti e led
Moderatori:
carloc,
g.schgor,
BrunoValente,
IsidoroKZ
0
voti
Si hai ragione,non ho ben capito una cosa sola,qualche post fa ti ho fatto vedere un deviatore unipolare,questa levetta ha tre attacchi quello in mezzo per il comune,uno dei due va a positivo,mentre l'altro? l'altro non si può usare per dare corrente ad un'altra parte? (così che quando la levetta è a destra si alimenta un punto quando si preme un altro punto)
-

razielmitico
-10 5 - Frequentatore

- Messaggi: 153
- Iscritto il: 23 ott 2012, 22:59
0
voti
Nell'ultimo schema che hai fatto, il led in alto (che dovrebbe accendersi quando l'uscita del 555 e' a livello basso), spostando il deviatore, riceve tensione positiva sia sull'anodo che sul catodo; di conseguenza non potra' mai accendersi.
Per questo ho proposto un doppio deviatore che provveda a collegarlo (quando vuoi che tutto sia acceso) al riferimento.
Per questo ho proposto un doppio deviatore che provveda a collegarlo (quando vuoi che tutto sia acceso) al riferimento.
marco
0
voti
Ho prova il circuito su breadboart e funziona,adesso provo a saldarlo su millefori,così mi alleno :)
-

razielmitico
-10 5 - Frequentatore

- Messaggi: 153
- Iscritto il: 23 ott 2012, 22:59
0
voti
ho fatto un'altra modifica,in pratica nel circuito ci sono 3 levetta,una accende e spegne il circuito,uno fa lampeggia o fa rimanere fisso il led e un altro (aggiunto ora) fa lampeggiare prima uno o poi un altro o solo insieme,ecco lo schema:
che ne pensate
che ne pensate
-

razielmitico
-10 5 - Frequentatore

- Messaggi: 153
- Iscritto il: 23 ott 2012, 22:59
0
voti
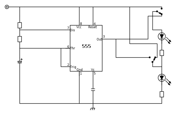
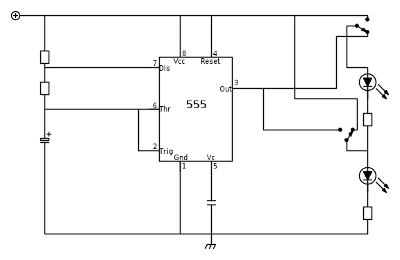
Penso che anche stavolta e' sbagliato.
Con i deviatori nella posizione illustrata il diodo in alto si accende lampeggiando quando l'uscita del 555 e' a livello basso e l'altro e' fisso.
Azionando i due deviatori i led lampeggiano.
Spostando solo quello in alto si accende (senza lampeggio) il led di sotto.
Con i deviatori nella posizione illustrata il diodo in alto si accende lampeggiando quando l'uscita del 555 e' a livello basso e l'altro e' fisso.
Azionando i due deviatori i led lampeggiano.
Spostando solo quello in alto si accende (senza lampeggio) il led di sotto.
marco
0
voti
marco438 ha scritto:Penso che anche stavolta e' sbagliato.
Con i deviatori nella posizione illustrata il diodo in alto si accende lampeggiando quando l'uscita del 555 e' a livello basso e l'altro e' fisso.
Azionando i due deviatori i led lampeggiano.
Spostando solo quello in alto si accende (senza lampeggio) il led di sotto.
Il deviatore di sotto,dovrebbe funzionare (in quanto l'ho provato ed è lo stesso del circuito di prima),l'errore quindi sta solo nel deviatore di sopra? il deviatore di sopra mi deve solo permettere di far accendere il led contemporaneamente a quello di solito (ovvero solo a uscita alta del 555) o quando l'uscità e bassa.
-

razielmitico
-10 5 - Frequentatore

- Messaggi: 153
- Iscritto il: 23 ott 2012, 22:59
0
voti
Allora, te lo avevo gia' detto ma lo ripeto.
Quando stacchi l'uscita del 555 (parlo dello schema originale) togli anche il collegamento al riferimento (volgarmente massa) del led in alto che, quindi, potra' accendersi solo se verra' ricollegato al riferimento in qualche modo.
Non credo si possa fare con quei due deviatori che, a quanto vedo, servono solo a confonderti le idee.
Quando stacchi l'uscita del 555 (parlo dello schema originale) togli anche il collegamento al riferimento (volgarmente massa) del led in alto che, quindi, potra' accendersi solo se verra' ricollegato al riferimento in qualche modo.
Non credo si possa fare con quei due deviatori che, a quanto vedo, servono solo a confonderti le idee.
marco
1
voti
Lo avevo proposto al post 180 e ripetuto al 182; la cosa piu' semplice e' adoperare un doppio deviatore e collegarlo come da schema:
I pin 3/6 del deviatore sono collegati al catodo di led 1 ed all'anodo di led 2 quindi, con la levetta in posizione centrale, e' tutto spento.
Se i suddetti pin vengono collegati ai rispettivi 1/2 (spostiamo la levetta verso il basso) led 1 e led 2 si accenderanno alternativamente trovandosi collegati all'uscita del 555 e quindi ci ritroviamo alla situazione originale dello schema ( led 1 si accende quando l'uscita e' a livello logico L e led 2 quando l'uscita e' H).
Se spostiamo la levetta in alto, il katodo di led 1 verra' collegato al riferimento (il positivo e' gia' collegato) e l'anodo di led 2 al positivo (il riferimento e' gia' collegato); quindi i due led rimarranno accesi.

I pin 3/6 del deviatore sono collegati al catodo di led 1 ed all'anodo di led 2 quindi, con la levetta in posizione centrale, e' tutto spento.
Se i suddetti pin vengono collegati ai rispettivi 1/2 (spostiamo la levetta verso il basso) led 1 e led 2 si accenderanno alternativamente trovandosi collegati all'uscita del 555 e quindi ci ritroviamo alla situazione originale dello schema ( led 1 si accende quando l'uscita e' a livello logico L e led 2 quando l'uscita e' H).
Se spostiamo la levetta in alto, il katodo di led 1 verra' collegato al riferimento (il positivo e' gia' collegato) e l'anodo di led 2 al positivo (il riferimento e' gia' collegato); quindi i due led rimarranno accesi.

marco
0
voti
Ok,ho capito,in effetti volevo usare un doppio deviatore ma per permettere semplicemente il lampeggio o luce fissa e usarne un altro per far alternare i lampeggi o farli lampeggiare contemporaneamente! Grazie di tutto :) sta sera proverò a metterlo in atto!
-

razielmitico
-10 5 - Frequentatore

- Messaggi: 153
- Iscritto il: 23 ott 2012, 22:59
Chi c’è in linea
Visitano il forum: Google Adsense [Bot] e 48 ospiti

Elettrotecnica e non solo (admin)
Un gatto tra gli elettroni (IsidoroKZ)
Esperienza e simulazioni (g.schgor)
Moleskine di un idraulico (RenzoDF)
Il Blog di ElectroYou (webmaster)
Idee microcontrollate (TardoFreak)
PICcoli grandi PICMicro (Paolino)
Il blog elettrico di carloc (carloc)
DirtEYblooog (dirtydeeds)
Di tutto... un po' (jordan20)
AK47 (lillo)
Esperienze elettroniche (marco438)
Telecomunicazioni musicali (clavicordo)
Automazione ed Elettronica (gustavo)
Direttive per la sicurezza (ErnestoCappelletti)
EYnfo dall'Alaska (mir)
Apriamo il quadro! (attilio)
H7-25 (asdf)
Passione Elettrica (massimob)
Elettroni a spasso (guidob)
Bloguerra (guerra)



