DarwinNE ha scritto:...e fossero parecchio asimmetriche ... che il quadripolo non fosse reciproco...
Stavo ragionando (tra me e me) appunto su questo....ma io non sono cosi veloce ...
Moderatore:
IsidoroKZ
DarwinNE ha scritto:...e fossero parecchio asimmetriche ... che il quadripolo non fosse reciproco...
DarwinNE ha scritto:Ottimo post!
DarwinNE ha scritto:Perché non fai un articolino mettendo insieme i post visti in questa discussione?
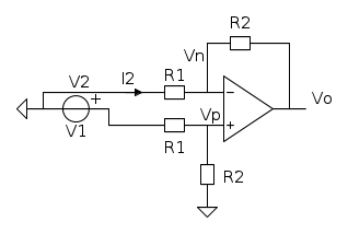
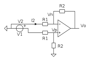
francos ha scritto:Nello schema (b) Vo come vede il tratto Vc I2 R1 Vn R2 ?
è la tensione ai capi di un generatore di tensione pilotato e tutto ciò che può fare questo generatore è erogare la corrente che gli viene richiesta dal carico, in accordo con la sua relazione costitutiva. Volevi quindi sapere la corrente di uscita dell'amplificatore, ovvero la corrente erogata da tale generatore
instead of
(Anonimo).
ain't
, right?
in lieu of
.
for
arithm.

DirtyDeeds ha scritto:Sfocato?![]()
DirtyDeeds ha scritto: Volevi quindi sapere la corrente di uscita dell'amplificatore, ovvero la corrente erogata da tale generatore
quella tensione, perché così come lo hai disegnato tu, quello non è uno stimolo di modo comune. Allora rinomino il generatore e lo chiamo
:francos ha scritto:(sapere il percorso logico che il segnale segue e cosa arriva all'uscita)
e guadagno di modo comune
; la tensione differenziale d'ingresso è
e la tensione di modo comune è
. La tensione di uscita vale quindi
: di conseguenza, la corrente
vale

instead of
(Anonimo).
ain't
, right?
in lieu of
.
for
arithm.

Torna a Elettronica e spettacolo
Visitano il forum: Nessuno e 12 ospiti