Amplificatore a transistor per chitarra
Moderatori:
carloc,
g.schgor,
BrunoValente,
IsidoroKZ
11 messaggi
• Pagina 1 di 2 • 1, 2
0
voti
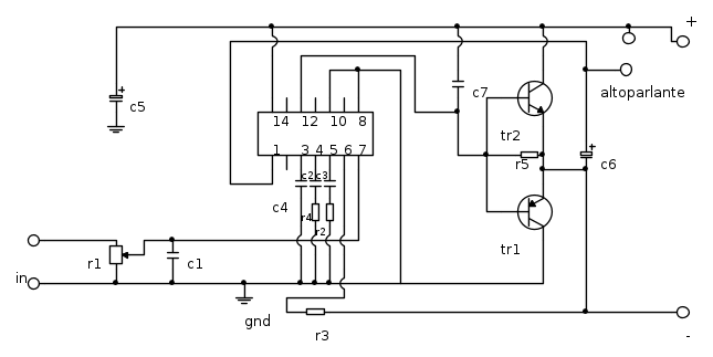
salve a tutti faccio il quinto anno all' itis e voglio realizzare un piccolo ampli per chitarra massimo 10-15 Watt, così il mio prof. di elettronica mi ha dato uno schema che si chiama B. AM. 187 WILBIKIT è facile da realizzare e condensatori e resistenze non sono un problema da acquistare, il problema è che c'è un integrato il TAA 611 Cx1 che costa ben 25€ impossibile per me da spendere e i due transistor rispettivamente AC 188 k e AC 187 K che costano 7-8€ l'uno. quindi chiedo a voi un semplice schema massimo 10-15 W. grazie
0
voti
Quello che vuoi fare, a quanto ho visto, non e' solo un amplificatore; quindi sarebbe meglio se ne postassi lo schema in FidoCadj.
Mi sa che il tuo professore e' rimasto un po' indietro, quei kit hanno almeno trent'anni (se non 40) e quei componenti, se si trovano, costano una cifra.
Mi sa che il tuo professore e' rimasto un po' indietro, quei kit hanno almeno trent'anni (se non 40) e quei componenti, se si trovano, costano una cifra.
marco
0
voti
elenco componenti: r1 22k
r2 220 Ω
r3 47k
r4 10 Ω
r5 2,2 Ω
c1 4700 pF
c2 100 µF
c3 2200 pF
c4 100 pF
c5 100 µF
c6 1000 µF
c7 100 KpF
tr1 ac 188 k
tr2 ac 187 k
ic1 taa 611 Cx1
0
voti
Se dai un'occhiata ai datasheet della serie TDA ne troverai di tutti i gusti.
Alimentazione singola. duale, con configurazione a ponte e tante altre cose.
In fondo ai datasheet troverai anche gli applicativi.
Buon divertimento!
Alimentazione singola. duale, con configurazione a ponte e tante altre cose.
In fondo ai datasheet troverai anche gli applicativi.
Buon divertimento!
0
voti
0
voti
marco438 ha scritto:Mi sa che il tuo professore e' rimasto un po' indietro, quei kit hanno almeno trent'anni (se non 40) e quei componenti, se si trovano, costano una cifra.
Non solo, la coppia AC187/188 bene che vada può fornire qualche watt. Erano già peristoria agli inizi '70, soppiantati dalla coppia AD161/162, che è tutto dire!
Con un TDA2030/2040/2050 si può realizzare un amplificatore molto più potente usando meno componenti.
I datasheet riportano anche la traccia del circuito stampato per una sua eventuale realizzazione.
0
voti
Il TDA 2030 è ad alimentazione duale.
Ce ne sono tanti ad alimentazione singola di uguale potenza ed anche più potenti tipo il TDA1562Q.
Forse il più potente con alimentazione a 12V
Ne ho realizzati tanti di amplificatori con TDA e nessuno mi ha deluso.
Ricordati, però, che nel tuo caso il suono di un ampli per chitarra è dato per un buon 50% dall'altoparlante.
Ce ne sono tanti ad alimentazione singola di uguale potenza ed anche più potenti tipo il TDA1562Q.
Forse il più potente con alimentazione a 12V
Ne ho realizzati tanti di amplificatori con TDA e nessuno mi ha deluso.
Ricordati, però, che nel tuo caso il suono di un ampli per chitarra è dato per un buon 50% dall'altoparlante.
11 messaggi
• Pagina 1 di 2 • 1, 2
Chi c’è in linea
Visitano il forum: Nessuno e 222 ospiti

Elettrotecnica e non solo (admin)
Un gatto tra gli elettroni (IsidoroKZ)
Esperienza e simulazioni (g.schgor)
Moleskine di un idraulico (RenzoDF)
Il Blog di ElectroYou (webmaster)
Idee microcontrollate (TardoFreak)
PICcoli grandi PICMicro (Paolino)
Il blog elettrico di carloc (carloc)
DirtEYblooog (dirtydeeds)
Di tutto... un po' (jordan20)
AK47 (lillo)
Esperienze elettroniche (marco438)
Telecomunicazioni musicali (clavicordo)
Automazione ed Elettronica (gustavo)
Direttive per la sicurezza (ErnestoCappelletti)
EYnfo dall'Alaska (mir)
Apriamo il quadro! (attilio)
H7-25 (asdf)
Passione Elettrica (massimob)
Elettroni a spasso (guidob)
Bloguerra (guerra)






