Salve ragazzi non ho capito bene come funzionano questi circuiti
il diodo Zener dovrebbe fare da protezione al circuito logico or
in questo so che è usato a protezione delle reti telefoniche
qualcuno può spiegarmi dettagliatamente come si garantisce la protezione da sbalzi di tensione in questi circuiti purtroppo non ho preso dei buoni appunti a lezione.
Diodo zener applicazioni per la protezione di circuiti
Moderatori:
carloc,
g.schgor,
BrunoValente,
IsidoroKZ
5 messaggi
• Pagina 1 di 1
0
voti
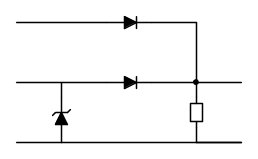
Nel primo caso
Quando la tensione di input
la tensione sull'anodo di D1 (o sul catodo di Z1) è la approssimatamente la tensione nominale del diodo Zener.
Il secondo caso è un clipper.
Per il momento dico che servono ad una limitazione di tensione ma non so se sia corretto parlare di protezione..
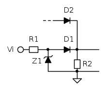
Sono abituato a vedere come diodi di protezione i diodi di clamping, per esempio:
Quando la tensione di input
la tensione sull'anodo di D1 (o sul catodo di Z1) è la approssimatamente la tensione nominale del diodo Zener.Il secondo caso è un clipper.
Per il momento dico che servono ad una limitazione di tensione ma non so se sia corretto parlare di protezione..
Sono abituato a vedere come diodi di protezione i diodi di clamping, per esempio:
0
voti
si sono per la protezione ho più o meno capito leggendo qui interessante pdf con molti esempi lo consiglio :)
http://www.google.it/url?sa=t&rct=j&q=&esrc=s&source=web&cd=1&cad=rja&ved=0CDYQFjAA&url=http%3A%2F%2Fwww.adrirobot.it%2Fpathfinder%2Fdispositivi_elettronici%2Fpdf%2FDE-023.pdf&ei=Z9KmUOqHFJKRhQe3n4HACw&usg=AFQjCNGl-One1jtk6bmiFywlz8VKIcyJVw&sig2=DdM761XV5ghjM0GDozjYTg
http://www.google.it/url?sa=t&rct=j&q=&esrc=s&source=web&cd=1&cad=rja&ved=0CDYQFjAA&url=http%3A%2F%2Fwww.adrirobot.it%2Fpathfinder%2Fdispositivi_elettronici%2Fpdf%2FDE-023.pdf&ei=Z9KmUOqHFJKRhQe3n4HACw&usg=AFQjCNGl-One1jtk6bmiFywlz8VKIcyJVw&sig2=DdM761XV5ghjM0GDozjYTg
-

theverin90
1 4 - New entry

- Messaggi: 73
- Iscritto il: 9 ott 2012, 16:28
0
voti
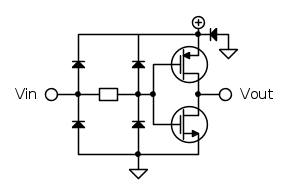
Scusami c'è una cosa che non ho chiara nel secondo circuito
non capisco perché il mio professore ha messo + 5v vicino ai diodi zener e 0.5 vicino a quelli normali
per quelli normali forse per indicare la tensione di soglia ma per i zener c'entra sicuramente con il funzionamento del circuito che mi lascia ancora abbastanza perplesso.
Se qualcuno può chiarire sarebbe davvero buono.
non capisco perché il mio professore ha messo + 5v vicino ai diodi zener e 0.5 vicino a quelli normali
per quelli normali forse per indicare la tensione di soglia ma per i zener c'entra sicuramente con il funzionamento del circuito che mi lascia ancora abbastanza perplesso.
Se qualcuno può chiarire sarebbe davvero buono.
-

theverin90
1 4 - New entry

- Messaggi: 73
- Iscritto il: 9 ott 2012, 16:28
0
voti
theverin90 ha scritto:non capisco perché il mio professore ha messo + 5 V vicino ai diodi zener e 0.5 vicino a quelli normali
Riproponi lo schema con Fidocad con i valori così si capisce meglio.
theverin90 ha scritto:forse per indicare la tensione di soglia ma per i zener c'entra sicuramente con il funzionamento del circuito che mi lascia ancora abbastanza perplesso.
Non si parla di tensione di soglia, ma di tensione di polarizzazione diretta.
Un diodo Zener sfrutta la tensione di breakdown
per far si che la tensione sul catodo sia il più possibile prossima a quella nominale.http://www.electronics-tutorials.ws/diode/diode_7.html
5 messaggi
• Pagina 1 di 1
Chi c’è in linea
Visitano il forum: Nessuno e 193 ospiti

Elettrotecnica e non solo (admin)
Un gatto tra gli elettroni (IsidoroKZ)
Esperienza e simulazioni (g.schgor)
Moleskine di un idraulico (RenzoDF)
Il Blog di ElectroYou (webmaster)
Idee microcontrollate (TardoFreak)
PICcoli grandi PICMicro (Paolino)
Il blog elettrico di carloc (carloc)
DirtEYblooog (dirtydeeds)
Di tutto... un po' (jordan20)
AK47 (lillo)
Esperienze elettroniche (marco438)
Telecomunicazioni musicali (clavicordo)
Automazione ed Elettronica (gustavo)
Direttive per la sicurezza (ErnestoCappelletti)
EYnfo dall'Alaska (mir)
Apriamo il quadro! (attilio)
H7-25 (asdf)
Passione Elettrica (massimob)
Elettroni a spasso (guidob)
Bloguerra (guerra)



