già...ireon ha scritto:Si in effetti viene negativa comunque....

Eh allora dato che non ci può essere una corrente che esce dalla base di un NPN (almeno che non si arrivi al breakdown ma lasciamo perdere...) vuol dire che "L'ipotesi fatta di saturazione è sbagliata" come del resto già anticipato in [2] e [6].
Io direi che è in ZAD

Elettrotecnica e non solo (admin)
Un gatto tra gli elettroni (IsidoroKZ)
Esperienza e simulazioni (g.schgor)
Moleskine di un idraulico (RenzoDF)
Il Blog di ElectroYou (webmaster)
Idee microcontrollate (TardoFreak)
PICcoli grandi PICMicro (Paolino)
Il blog elettrico di carloc (carloc)
DirtEYblooog (dirtydeeds)
Di tutto... un po' (jordan20)
AK47 (lillo)
Esperienze elettroniche (marco438)
Telecomunicazioni musicali (clavicordo)
Automazione ed Elettronica (gustavo)
Direttive per la sicurezza (ErnestoCappelletti)
EYnfo dall'Alaska (mir)
Apriamo il quadro! (attilio)
H7-25 (asdf)
Passione Elettrica (massimob)
Elettroni a spasso (guidob)
Bloguerra (guerra)

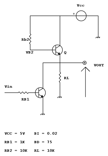
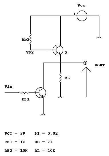
. Comunque il circuito completo dell'esercizio è il seguente:

e [unparseable or potentially dangerous latex formula]
sarà maggiore di
quando [unparseable or potentially dangerous latex formula]

supponendo che il transistor di sopra lavori in regione attiva diretta, naturalmente il transistor sotto è interdetto in questa situazione. Quindi:

![I_B=\frac{[V_c_c-V_B_E (att)+V_O_U_T]}{R_B_2} I_B=\frac{[V_c_c-V_B_E (att)+V_O_U_T]}{R_B_2}](/forum/latexrender/pictures/f90f14075e789513f479c2d73c7bc2c3.png)









e il transistor sopra
. Supponiamo il transistor 











