Effetto: sembra ci sia un corto sulla linea 50V allo spengimento.
Causa: un convertitore forward con diodo e avvolgimento per il recupero dell'energia come quello diventa praticamente un corto non appena superi il duty cycle del 50%.
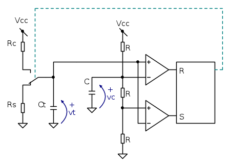
Motivo: diamo un occhio al circuito, spannometricamente...
... il condensatore Ct viene caricato via Rc (10kΩ + un diodo nello schema reale) tendendo circa a Vcc fino a raggiungere

Viene poi scaricato verso il riferimento tramite Rs (15kΩ + VCEsat al pin discharge nello schema vero) fino a raggiungere

Ora se siamo a regime il funzionamento è quello classico che si trova ovunque e si hanno le soglie ben note
e quindi 
Fin qui niente di strano, ma ora supponiamo di "togliere" Vcc, che poi significa che questa tensione inizierà una rampa verso il basso... il condensatore C sul pin Vc "ritarda" invece la discesa di
e in prima approssimazione potremmo pensare a quello che succede se Vcc diminuisce e
resta praticamente costante.Che sarebbe come dire "transitorio su vc molto più lento di quello su Vcc".
Quello che si vede è che mano a mano che Vcc cala (Vcc1>Vcc2>Vcc3) il valore asintotico a cui tende vt è sempre più vicino alla soglia vc e quindi il tempo con uscita Vo "alta" aumenta.
Invece la scarica verso il riferimento resta praticamente invariato.
Quindi il risultato netto è l'aumento del duty cycle in uscita. Invece la frequenza diminuisce e anche questo non è bene in quanto tende a far aumentare la corrente di magnetizazione del trasformatore.
Comunque l'effetto "distruttivo" è quello del duty cycle che supera il 50%.
Soluzione (una possibile):
con D1/C1 facciamo in modo che la tensione cui tende il processo di carica di Ct non scenda più velocemente di vc.
Per fare due conti fatti bene si dovrebbe almeno stimare la legge con cui Vcc diminuisce ma comunque in prima approssimazione si possono vedere le costanti di tempo.
Sul pin Vc abbiamo C che "vede" R||2R, ora il valore di R (interna al NE555) mi pare di ricordare sia intorno a 10kΩ ma credo anche dipenda dalla versione dell'integrato (non so di preciso ma forse la versione CMOS ha resistenze diverse), insomma diciamo

La corrente attraverso la resistenza di carica ovviamente varia, ma possiamo fare una maggiorazione e considerare questa resistenza collegata sempre a riferimento, in questa approssimazione

e in effetti si potrebbe anche ridurre un po' questa capacità anche se "due conti un po' più precisi" ci starebbero proprio bene anche perché le costanti di tempo non sono tutta la storia.
Comunque non fidarti troppo delle simulazioni, o meglio fallo dopo esserti accertato che il valore delle R del partitore interno al NE555 siano modellate correttamente così come la legge di variazione di Vcc.
Si capisce che entrambi hanno un'influenza decisiva sul risultato, poi maggiora generosamente

P.S. probabilmente l'aumento di corrente che hai verificato dipende dal fatto che la caduta su D1 diminuisce leggermente la corrente di carica aumentando un po' il tempo "alto" e quindi il duty cycle. Rimedi diminuendo la resistenza da 10 kΩ quanto basta.

Elettrotecnica e non solo (admin)
Un gatto tra gli elettroni (IsidoroKZ)
Esperienza e simulazioni (g.schgor)
Moleskine di un idraulico (RenzoDF)
Il Blog di ElectroYou (webmaster)
Idee microcontrollate (TardoFreak)
PICcoli grandi PICMicro (Paolino)
Il blog elettrico di carloc (carloc)
DirtEYblooog (dirtydeeds)
Di tutto... un po' (jordan20)
AK47 (lillo)
Esperienze elettroniche (marco438)
Telecomunicazioni musicali (clavicordo)
Automazione ed Elettronica (gustavo)
Direttive per la sicurezza (ErnestoCappelletti)
EYnfo dall'Alaska (mir)
Apriamo il quadro! (attilio)
H7-25 (asdf)
Passione Elettrica (massimob)
Elettroni a spasso (guidob)
Bloguerra (guerra)








