per l'esame di micro e nano elettronica dovrei realizzare un filtro attivo del 5° ordine Butterworth, basato sull'utilizzo degli OTA, seguendo quest'articolo.
Ho cercato molto materiale in rete ed ho trovato qualcosa di interessante sul testo "Modern Analog Filter Analysis and Design - A Practical Approach - R. Raut, M. N. S. Swamy, cap. 7.5 e cap 9.3.2". Ora però trovo difficoltà a stabilire i valori delle transoconduttanze dei vari OTA.
Vorrei, se possibile, riuscire a ricavare i valori delle Gm in funzione dei valori delle capacità ed induttanze del filtro passivo che mi fornisce l'articolo dato.
Finora ho calcolato i valori dei componenti passivi (denormalizzati rispetto la resistenza di sorgente e carico Ro) del filtro LC di 5° ordine che riporto qui sotto.
RS=RL=Ro; C1, C5=0,000395/Ro; C3=0,00127/Ro; L2, L4=0,001*Ro.
Da quello che ho capito dal testo, è possibile trasformare un filtro passivo in uno attivo che utilizzi gli OTA. Il procedimento è dimostrato per un filtro "single ended" ma a me serve un filtro con OTA differenziali. C'è un passaggio da fare per passare dal tipo di filtro single-ended all'altro ma non sono sicuro se quello che sto facendo sia giusto o meno.
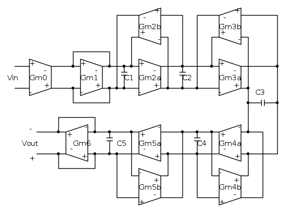
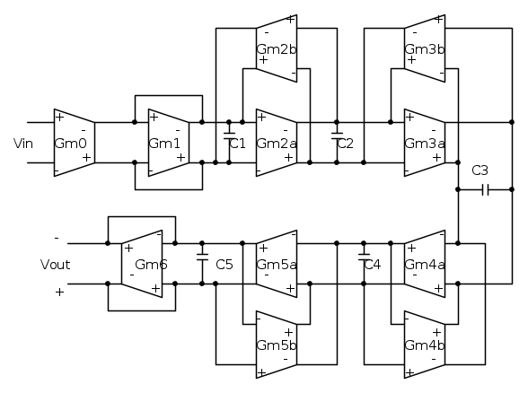
Dovrei riuscire ad ottenere il filtro il cui schema (riportato nell'articolo) è il seguente.
dove C1, C5= 0,65 pF; C2, C4=1,68 pF; C3=2,1 pF.
Da ciò che ho capito è possibile trasformare indipendentemente ogni singolo componente (Rs, C2, L2, ecc.) in un componente equivalente attivo, quindi pensavo di procedere nel seguente modo.
A)E' corretto secondo Voi?
- 1-trasformare ogni componente passivo nel suo equivalente attivo con OTA single-ended
- 2-trasformare ogni componente attivo ricavato al punto 1- con la sua versione differenziale
- 3-mettere in successione i blocchi differenziali ricavati al punto 2- ottenendo il filtro di 5° ordine mostrato nell'articolo
Il problema è che non conosco le resistenze di sorgente e di carico (RS=RL=Ro) con cui posso calcolare i valori del filtro LC equivalente a questo Gm-C filter.
In altre parole ho solo i valori di L e C del filtro passivo (mancano RS=RL=Ro) ed i valori delle capacità utilizzate nel filtro attivo che dovrò realizzare.
B) Mi chiedo quindi se è possibile, in mancanza di Ro, ottenere le Gm necessarie.

Elettrotecnica e non solo (admin)
Un gatto tra gli elettroni (IsidoroKZ)
Esperienza e simulazioni (g.schgor)
Moleskine di un idraulico (RenzoDF)
Il Blog di ElectroYou (webmaster)
Idee microcontrollate (TardoFreak)
PICcoli grandi PICMicro (Paolino)
Il blog elettrico di carloc (carloc)
DirtEYblooog (dirtydeeds)
Di tutto... un po' (jordan20)
AK47 (lillo)
Esperienze elettroniche (marco438)
Telecomunicazioni musicali (clavicordo)
Automazione ed Elettronica (gustavo)
Direttive per la sicurezza (ErnestoCappelletti)
EYnfo dall'Alaska (mir)
Apriamo il quadro! (attilio)
H7-25 (asdf)
Passione Elettrica (massimob)
Elettroni a spasso (guidob)
Bloguerra (guerra)


