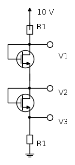
Vi chiedo un aiuto su un semplice esercizio di elettronica
il circuito è il seguente:
L'esercizio mi dà il rapporto d'aspetto e il coefficente di transconduttanza e il valore delle resistenze.
Si richiedono i valori dei potenziali ma non mi riescono a venire.
Potete darmi uno spunto su come devo agire. La metto molto sul generico in quanto delle considerazioni le ho fatte ma dato che la teoria del mosfet ancora non mi è chiara evito di sparare a caso.
Grazie a tutti

Elettrotecnica e non solo (admin)
Un gatto tra gli elettroni (IsidoroKZ)
Esperienza e simulazioni (g.schgor)
Moleskine di un idraulico (RenzoDF)
Il Blog di ElectroYou (webmaster)
Idee microcontrollate (TardoFreak)
PICcoli grandi PICMicro (Paolino)
Il blog elettrico di carloc (carloc)
DirtEYblooog (dirtydeeds)
Di tutto... un po' (jordan20)
AK47 (lillo)
Esperienze elettroniche (marco438)
Telecomunicazioni musicali (clavicordo)
Automazione ed Elettronica (gustavo)
Direttive per la sicurezza (ErnestoCappelletti)
EYnfo dall'Alaska (mir)
Apriamo il quadro! (attilio)
H7-25 (asdf)
Passione Elettrica (massimob)
Elettroni a spasso (guidob)
Bloguerra (guerra)







