Cos'è ElectroYou | Login Iscriviti

ElectroYou - la comunità dei professionisti del mondo elettrico

Array di LEDs ad intensità variabile in base a V

Elettronica lineare e digitale: didattica ed applicazioni

Moderatori: Foto Utentecarloc, Foto Utenteg.schgor, Foto UtenteBrunoValente, Foto UtenteIsidoroKZ

0
voti

[1] Array di LEDs ad intensità variabile in base a V

Messaggioda Foto Utenteenpires » 26 nov 2012, 1:49

Salve a tutti!
Avrei necessità di creare un array di 10 leds la cui intensità vari al variare della tensione data da un certo segnale: in pratica il comportamento che vorrei è del tipo
L = f(V) \simeq kV
dove con L indico l'intensità luminosa e con l'ultima eguaglianza il fatto che sarebbe comodo che questo comportamento sia lineare.

La mia prima idea era di sfruttare la linearità della caratteristica corrente / intensità luminosa dei LED ordinari, creando un amplificatore transconduttivo (utilizzando un opAmp) per poi utilizzare il segnale di corrente ottenuto per pilotare un led driver circuit costruito con un BJT (magari utilizzandolo ad emettitore comune).

E' buona come idea? Esistono implementazioni più semplici (e meno costose)?

Fatemi sapere, se va bene vado avanti :)
Avatar utente
Foto Utenteenpires
15 6
New entry
New entry
 
Messaggi: 97
Iscritto il: 9 mar 2010, 20:06

0
voti

[2] Re: Array di LEDs ad intensità variabile in base a V

Messaggioda Foto Utentesimo85 » 26 nov 2012, 2:19

Un IC che potrebbe fare al caso tuo è QUESTO, ma il duty cycle è limitato al 18%.

Altrimenti hai le possibilità di programmare un microcontrollore?
È la soluzione che richiede meno hardware (salvo che l'IC linkato non vada bene). Con un ingresso ADC ed un output PWM (se te ne serve solo uno), risolvi. In rete è pieno di progetti.

O_/
Avatar utente
Foto Utentesimo85
30,9k 7 12 13
Disattivato su sua richiesta
 
Messaggi: 9927
Iscritto il: 30 ago 2010, 4:59

0
voti

[3] Re: Array di LEDs ad intensità variabile in base a V

Messaggioda Foto Utentesimo85 » 26 nov 2012, 2:23

Dimenticavo il 555. Pag. 8. Direi che risolvi con quello..

O_/
Avatar utente
Foto Utentesimo85
30,9k 7 12 13
Disattivato su sua richiesta
 
Messaggi: 9927
Iscritto il: 30 ago 2010, 4:59

0
voti

[4] Re: Array di LEDs ad intensità variabile in base a V

Messaggioda Foto Utenteenpires » 26 nov 2012, 11:06

Grazie delle risposte.
Ma in questo modo non ottengo dei leds che "oscillano"? Tipo effetto "fade in - fade out"?
A me servirebbe qualcosa di differente, del tipo: se la tensione è a 2V il led si illumina del 50%, se è a 4V si illumina del 100%, se è a 1V del 25%, e così via...
Avatar utente
Foto Utenteenpires
15 6
New entry
New entry
 
Messaggi: 97
Iscritto il: 9 mar 2010, 20:06

1
voti

[5] Re: Array di LEDs ad intensità variabile in base a V

Messaggioda Foto UtenteGuidoB » 26 nov 2012, 11:52

Ciao Foto Utenteenpires,
la caratteristica corrente / intensità luminosa dei LED non è esattamente lineare (il LED diventa leggermente meno efficiente al crescere della corrente, poi talvolta c'è qualche piccola variazione nel colore della luce emessa), ma se non hai bisogno di grande linearità può andare.

Non ho capito come vuoi fare il circuito.
Ti consiglio di disegnarlo con fidocadj e inserirlo tra i tag "[ fcd][/fcd]".

Per ottenere maggiore linearità (sempre che serva) io userei un controllo in PWM costituito da un generatore di onda triangolare seguito da un comparatore, che confronta la tensione dell'onda triangolare col tuo segnale (che deve essere compreso nell'intervallo picco-picco dell'onda triangolare) e ti fornisce in uscita l'onda rettangolare con duty-cycle proporzionale alla luminosità che ti serve.

Un generatore di onda triangolare si fa con un integratore e un comparatore con isteresi (tipo trigger di Schmitt), ma questo penso tu lo sappia già.
In totale servono un operazionale per fare l'integratore, un comparatore o operazionale per il trigger di Schmitt, un altro comparatore (o operazionale) per confrontare l'onda triangolare con il tuo segnale.

Abbi pazienza ma adesso non ho tempo di disegnare lo schema (che oltretutto non so neanche se ti serve).

enpires ha scritto:Ma in questo modo non ottengo dei leds che "oscillano"? Tipo effetto "fade in - fade out"?

No, il PWM deve essere fatto a frequenza tale che la persistenza sulla retina impedisca di accorgersi della rapida successione di accensioni/spegnimenti. Bastano 100 Hz.
L'effetto fade in - fade out si ottiene se come segnale di ingresso usi una tensione lentamente variabile. Se il tuo segnale è stabile, anche la luminosità percepita sarà stabile.

O_/
Big fan of ƎlectroYou!       Ausili per disabili e anziani su ƎlectroYou
Caratteri utili: À È É Ì Ò Ó Ù α β γ δ ε η θ λ μ π ρ σ τ φ ω Ω º ª ² ³ √ ∛ ∜ ₀ ₁ ₂ ₃ ₄ ₅ ₆ ∃ ∄ ∆ ∈ ∉ ± ∓ ∾ ≃ ≈ ≠ ≤ ≥
Avatar utente
Foto UtenteGuidoB
17,8k 7 12 13
G.Master EY
G.Master EY
 
Messaggi: 2809
Iscritto il: 3 mar 2011, 16:48
Località: Madrid

0
voti

[6] Re: Array di LEDs ad intensità variabile in base a V

Messaggioda Foto Utentesimo85 » 26 nov 2012, 11:55

Aggiungo: sarebbe bene spiegare di che tipo di segnale si tratta, relazione voluta tra tensione e duty cycle etc. A domande precise risposte precise.

Hai pensato ad un DAC? Forse risolverebbe il tuo problema.
Avatar utente
Foto Utentesimo85
30,9k 7 12 13
Disattivato su sua richiesta
 
Messaggi: 9927
Iscritto il: 30 ago 2010, 4:59

5
voti

[7] Re: Array di LEDs ad intensità variabile in base a V

Messaggioda Foto UtenteIsidoroKZ » 26 nov 2012, 11:56

Puoi utilizzare un driver in corrente, comandata dalla tensione di ingresso. Come dicevi anche tu ci vuole un operazionale e un transistore messo nel loop di retroazione dell'operazionale.

Oppure si puo` fare un pilotaggio a impulsi rapidi, che non danno sfarfallamento e controllano la luminosita` dei led.

Per la scelta della soluzione serve sapere quanti led (10, gia` detto), corrente massima e tensione di ciascun led, tensione disponibile per l'alimentazione e limiti del controllo, ad esempio da completamente spento a piena luminosita`.

Inoltre potrebbe servire sapere se vuoi costruirti il circuito, che cosa sai di elettronica...
Per usare proficuamente un simulatore, bisogna sapere molta più elettronica di lui
Plug it in - it works better!
Il 555 sta all'elettronica come Arduino all'informatica! (entrambi loro malgrado)
Se volete risposte rispondete a tutte le mie domande
Avatar utente
Foto UtenteIsidoroKZ
121,2k 1 3 8
G.Master EY
G.Master EY
 
Messaggi: 21059
Iscritto il: 17 ott 2009, 0:00

0
voti

[8] Re: Array di LEDs ad intensità variabile in base a V

Messaggioda Foto Utenteenpires » 27 nov 2012, 1:48

Grazie ancora a tutti! scusate se rispondo ora ma è stata una giornata infinita all'università... Cerco di rispondere in ordine:

@GuidoB
No, non ho bisogno di grande linearità, mi serve soltanto qualcosa di pseudo lineare semplicemente per un effetto estetico.
Il segnale che porta la luminosità dei led è un segnale musicale: più alto è il volume, più i led sono luminosi. So bene che questo comporterebbe un "lampeggiare" del led per via della natura alternata dei suoni (anche se non so quanto sia visibile, alla luce di quanto mi hai detto sui led lampeggianti per variare l'intensità luminosa), infatti prevedevo un rilevatore di inviluppo con un tempo di scaricamento sufficientemente alto a monte del circuito (tra segnale e circuito led), che dovrebbe anche dare un effetto artistico di fade-out non male.

Purtroppo non posso programmare su un microcontrollore, non ho la scheda per farlo (e non vorrei buttare troppi soldi in questo progett). Per il resto della strumentazione (oscilloscopi, generatori di forme d'onda etc) che mi servono durante la realizzazione utilizzero il laboratorio dell'università :)

@IsidoroKZ
Si, stanotte provo a buttare giù uno schemino, anche se non sono molto sicuro di sapere come fare (ma mi saprete correggere :D ). I led non sono sicurissimo siano 10: la luce attraverserà un foglio di perspex per dargli un colore leggermente ambrato, ho già ordinato un campione per fare dei test in modo da individuare quanti led sono necessari per avere l'intensità luminosa massima che mi piace, ma in ogni caso non supereranno i 10 leds. Comunque, capito come fare con 10 si può fare con 6 o con 15 :)
Di elettronica so quello che mi ha insegnato un corso universitario di elettronica analogica, la passione e lo smanettamento :D
Non sono messo male, sono abbastanza capace di ricavare le relazioni che definiscono un circuito elettronico e capirne la logica, quello che un po' mi manca è l'esperienza, e quindi "sapere" quale soluzione è più adatta al mio problema. Poi una volta individuata solitamente la capisco :)
Avatar utente
Foto Utenteenpires
15 6
New entry
New entry
 
Messaggi: 97
Iscritto il: 9 mar 2010, 20:06

0
voti

[9] Re: Array di LEDs ad intensità variabile in base a V

Messaggioda Foto Utenteenpires » 28 nov 2012, 0:33

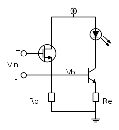
Ok ho provato ad inventarmi qualcosa per cercare di "controllare in tensione" la luminosità del LED, partendo da un circuito per pilotare i led tramite BJT che ho trovato in rete

Supponendo di calcolare R_b in modo che anche a V_{in} massima l'NMOS funzioni in regime di saturazione, possiamo affermare che
I_D = k(V_{in}-V_T)^2
ovvero
V_b = R_b k(V_{in}-V_T)^2
sapendo che la caduta di tensione sul BJT è pressocchè costante V_{BE} possiamo affermare che
V_e = V_b - V_{BE} = R_b k(V_{in}-V_T)^2 - V_{be}
ovvero la corrente che attravera il led è
I_c = V_e/R_e = \frac{R_b k(V_{in}-V_T)^2 - V_{be}}{R_e}

Che ve ne pare? Se va bene cerco di espandere il ragionamento per più leds.

Problemi:
1) La caratteristica è quadratica, ma posso tranquillamente sistemarlo creando rudimentale un generatore di funzioni a monte della tensione di controllo
2) La tensione minima per funzionare è V_T quindi dovrei creare un "offset" alla mia tensione di controllo, quanto è complicato? (V_{be} si può probabilmente trascurare poiché divisa dalla resistenza R_e)

Grazie per l'attenzione, ed attendo con ansia di sapere quante cavolate ho scritto :mrgreen:
Avatar utente
Foto Utenteenpires
15 6
New entry
New entry
 
Messaggi: 97
Iscritto il: 9 mar 2010, 20:06

6
voti

[10] Re: Array di LEDs ad intensità variabile in base a V

Messaggioda Foto UtenteIsidoroKZ » 28 nov 2012, 1:09

Non so quante cavolate hai scritto perche' non capisco il circuito. Che cosa sono quei + e -? Ingressi? E come sono riferiti all'alimentazione? Dove i fili si incrociano sono in contatto? Se la risposta e` si` ci vuole un pallino.

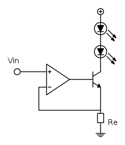
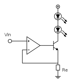
Per generare una corrente proporzionale a una tensione di solito si fa cosi`

Per usare proficuamente un simulatore, bisogna sapere molta più elettronica di lui
Plug it in - it works better!
Il 555 sta all'elettronica come Arduino all'informatica! (entrambi loro malgrado)
Se volete risposte rispondete a tutte le mie domande
Avatar utente
Foto UtenteIsidoroKZ
121,2k 1 3 8
G.Master EY
G.Master EY
 
Messaggi: 21059
Iscritto il: 17 ott 2009, 0:00

Prossimo

Torna a Elettronica generale

Chi c’è in linea

Visitano il forum: Nessuno e 217 ospiti