Ciao ragazzi, questa e' una domanda puramente pratica;
ho 3 lampade (1,2,3) e voglio accenderle da un unico punto cosi:
Prima commutaz: Accendo lampada 1, tutte le altre spente
Seconda commut: Accendo lampade 1 e 2 , 3 spenta
Terza commutaz: Accendo 1,2,3
Quarta commutaz: tutto spento
Lídeale sarebbe un rele a 3 contatti, ma quelli in commercio ne hanno solo 2.. c'e' qualche soluzione per non usare 2 relè insieme? (magari qualcosa di elettronica)
Accendere 3 lampade indipendenti da un unico punto
Moderatori:
g.schgor,
IsidoroKZ
8 messaggi
• Pagina 1 di 1
0
voti
credo che un Plc sarebbe sprecato per 3 lampadine xD volevo sapere se qualcuno di voi ha utilizzato un triac per questo scopo e come ha fatto il circuito..
1
voti
Oltre al TRIAC (che è soltanto l'attuatore), ti ci vuole un po' di logica, che svolga la funzione di commutazione che vuoi tu.
Paolo.
Paolo.
"Houston, Tranquillity Base here. The Eagle has landed." - Neil A.Armstrong
-------------------------------------------------------------
PIC Experience - http://www.picexperience.it
-------------------------------------------------------------
PIC Experience - http://www.picexperience.it
-

Paolino
32,6k 8 12 13 - G.Master EY

- Messaggi: 4226
- Iscritto il: 20 gen 2006, 11:42
- Località: Vigevano (PV)
0
voti
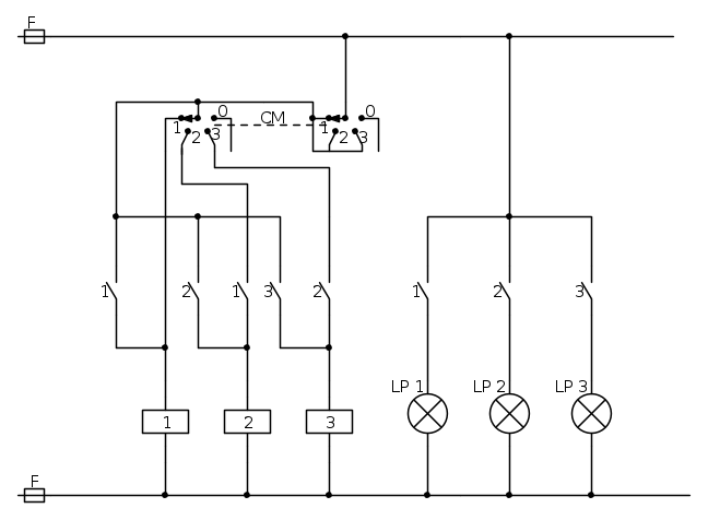
Ti va questa soluzione? Il commutatore è a due pacchi.
Ultima modifica di
mir il 30 nov 2012, 17:11, modificato 1 volta in totale.
Motivazione: eliminato quote inutile, per rispondere utilizzare il tasto "rispondi"e non il tasto "cita".
Motivazione: eliminato quote inutile, per rispondere utilizzare il tasto "rispondi"e non il tasto "cita".
-

StefanoSunda
2.880 3 6 10 - Master

- Messaggi: 1964
- Iscritto il: 16 set 2010, 19:29
0
voti
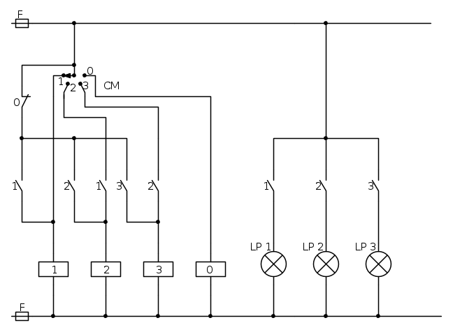
Mi sono accorto ora … nel disegno precedente vi è un errore.
E si bisogna aggiungere il 4° relé per lo stop.
E si bisogna aggiungere il 4° relé per lo stop.
-

StefanoSunda
2.880 3 6 10 - Master

- Messaggi: 1964
- Iscritto il: 16 set 2010, 19:29
0
voti
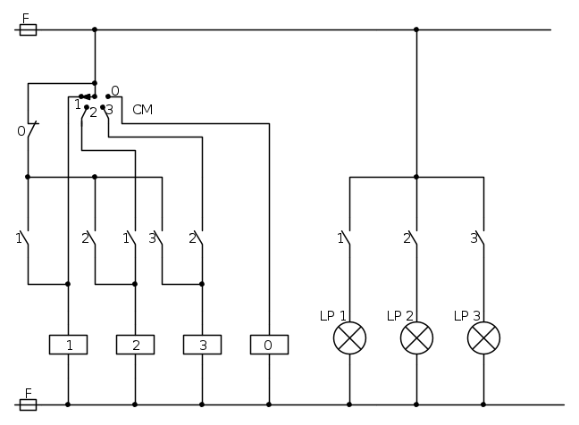
potresti spiegarmi meglio questo circuito? Mi basta una piccola introduzione 
8 messaggi
• Pagina 1 di 1
Torna a Elettrotecnica generale
Chi c’è in linea
Visitano il forum: Nessuno e 83 ospiti

Elettrotecnica e non solo (admin)
Un gatto tra gli elettroni (IsidoroKZ)
Esperienza e simulazioni (g.schgor)
Moleskine di un idraulico (RenzoDF)
Il Blog di ElectroYou (webmaster)
Idee microcontrollate (TardoFreak)
PICcoli grandi PICMicro (Paolino)
Il blog elettrico di carloc (carloc)
DirtEYblooog (dirtydeeds)
Di tutto... un po' (jordan20)
AK47 (lillo)
Esperienze elettroniche (marco438)
Telecomunicazioni musicali (clavicordo)
Automazione ed Elettronica (gustavo)
Direttive per la sicurezza (ErnestoCappelletti)
EYnfo dall'Alaska (mir)
Apriamo il quadro! (attilio)
H7-25 (asdf)
Passione Elettrica (massimob)
Elettroni a spasso (guidob)
Bloguerra (guerra)


