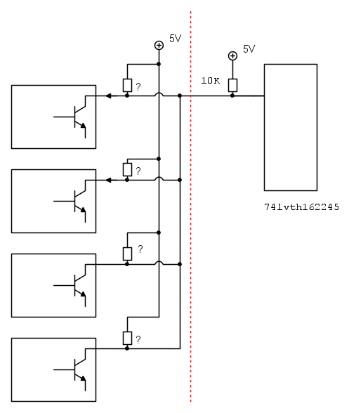
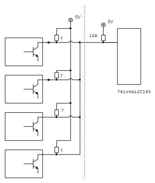
IsidoroKZ ha scritto:Perche' dici che non e` una resistenza di pull-up?
Perché invece di osservare e pensare per bene forse mi sono limitato a guardare.
Grazie.

Moderatori:
carloc,
g.schgor,
BrunoValente,
IsidoroKZ
IsidoroKZ ha scritto:Anche se ce ne sono piu` in parallelo, si considera che solo una porta stia assorbendo corrente.
Visitano il forum: Nessuno e 59 ospiti