Salve a tutti , è il mio primo post , speriamo di iniziare bene...Avrei bisogno di risolvere il seguente esercizio , di seguito riporto testo e schema relativi .
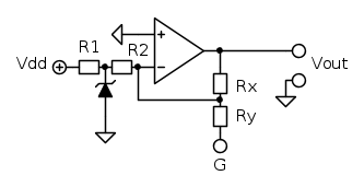
" Si vuole misurare elettronicamente il livello di carburante in un deposito , a tale scopo si collega il galleggiante G ad un potenziometro , in modo tale che il moto traslazionale del galleggiante si trasformi in variazione per il potenziometro P . Determinare la relazione tra V0 e Vz "
Risoluzione circuito Op Amp
Moderatori:
carloc,
g.schgor,
BrunoValente,
IsidoroKZ
9 messaggi
• Pagina 1 di 1
1
voti
Per l'equilibrio dell'opamp deve essere
V-=V+=0
Considerando l'opamp ideale,
con resistenza d'ingresso infinita,
deve circolare la stessa corrente in R
e nel potenziometro, quindi.....
V-=V+=0
Considerando l'opamp ideale,
con resistenza d'ingresso infinita,
deve circolare la stessa corrente in R
e nel potenziometro, quindi.....
1
voti
Il potenziometro lo puoi vedere come due resistenze (variabili) in serie così:
Quindi il tuo circuito diventa così:
Quindi
Attento però ad
ed
.
Quindi il tuo circuito diventa così:
Quindi

Attento però ad
ed
.0
voti
BrunoValente ha scritto:si tratterebbe semplicemente di una resistenza variabile con il livello e messa in controreazione all'operazionale.
Si, io l'ho disegnato solo per rendere il tutto più evidente, dato che mi sono basato su questa frase:
topo1 ha scritto:il moto traslazionale del galleggiante si trasformi in variazione per il potenziometro P
Chiedo scusa se sono stato confusionale.
EDIT: vedo che hai cancellato il messaggio.
0
voti
Praticamente se non sono troppo avventato si tratta dell'espressione per determinare il guadagno di un'amplificatore in configurazione invertente A = (- R2/R1) supponendo R2 resistenza di reazione e R1 resistenza d'ingresso sul morsetto invertente , per capirci.. 
1
voti
g.schgor e gohan vorrei votarvi ma non ho ancora il punteggio necessario..Grazie Mille

9 messaggi
• Pagina 1 di 1
Chi c’è in linea
Visitano il forum: Nessuno e 195 ospiti

Elettrotecnica e non solo (admin)
Un gatto tra gli elettroni (IsidoroKZ)
Esperienza e simulazioni (g.schgor)
Moleskine di un idraulico (RenzoDF)
Il Blog di ElectroYou (webmaster)
Idee microcontrollate (TardoFreak)
PICcoli grandi PICMicro (Paolino)
Il blog elettrico di carloc (carloc)
DirtEYblooog (dirtydeeds)
Di tutto... un po' (jordan20)
AK47 (lillo)
Esperienze elettroniche (marco438)
Telecomunicazioni musicali (clavicordo)
Automazione ed Elettronica (gustavo)
Direttive per la sicurezza (ErnestoCappelletti)
EYnfo dall'Alaska (mir)
Apriamo il quadro! (attilio)
H7-25 (asdf)
Passione Elettrica (massimob)
Elettroni a spasso (guidob)
Bloguerra (guerra)






