Cos'è ElectroYou | Login Iscriviti

ElectroYou - la comunità dei professionisti del mondo elettrico

Resistenza LED di potenza

Elettronica lineare e digitale: didattica ed applicazioni

Moderatori: Foto Utentecarloc, Foto Utenteg.schgor, Foto UtenteBrunoValente, Foto UtenteIsidoroKZ

2
voti

[11] Re: Resistenza LED di potenza

Messaggioda Foto Utentesimo85 » 1 dic 2012, 18:50

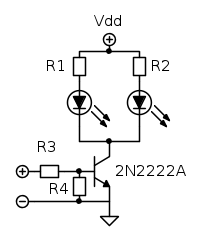
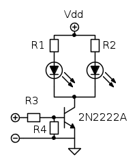
Se il circuito che vuoi costruire è questo:

E vuoi che la corrente di Collettore I_\text{C} sia di 350mA devi dimensionare R1 ed R2 per alimentare ciascun LED a 175mA.

Ma per metterli in parallelo così, tantovale metterli in serie e risparmi una resistenza, li alimenti tutti e due a 350mA e via.
Puoi anche alimentarli a 350mA ciascuno così come da schema, ma il transistore dissipa più potenza inutilmente.

La durata della batteria poi è un altro discorso. Ovviamente più stai basso con il consumo di corrente, maggiore è la durata.
Avatar utente
Foto Utentesimo85
30,9k 7 12 13
Disattivato su sua richiesta
 
Messaggi: 9927
Iscritto il: 30 ago 2010, 4:59

1
voti

[12] Re: Resistenza LED di potenza

Messaggioda Foto Utentesciorty » 1 dic 2012, 21:40

Uhmm interessante lo schema che proponi, anche se inizialmente intendevo fare due circuiti così, uno per ogni led.
Perciò prendendo spunto dal tuo schema potrei metterli in serie con una sola resistenza, 400mA per led e fare:
V=10.1V Vled=3*2=6V VR=4.1V R=4.1/0.4=10.25ohm 1.64W

Esatto?
Per quanto riguarda R3 e R4 come le dimensiono? La base sarà attivata da un uscita di un arduino 40mA
Avatar utente
Foto Utentesciorty
65 2
 
Messaggi: 42
Iscritto il: 14 mar 2012, 17:37

1
voti

[13] Re: Resistenza LED di potenza

Messaggioda Foto Utentesimo85 » 1 dic 2012, 22:14

sciorty ha scritto:Esatto?

Nei calcoli hai tralasciato la V_\text{CE(Sat)}

Il 2N2222A non sembra avere un guadagno molto alto. Dal datasheet linkato il valore minimo è 30..

Hai un set di resistori a mano per fare qualche prova?
Avatar utente
Foto Utentesimo85
30,9k 7 12 13
Disattivato su sua richiesta
 
Messaggi: 9927
Iscritto il: 30 ago 2010, 4:59

1
voti

[14] Re: Resistenza LED di potenza

Messaggioda Foto Utentesciorty » 1 dic 2012, 22:23

Vce a Ic=500mA è 1V e l'ho direttamente sottratto alla V nel calcolo essendo la batteria da 11.1

Gli unici resistori che ho sono da 1/4W e non ho neanche un multimetro :/
Avatar utente
Foto Utentesciorty
65 2
 
Messaggi: 42
Iscritto il: 14 mar 2012, 17:37

1
voti

[15] Re: Resistenza LED di potenza

Messaggioda Foto Utentesimo85 » 1 dic 2012, 22:37

sciorty ha scritto:Gli unici resistori che ho sono da 1/4W e non ho neanche un multimetro :/

Azz, era per fare la prova con il LED, misurare la corrente di Collettore etc. Quindi non hai nemmeno la resistenza da mettere in serie al LED dico bene?

EDIT: mettici un MOSFET: http://www.irf.com/product-info/datashe ... 44npbf.pdf

Il pilotaggio è a bassa frequenza? Semplice On/Off?
Avatar utente
Foto Utentesimo85
30,9k 7 12 13
Disattivato su sua richiesta
 
Messaggi: 9927
Iscritto il: 30 ago 2010, 4:59

1
voti

[16] Re: Resistenza LED di potenza

Messaggioda Foto Utentesciorty » 1 dic 2012, 23:01

Sisi, semplice on/off.. perché il 2n222a non va più bene?
Avatar utente
Foto Utentesciorty
65 2
 
Messaggi: 42
Iscritto il: 14 mar 2012, 17:37

1
voti

[17] Re: Resistenza LED di potenza

Messaggioda Foto Utentesimo85 » 1 dic 2012, 23:04

Si va bene anche quello. Se li hai già usa quelli.
Avatar utente
Foto Utentesimo85
30,9k 7 12 13
Disattivato su sua richiesta
 
Messaggi: 9927
Iscritto il: 30 ago 2010, 4:59

1
voti

[18] Re: Resistenza LED di potenza

Messaggioda Foto Utentesciorty » 1 dic 2012, 23:07

Si ce l'ho, volevo conferma prima di prendere una resistenza da 10ohm e W maggiori di quel valore.
Per le resistenze sul BJT come calcolo?
Avatar utente
Foto Utentesciorty
65 2
 
Messaggi: 42
Iscritto il: 14 mar 2012, 17:37

1
voti

[19] Re: Resistenza LED di potenza

Messaggioda Foto Utentesimo85 » 2 dic 2012, 6:29

Per il momento leggi qui.
Avatar utente
Foto Utentesimo85
30,9k 7 12 13
Disattivato su sua richiesta
 
Messaggi: 9927
Iscritto il: 30 ago 2010, 4:59

1
voti

[20] Re: Resistenza LED di potenza

Messaggioda Foto Utentesciorty » 2 dic 2012, 21:12

Ok quindi mi trovo Ib che sarà Ic/hfe. Successivamente Rb=Vin-Vbe/Ib
Ic nel mio caso dovrebbe essere 0.4A ma il guadagno e Vbe? Ci sono i valori ma per diverse condizioni e sinceramente non so quale prendere per andare sul sicuro!
Avatar utente
Foto Utentesciorty
65 2
 
Messaggi: 42
Iscritto il: 14 mar 2012, 17:37

PrecedenteProssimo

Torna a Elettronica generale

Chi c’è in linea

Visitano il forum: Nessuno e 78 ospiti