da
RenzoDF » 3 dic 2012, 17:13
camaleonte ha scritto:... ho usato anche io questa ottima semplificazione per risolverla.
Come al solito ho perso tempo per nulla, scusami delle solite ovvietà postate.
camaleonte ha scritto:... Tu hai fatto la derivata delle 2 tensioni, ma il generatore ?
Derivando una costante si ottiene zero, almeno credo.
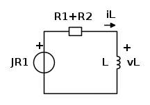
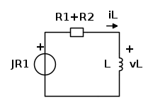
camaleonte ha scritto:La soluzione data dalla traccia è:
Davvero interessante; secondo quella soluzione, per l'equazione differenziale esiste quindi una soluzione a regime per vL(t)=costante (e quindi con derivata nulla) tale che

e quindi

io avrei scommesso che l'unica soluzione a regime per vL(t)=cost fosse vL(t)=0, ma sicuramente sbaglio.
E' proprio giunto il momento che mi dedichi esclusivamente al surf.