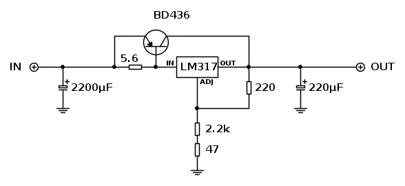
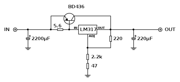
Ho assemblato il circuito stabilizzatore con LM317 accoppiato ad un transistor PNP (BD436) in quanto vorrei avere in uscita 14V con una corrente di 3A (il transistor ne sopporta 4A), partendo da una tensione non stabilizzata che varia tra 16-18V.
Lo schema è questo:
La resistenza all'ingresso l'ho impostata a 5,6 ohm in modo da avere in conduzione il transistor quando la corrente che passa dall'integrato ha un valore poco maggiore di 100mA.
Dunque a vuoto ho in uscita 14V ma non appena collego un carico da 1,6A ecco che scende sotto i 13,4V!
Invece io avrei bisogno di una tensione prossima a 14V almeno fino ad una corrente di 2A.
Avete qualche consiglio? Dovrei cambiare transistor?
Se provo con il circuito base (quindi senza BJT e resistenza) con un carico di 1A la tensione rimane sempre la stessa.
Saluti

Elettrotecnica e non solo (admin)
Un gatto tra gli elettroni (IsidoroKZ)
Esperienza e simulazioni (g.schgor)
Moleskine di un idraulico (RenzoDF)
Il Blog di ElectroYou (webmaster)
Idee microcontrollate (TardoFreak)
PICcoli grandi PICMicro (Paolino)
Il blog elettrico di carloc (carloc)
DirtEYblooog (dirtydeeds)
Di tutto... un po' (jordan20)
AK47 (lillo)
Esperienze elettroniche (marco438)
Telecomunicazioni musicali (clavicordo)
Automazione ed Elettronica (gustavo)
Direttive per la sicurezza (ErnestoCappelletti)
EYnfo dall'Alaska (mir)
Apriamo il quadro! (attilio)
H7-25 (asdf)
Passione Elettrica (massimob)
Elettroni a spasso (guidob)
Bloguerra (guerra)


instead of
(Anonimo).
ain't
, right?
in lieu of
.
for
arithm.




, se il BD436 non è il massimo, che modello mi consigliate?