comandare luce stanza con telecomando tv
Moderatori:
carloc,
g.schgor,
BrunoValente,
IsidoroKZ
33 messaggi
• Pagina 2 di 4 • 1, 2, 3, 4
0
voti
si, io intendevo di far leggere il telecomando al ricevitore che è sulla tv, però questo sistema si può applicare su un pulsante on relè? perché in camera ho tutti pulsanti così e verrebbe troppo problematico cambiare tutto
1
voti
Purtroppo la sfera di cristallo qui non ce l'ha nessuno...
Comincia a postare qualche foto, dirci il modello e la marca del TV, magari farci qualche schema di quello che si evince dal circuito...
solo così potrai metterci nelle condizioni di darti una mano.
Inoltre, la buona volontà di chi chiede mi sembra un atto dovuto verso coloro che gratuitamente si offrono di dare risposte, no?
Ciao.
Comincia a postare qualche foto, dirci il modello e la marca del TV, magari farci qualche schema di quello che si evince dal circuito...
solo così potrai metterci nelle condizioni di darti una mano.
Inoltre, la buona volontà di chi chiede mi sembra un atto dovuto verso coloro che gratuitamente si offrono di dare risposte, no?
Ciao.
-

PietroBaima
90,7k 7 12 13 - G.Master EY

- Messaggi: 12206
- Iscritto il: 12 ago 2012, 1:20
- Località: Londra
0
voti
Questa è solo una proposta, se cerchi trovi una miriade di prodotti simili low cost
con meno di € 20,00 risolvi
http://www.comprameglio.it/product_info.php?products_id=9121&osCsid=u8sbk72d81vver849snipa6i20
e ti eviti l'ingrossamento della cistifelea, il che non è da poco
Ciao
K
con meno di € 20,00 risolvi
http://www.comprameglio.it/product_info.php?products_id=9121&osCsid=u8sbk72d81vver849snipa6i20
e ti eviti l'ingrossamento della cistifelea, il che non è da poco
Ciao
K
-

Kagliostro
6.396 4 5 7 - Master

- Messaggi: 4830
- Iscritto il: 19 set 2012, 11:32
0
voti
Fatemi capire, il ricevitore sulla TV, dopo aver letto il comando, manovra un'uscita digitale di qualche genere e la fornisce in output da qualche parte?
-

marioursino
5.687 3 9 13 - G.Master EY

- Messaggi: 1598
- Iscritto il: 5 dic 2009, 4:32
0
voti
non posso mettere un porta lampada del genere perché il mio lampadario ha tutte le lampadine alogene, comunque la mia domanda di prima era solo per sapere se possono esserci delle problematiche, appena ho tutto quello che mi serve vi posto tutto
1
voti
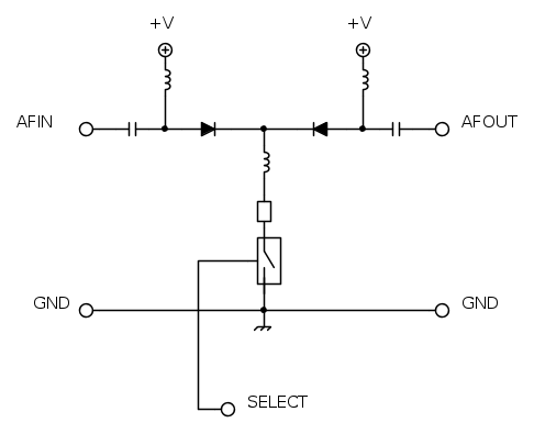
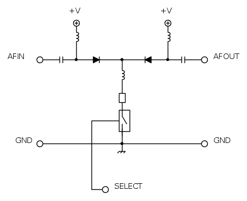
I vecchi tv avevano degli schemi, per gli stadi sintonia, di questo tipo:
o qualcosa del genere.
Serviva quindi un bit per la selezione e, il ricevitore del telecomando, impostava dei bit secondo il canale.
Se ci va bene troviamo il bit. Se ci va male spendiamo meno di 20€.
o qualcosa del genere.
Serviva quindi un bit per la selezione e, il ricevitore del telecomando, impostava dei bit secondo il canale.
Se ci va bene troviamo il bit. Se ci va male spendiamo meno di 20€.
-

PietroBaima
90,7k 7 12 13 - G.Master EY

- Messaggi: 12206
- Iscritto il: 12 ago 2012, 1:20
- Località: Londra
1
voti
savve7 ha scritto: appena ho tutto quello che mi serve vi posto tutto
appena ci posti tutto ti diciamo se è quello che ti serve per fare quello che vuoi fare
-

PietroBaima
90,7k 7 12 13 - G.Master EY

- Messaggi: 12206
- Iscritto il: 12 ago 2012, 1:20
- Località: Londra
0
voti
se invece che esser della tv fosse di un decoder???? comunque il problema che devo evitare è di levare la possibilità ai 2 pulsanti che ho dal letto di acccendere e spegnere la luce a meno che il ricevitore nn lavori anche cn altri telecomandi
0
voti
Come ti dicevo, non era che un esempio
di cose simili e poco costose ne trovi finché vuoi se cerchi
qui ad esempio ti danno un telecomando con tre ricevitori che ufficialmente sarebbero da mettere in serie ad un utilizzatore (tipo che so, una lampada a stelo o da tavolo), ma nulla vieta che tu non ne ricavi un ricevitore da usare in modo adeguato alle tue necessità, con molta meno fatica dell'utilizzo del telecomando TV o VCR o altro non nato allo scopo e per il quale devi adattare un ricevitore o adirittura costruirlo
http://www.elettro-store.com/dettagli.asp?sid=1709080020090227202124&idp=2697
Ciao
K
di cose simili e poco costose ne trovi finché vuoi se cerchi
qui ad esempio ti danno un telecomando con tre ricevitori che ufficialmente sarebbero da mettere in serie ad un utilizzatore (tipo che so, una lampada a stelo o da tavolo), ma nulla vieta che tu non ne ricavi un ricevitore da usare in modo adeguato alle tue necessità, con molta meno fatica dell'utilizzo del telecomando TV o VCR o altro non nato allo scopo e per il quale devi adattare un ricevitore o adirittura costruirlo
http://www.elettro-store.com/dettagli.asp?sid=1709080020090227202124&idp=2697
Ciao
K
-

Kagliostro
6.396 4 5 7 - Master

- Messaggi: 4830
- Iscritto il: 19 set 2012, 11:32
2
voti
savve7 ha scritto:se invece che esser della tv fosse di un decoder????
Ma non era un vecchio TV? Ragazzo mio hai decisamente le idee poco chiare!
savve7 ha scritto: comunque il problema che devo evitare è di levare la possibilità ai 2 pulsanti che ho dal letto di acccendere e spegnere la luce a meno che il ricevitore non lavori anche cn altri telecomandi
questo è il problema numero 2. Per ora non ci abbiamo ancora capito una mazza sul problema 1.
-

PietroBaima
90,7k 7 12 13 - G.Master EY

- Messaggi: 12206
- Iscritto il: 12 ago 2012, 1:20
- Località: Londra
33 messaggi
• Pagina 2 di 4 • 1, 2, 3, 4
Chi c’è in linea
Visitano il forum: Nessuno e 245 ospiti

Elettrotecnica e non solo (admin)
Un gatto tra gli elettroni (IsidoroKZ)
Esperienza e simulazioni (g.schgor)
Moleskine di un idraulico (RenzoDF)
Il Blog di ElectroYou (webmaster)
Idee microcontrollate (TardoFreak)
PICcoli grandi PICMicro (Paolino)
Il blog elettrico di carloc (carloc)
DirtEYblooog (dirtydeeds)
Di tutto... un po' (jordan20)
AK47 (lillo)
Esperienze elettroniche (marco438)
Telecomunicazioni musicali (clavicordo)
Automazione ed Elettronica (gustavo)
Direttive per la sicurezza (ErnestoCappelletti)
EYnfo dall'Alaska (mir)
Apriamo il quadro! (attilio)
H7-25 (asdf)
Passione Elettrica (massimob)
Elettroni a spasso (guidob)
Bloguerra (guerra)
pigreco]=π