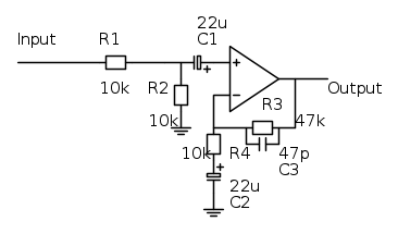
In un vecchio mixer audio (Aria PA-500RS) mi succede che ogni tanto uno degli ingressi stereo di linea produca un suono distorto.Ho aperto il mixer, e il problema sembra dovuto a una tensione presente sugli ingressi non invertenti degli operazionali che si trovano nel primo stadio di amplificazione. Questa tensione varia nel tempo molto lentamente, e non sembra seguire - dalle osservazionli che ho fatto - alcuno schema preordinato. Arriva a raggiungere valori molto elevati (fino a 11V circa), il che causa la distorsione asimmetrica dell'uscita. Questo si verifica(in tempi diversi) su entrambi i canali. L'integrato che si occupa dell'amplificazione è un JRC4558(praticamente due 741 in un solo package 8pin); metà di questo viene usato per il canale destro e metà per il canale sinistro. L'alimentazione è duale +-12V.
Non riesco a spiegarmi il perché di un tale comportamento, ma ritengo che possa essere un guasto dell'integrato.
Comunque nell'attesa di procurarmente uno, ho sostituito gli elettrolitici da 22u che sono presenti senza ottenere risultati.
Voi cosa ne pensate?
Lo schema dello stadio interessato è il seguente (ne riporto uno ma sono due uguali)
Strana tensione all'ingresso di ampli operazionale
Moderatori:
carloc,
g.schgor,
BrunoValente,
IsidoroKZ
19 messaggi
• Pagina 1 di 2 • 1, 2
0
voti
oromoiluig ha scritto:il problema sembra dovuto a una tensione presente sugli ingressi non invertenti degli operazionali che si trovano nel primo stadio di amplificazione. Questa tensione varia nel tempo molto lentamente, e non sembra seguire [...] Arriva a raggiungere valori molto elevati (fino a 11V circa) [...] ritengo che possa essere un guasto dell'integrato.
Probabile che il problema sia a monte dell'integrato.
0
voti

"Non farei mai parte di un club che accettasse la mia iscrizione" (G. Marx)
-

claudiocedrone
21,3k 4 7 9 - Master EY

- Messaggi: 15302
- Iscritto il: 18 gen 2012, 13:36
7
voti
Ma, abbiate pazienza,
è normale che abbia quel difetto: l'ingresso non invertente non è polarizzato e quindi la sua tensione "va a spasso".
Occorre installare una resistenza, di alto valore, tra l'ingresso non invertente e il riferimento, oppure, cosa più saggia, togliere l'elettrolitico in serie all'ingresso non invertente.
Occorre installare una resistenza, di alto valore, tra l'ingresso non invertente e il riferimento, oppure, cosa più saggia, togliere l'elettrolitico in serie all'ingresso non invertente.
-

BrunoValente
39,6k 7 11 13 - G.Master EY

- Messaggi: 7796
- Iscritto il: 8 mag 2007, 14:48
5
voti
Vedere anche questa discussione.
Talvolta il circuito in [1] "funziona" (notare le virgolette, eh) se la corrente di perdita del condensatore sul terminale non invertente è sufficientemente elevata da poter polarizzare l'ingresso dell'op amp. Nasce però un offset che dipende fortemente dall'umore del condensatore, e quindi da temperatura, invecchiamento ecc.
La resistenza R2, insomma, va connessa direttamente al terminale non invertente. Il partitore costituito da R1 e R2, poi, mi sembra solo deleterio.
Talvolta il circuito in [1] "funziona" (notare le virgolette, eh) se la corrente di perdita del condensatore sul terminale non invertente è sufficientemente elevata da poter polarizzare l'ingresso dell'op amp. Nasce però un offset che dipende fortemente dall'umore del condensatore, e quindi da temperatura, invecchiamento ecc.
La resistenza R2, insomma, va connessa direttamente al terminale non invertente. Il partitore costituito da R1 e R2, poi, mi sembra solo deleterio.
It's a sin to write
instead of
(Anonimo).
...'cos you know that
ain't
, right?
You won't get a sexy tan if you write
in lieu of
.
Take a log for a fireplace, but don't take
for
arithm.
instead of
(Anonimo)....'cos you know that
ain't
, right?You won't get a sexy tan if you write
in lieu of
.Take a log for a fireplace, but don't take
for
arithm.-

DirtyDeeds
55,9k 7 11 13 - G.Master EY

- Messaggi: 7012
- Iscritto il: 13 apr 2010, 16:13
- Località: Somewhere in nowhere
5
voti
Come minimo andrebbe fatto cosi`
Poi mi pare stupido attenuare di un fattore due per poi moltiplicare il segnale per 5.7. Meglio alzare la resistenza che dall'ingresso non invertente va a ground, ad esempio 100kohm o piu` e a quel punto si puo` abbassare la capacita` del condensatore dato che vede una resistenza piu` alta.
Oltre al funzionamento randomico descritto da
DirtyDeeds ce n'e` un altro: il segnale di ingresso, specie se di ampiezza elevata, si "appoggia" contro li limite di linearita` di modo comune all'ingresso: in pratica ci pensa una non linearita` dell'ingresso a fare in modo che il segnale continui a passare anche se distorto vicino a uno dei picchi.
Per
claudiocedrone: quel circuito si usa anche con alimentazione duale: riduce l'errore di offset all'uscita, in quanto per l'offset il guadagno dello stadio e` solo unitario.
Poi mi pare stupido attenuare di un fattore due per poi moltiplicare il segnale per 5.7. Meglio alzare la resistenza che dall'ingresso non invertente va a ground, ad esempio 100kohm o piu` e a quel punto si puo` abbassare la capacita` del condensatore dato che vede una resistenza piu` alta.
Oltre al funzionamento randomico descritto da
Per
Per usare proficuamente un simulatore, bisogna sapere molta più elettronica di lui
Plug it in - it works better!
Il 555 sta all'elettronica come Arduino all'informatica! (entrambi loro malgrado)
Se volete risposte rispondete a tutte le mie domande
Plug it in - it works better!
Il 555 sta all'elettronica come Arduino all'informatica! (entrambi loro malgrado)
Se volete risposte rispondete a tutte le mie domande
0
voti

"Non farei mai parte di un club che accettasse la mia iscrizione" (G. Marx)
-

claudiocedrone
21,3k 4 7 9 - Master EY

- Messaggi: 15302
- Iscritto il: 18 gen 2012, 13:36
0
voti
@ Oromoiluig
Lo schema presenta un errore di polarizzazione sull'ingresso + , un errore che non gli permetterebbe affatto ne di bufferizzare e ne tantomeno di amplificare... ma credo che sia semplicemente un tuo errore di trascrizione.
Lo schema valido dovrebbe essere quello postato da IsidoroKZ, vedi R2.
Comunque spero che la fluttuazione della tensione l'hai misurata con un tester digitale ad elevata impedenza d'ingresso, perché con tester a bassa impedenza quella tentisione è molto perturbata dallo stesso tester e quindi non veritiera.
Inoltre, prima di dire che lo IC sia andato..... cosa c'è sulla sua uscita e com' è connesso allo stadio successivo ?
ciao
Lo schema presenta un errore di polarizzazione sull'ingresso + , un errore che non gli permetterebbe affatto ne di bufferizzare e ne tantomeno di amplificare... ma credo che sia semplicemente un tuo errore di trascrizione.
Lo schema valido dovrebbe essere quello postato da IsidoroKZ, vedi R2.
Comunque spero che la fluttuazione della tensione l'hai misurata con un tester digitale ad elevata impedenza d'ingresso, perché con tester a bassa impedenza quella tentisione è molto perturbata dallo stesso tester e quindi non veritiera.
Inoltre, prima di dire che lo IC sia andato..... cosa c'è sulla sua uscita e com' è connesso allo stadio successivo ?
ciao
0
voti

"Non farei mai parte di un club che accettasse la mia iscrizione" (G. Marx)
-

claudiocedrone
21,3k 4 7 9 - Master EY

- Messaggi: 15302
- Iscritto il: 18 gen 2012, 13:36
0
voti
@
IsidoroKZ
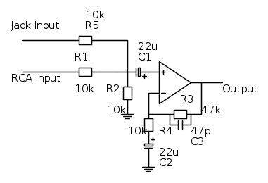
In verità nello schema ho omesso un'altra resistenza da 10k che si collega al nodo tra R1 e R2, che proviene dall'ingresso jack. In pratica - nello schema aggiornato qui sotto - si vede che R1 e R5 servono a miscelare i segnali provenienti dagli ingressi RCA e JACK, che quindi sono attivi contemporaneamente
@@
Orione
L'ho misurata con l'oscilloscopio analogico, che ha una impedenza di ingresso di 1MOhm . Lasciando la sonda collegata il condensatore si scaricava in maniera visibile, quindi l'ho collegata solo di tanto in tanto per verificare la situazione.
@
claudiocedrone
Le alimentazioni arrivano correttamente ai piedini dell'integrato.
Ho provato anche togliendo il condensatore di accoppiamento in uscita, quindi lasciando l'uscita aperta, e non cambiava niente.
Della trascrizione dello schema sono abbastanza sicuro, perché l'ho anche controllato più volte, sia per verificare la simmetria dei due canali, sia perché io stesso non ero convinto dallo schema, cioè la mancanza della resistenza sull'ingresso non invertente verso massa non mi convinceva.
Poi mi sono convinto che potesse funzionare, perché il JRC4558 ha un ingresso a BJT e quindi immaginavo che l'impedenza di ingresso di 5Mohm potesse servire in luogo della resistenza suddetta. è possibile?
Datasheet del JRC4558
Ad ogni modo quello che ho fatto è stato rimuovere l'integrato e al suo posto metterci uno zoccolo su cui ho montato per il momento un lme49860 - sprecato per questo indegno compito, ma è l'unico operazionale doppio che ho in casa che non abbia gli ingressi a JFet - e il problema sembra essersi risolto.
datasheet del lme49860
IsidoroKZ ha scritto:Poi mi pare stupido attenuare di un fattore due per poi moltiplicare il segnale per 5.7. Meglio alzare la resistenza che dall'ingresso non invertente va a ground, ad esempio 100kohm o piu` e a quel punto si puo` abbassare la capacita` del condensatore dato che vede una resistenza piu` alta.
In verità nello schema ho omesso un'altra resistenza da 10k che si collega al nodo tra R1 e R2, che proviene dall'ingresso jack. In pratica - nello schema aggiornato qui sotto - si vede che R1 e R5 servono a miscelare i segnali provenienti dagli ingressi RCA e JACK, che quindi sono attivi contemporaneamente
@@
Orione ha scritto:Comunque spero che la fluttuazione della tensione l'hai misurata con un tester digitale ad elevata impedenza d'ingresso, perché con tester a bassa impedenza quella tentisione è molto perturbata dallo stesso tester e quindi non veritiera.
Inoltre, prima di dire che lo IC sia andato..... cosa c'è sulla sua uscita e com' è connesso allo stadio successivo ?
L'ho misurata con l'oscilloscopio analogico, che ha una impedenza di ingresso di 1MOhm . Lasciando la sonda collegata il condensatore si scaricava in maniera visibile, quindi l'ho collegata solo di tanto in tanto per verificare la situazione.
@
Le alimentazioni arrivano correttamente ai piedini dell'integrato.
Orione ha scritto:Inoltre, prima di dire che lo IC sia andato..... cosa c'è sulla sua uscita e com' è connesso allo stadio successivo ?
Ho provato anche togliendo il condensatore di accoppiamento in uscita, quindi lasciando l'uscita aperta, e non cambiava niente.
claudiocedrone ha scritto: sei sicuro di aver "tracciato" correttamente lo schema
Della trascrizione dello schema sono abbastanza sicuro, perché l'ho anche controllato più volte, sia per verificare la simmetria dei due canali, sia perché io stesso non ero convinto dallo schema, cioè la mancanza della resistenza sull'ingresso non invertente verso massa non mi convinceva.
Poi mi sono convinto che potesse funzionare, perché il JRC4558 ha un ingresso a BJT e quindi immaginavo che l'impedenza di ingresso di 5Mohm potesse servire in luogo della resistenza suddetta. è possibile?
Datasheet del JRC4558
Ad ogni modo quello che ho fatto è stato rimuovere l'integrato e al suo posto metterci uno zoccolo su cui ho montato per il momento un lme49860 - sprecato per questo indegno compito, ma è l'unico operazionale doppio che ho in casa che non abbia gli ingressi a JFet - e il problema sembra essersi risolto.
datasheet del lme49860
-

oromoiluig
25 1 2 6 - Frequentatore

- Messaggi: 280
- Iscritto il: 17 ott 2009, 16:35
19 messaggi
• Pagina 1 di 2 • 1, 2
Chi c’è in linea
Visitano il forum: Nessuno e 251 ospiti

Elettrotecnica e non solo (admin)
Un gatto tra gli elettroni (IsidoroKZ)
Esperienza e simulazioni (g.schgor)
Moleskine di un idraulico (RenzoDF)
Il Blog di ElectroYou (webmaster)
Idee microcontrollate (TardoFreak)
PICcoli grandi PICMicro (Paolino)
Il blog elettrico di carloc (carloc)
DirtEYblooog (dirtydeeds)
Di tutto... un po' (jordan20)
AK47 (lillo)
Esperienze elettroniche (marco438)
Telecomunicazioni musicali (clavicordo)
Automazione ed Elettronica (gustavo)
Direttive per la sicurezza (ErnestoCappelletti)
EYnfo dall'Alaska (mir)
Apriamo il quadro! (attilio)
H7-25 (asdf)
Passione Elettrica (massimob)
Elettroni a spasso (guidob)
Bloguerra (guerra)




