Per hFE prenderei come riferimento il caso in cui IC = 500mA.
Anche per la VBE(sat), prenderei il valore minimo di approx. 0.6V.
R3 dovrebbe essere dimensionata, secondo quei valori e con una Vin = 5V (output del micro), attorno 300 Ω. Se puoi procuratene una da 220Ω o 150Ω.
Resistenza LED di potenza
Moderatori:
carloc,
g.schgor,
BrunoValente,
IsidoroKZ
50 messaggi
• Pagina 3 di 5 • 1, 2, 3, 4, 5
1
voti
Si mi viene 330ohm! da 1/4 w ne ho una marea di resistenze, vedo qual è il valore più vicino di cui dispongo e lo metto :)
Per quella sui led dunque devo calcolare Vin=11.1-0.6 Vled=3*2 ed I=0.4
Siete grandi ragazzi
Per quella sui led dunque devo calcolare Vin=11.1-0.6 Vled=3*2 ed I=0.4
Siete grandi ragazzi
1
voti
sciorty ha scritto:Vin=11.1-0.6
Non confondere la VCE(sat) con la VBE(sat).
Se hai molte resistenze da 330Ω allora ti puoi aggiustare, eventualmente, mettendole in parallelo.
1
voti
L'ho presa da 5W, non scalda poi molto..
Il BJT, invece, quello mi ha procurato una bolla al dito toccandolo! Ovviamente io non lo dovrò toccare ahah, ma posso lasciarlo così oppure rischio di friggerlo?
Il BJT, invece, quello mi ha procurato una bolla al dito toccandolo! Ovviamente io non lo dovrò toccare ahah, ma posso lasciarlo così oppure rischio di friggerlo?
1
voti
Se hai seguito lo schema e le istruzioni di cui al punto [11],il transistor non dovrebbe scaldare piu' di tanto; dal seguito del thread pero', non si capisce quale sia la realizzazione finale.
Sarebbe meglio ( per evitare di bruciare quel transistor) se ci facessi vedere lo schema definitivo con i valori di tutti i componenti.
Sarebbe meglio ( per evitare di bruciare quel transistor) se ci facessi vedere lo schema definitivo con i valori di tutti i componenti.
marco
0
voti
Giusto, scusate!
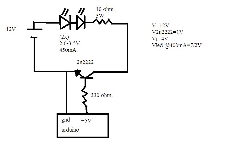
Qui non dispongo di un software per la realizzazione del circuito, ma si dovrebbe capire
Qui non dispongo di un software per la realizzazione del circuito, ma si dovrebbe capire
- Allegati
-
- Immagine.JPG (23.58 KiB) Osservato 3095 volte
0
voti
Se non ho sbagliato i conti i led lavorano a circa 500mA; considerando che un 2N2222 supporta al massimo 800mA, mi pare logico che scotti.
Forse sarebbe opportuno modificare la resistenza e dare un po' piu' di respiro ai led ed al BJT.
Forse sarebbe opportuno modificare la resistenza e dare un po' piu' di respiro ai led ed al BJT.
marco
0
voti
sciorty ha scritto:Perciò prendendo spunto dal tuo schema potrei metterli in serie con una sola resistenza, 400mA per led e fare:
V=10.1V Vled=3*2=6V VR=4.1V R=4.1/0.4=10.25ohm 1.64W
L'avevo dimensionata per 400mA per led.. Non ho fatto i conti giusti?
Comunque mettendo la resistenza sull'anodo il BJT non brucia..
50 messaggi
• Pagina 3 di 5 • 1, 2, 3, 4, 5
Chi c’è in linea
Visitano il forum: Nessuno e 200 ospiti

Elettrotecnica e non solo (admin)
Un gatto tra gli elettroni (IsidoroKZ)
Esperienza e simulazioni (g.schgor)
Moleskine di un idraulico (RenzoDF)
Il Blog di ElectroYou (webmaster)
Idee microcontrollate (TardoFreak)
PICcoli grandi PICMicro (Paolino)
Il blog elettrico di carloc (carloc)
DirtEYblooog (dirtydeeds)
Di tutto... un po' (jordan20)
AK47 (lillo)
Esperienze elettroniche (marco438)
Telecomunicazioni musicali (clavicordo)
Automazione ed Elettronica (gustavo)
Direttive per la sicurezza (ErnestoCappelletti)
EYnfo dall'Alaska (mir)
Apriamo il quadro! (attilio)
H7-25 (asdf)
Passione Elettrica (massimob)
Elettroni a spasso (guidob)
Bloguerra (guerra)


